电脑桌面
添加小米粒文库到电脑桌面
安装后可以在桌面快捷访问

某科技公司采集终端与主站通讯规约设计VIP免费

某科技公司采集终端与主站通讯规约设计_第1页
1/24
某科技公司采集终端与主站通讯规约设计_第2页
2/24
某科技公司采集终端与主站通讯规约设计_第3页
3/24
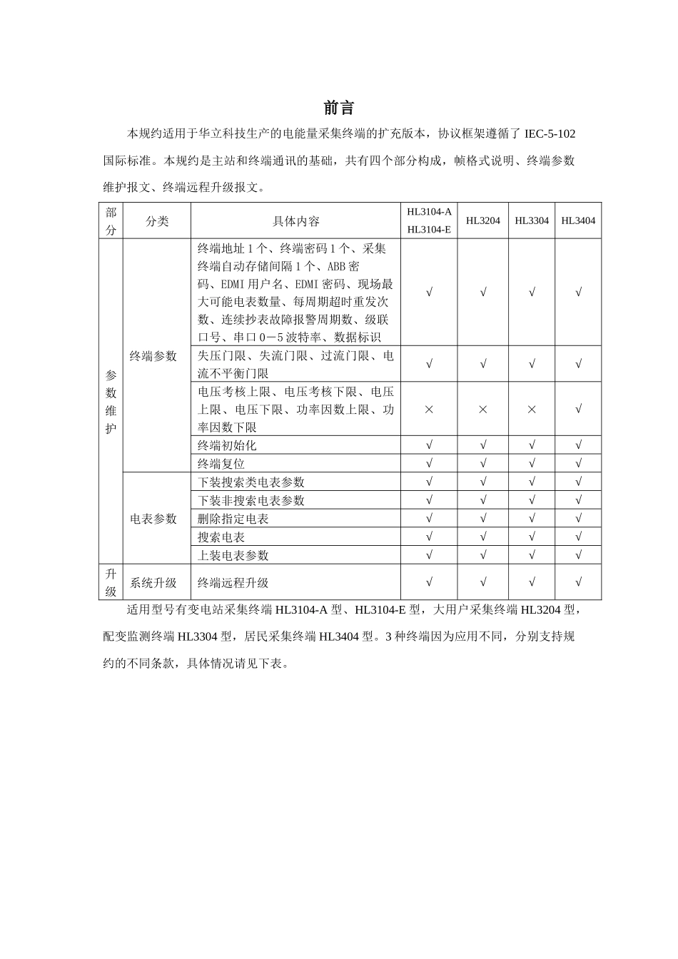
采集终端与主站通讯规约设计102规约扩展版(V1.0)浙江华立科技股份有限公司完成日期:2002-08-15前言本规约适用于华立科技生产的电能量采集终端的扩充版本,协议框架遵循了IEC-5-102国际标准。本规约是主站和终端通讯的基础,共有四个部分构成,帧格式说明、终端参数维护报文、终端远程升级报文。部分分类具体内容HL3104-AHL3104-EHL3204HL3304HL3404参数维护终端参数终端地址1个、终端密码1个、采集终端自动存储间隔1个、ABB密码、EDMI用户名、EDMI密码、现场最大可能电表数量、每周期超时重发次数、连续抄表故障报警周期数、级联口号、串口0-5波特率、数据标识√√√√失压门限、失流门限、过流门限、电流不平衡门限√√√√电压考核上限、电压考核下限、电压上限、电压下限、功率因数上限、功率因数下限×××√终端初始化√√√√终端复位√√√√电表参数下装搜索类电表参数√√√√下装非搜索电表参数√√√√删除指定电表√√√√搜索电表√√√√上装电表参数√√√√升级系统升级终端远程升级√√√√适用型号有变电站采集终端HL3104-A型、HL3104-E型,大用户采集终端HL3204型,配变监测终端HL3304型,居民采集终端HL3404型。3种终端因为应用不同,分别支持规约的不同条款,具体情况请见下表。目录第1页共24页编号:时间:2021年x月x日书山有路勤为径,学海无涯苦作舟页码:第1页共24页第一章数据帧1.参数维护1.1采集器参数操作1.1.1.写参数格式下行帧格式字节序号内容解释00X68启动字符1L2字节重复报文长度=13+DLEN。(1控制域+2通讯地址+6数据单元标识+4密码权限+DLEN数据长度)2L30X68启动字符4C控制字节(C=0X53或0X73)5ADDRESS_L通讯地址低位针对某一具体终端,当不知其地址编号时,可用9999地址。6ADDRESS_H通讯地址高位7TYP数据类型=0X018VSQ可变结构限定词=0,SQ=09COT传送原因=0X0B10公共地址_L数据单元地址低位11公共地址_H数据单元地址高位12记录地址备用=013~16密码权限4字节17~16+DLEN数据块数据格式及长度DLEN详见《数据单元地址表A》17+DLEN校验累加和校验(字节4~16+DLEN)18+DLEN0X16结束字符上行帧格式字节序号内容解释00X68启动字符1L2字节重复报文长度=9。(1控制域+2通讯地址+6数据单元标识)2L30X68启动字符4C控制字节(C=0X00、0X10,即DFC=0或1。)5ADDRESS_L通讯地址低位6ADDRESS_H通讯地址高位7TYP数据类型=0X018VSQ可变结构限定词=0,SQ=09COT传送原因(正确:0X0B,P/N=0;异常:见定义,P/N=1。)10公共地址_L数据单元地址低位帧头7字节帧头7字节数据单元标识6字节数据单元标识6字节第2页共24页第1页共24页编号:时间:2021年x月x日书山有路勤为径,学海无涯苦作舟页码:第2页共24页11公共地址_H数据单元地址高位12记录地址备用=013校验累加和校验(字节4-12)140X16结束字符1.1.2.读参数格式下行帧格式字节序号内容解释00X68启动字符1L2字节重复报文长度=9。(1控制域+2通讯地址+6数据单元标识)2L30X68启动字符4C控制字节(读数据C=0X5A、0X7A)5ADDRESS_L通讯地址低位针对某一具体终端,当不知其地址编号时,可用9999地址。6ADDRESS_H通讯地址高位7TYP数据类型=0X018VSQ可变结构限定词=0,SQ=09COT传送原因(COT=0X05)10公共地址_L数据单元地址低位11公共地址_H数据单元地址高位12记录地址备用=013校验累加和校验(字节4-12)140X16结束字符上行帧格式字节序号内容解释00X68启动字符1L2字节重复报文长度=9+DLEN。(1控制域+2通讯地址+6数据单元标识+DLEN数据长度)。2L30X68启动字符4C控制字节(正确:0X08;异常:0X09)5ADDRESS_L通讯地址低位6ADDRESS_H通讯地址高位7TYP数据类型=0X018VSQ可变结构限定词=0,SQ=09COT传送原因(正确:0X05,P/N=0;异常:见定义,P/N=1。)10公共地址_L数据单元地址低位11公共地址_H数据单元地址高位12记录地址备用=013~12+DLEN数据块数据格式及长度DLEN详见《数据单元地址表A》13+DLEN校验累加和校验(字节4~12+DLEN)14+DLEN0X16结束字符帧头7字节帧头7字节数据单元标识6字节数据单元标识6字节第3页共24页第2页共24页编号:时间:2021年x月x日书山有路勤为径,学海无涯苦作舟页码:第3页...

1、当您付费下载文档后,您只拥有了使用权限,并不意味着购买了版权,文档只能用于自身使用,不得用于其他商业用途(如 [转卖]进行直接盈利或[编辑后售卖]进行间接盈利)。
2、本站所有内容均由合作方或网友上传,本站不对文档的完整性、权威性及其观点立场正确性做任何保证或承诺!文档内容仅供研究参考,付费前请自行鉴别。
3、如文档内容存在违规,或者侵犯商业秘密、侵犯著作权等,请点击“违规举报”。

碎片内容

某科技公司采集终端与主站通讯规约设计

确认删除?
VIP
微信客服
  • 扫码咨询
会员Q群
  • 会员专属群点击这里加入QQ群
客服邮箱
回到顶部