电脑桌面
添加小米粒文库到电脑桌面
安装后可以在桌面快捷访问

全套消防系统竣工资料VIP免费

全套消防系统竣工资料_第1页
1/57
全套消防系统竣工资料_第2页
2/57
全套消防系统竣工资料_第3页
3/57
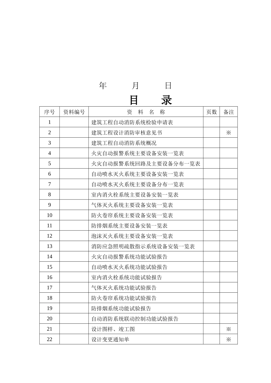
建筑工程自动消防系统竣工报检资料工程名称:建设单位:施工单位:填报单位质检负责人:年月日目录序号资料编号资料名称页数备注1建筑工程自动消防系统检验申请表2建筑工程设计消防审核意见书※3建筑工程自动消防系统概况4火灾自动报警系统主要设备安装一览表5火灾自动报警系统回路及主要设备分布一览表6自动喷水灭火系统主要设备安装一览表7自动喷水灭火系统主要设备分布一览表8室内消火栓系统主要设备安装一览表9气体灭火系统主要设备安装一览表10防火卷帘系统主要设备安装一览表11防排烟系统主要设备安装一览表12泡沫灭火系统主要设备安装一览表13消防应急照明疏散指示系统设备安装一览表14火灾自动报警系统功能试验报告15自动喷水灭火系统功能试验报告16室内消火栓系统功能试验报告17气体灭火系统功能试验报告18防火卷帘系统功能试验报告19防排烟系统功能试验报告20自动消防系统联动控制功能试验报告21设计图样、竣工图※22设计变更通知单※23隐蔽工程施工、验收记录Δ24自动喷水灭火系统管网试压、冲洗记录Δ25气体灭火系统管网试压、吹扫记录Δ26主要消防产品、设备检验报告、有关证书等※消防批件建筑工程自动消防系统概况工程名称工程地点建设单位设计单位施工单位建筑面积m2建筑层数建筑高度m工程造价消防工程类别1、自动报警2、自动喷水3、室内消火栓4、气体5、防火卷帘6、防排烟7、干粉8、泡沫9、应急照明10、可燃气体11、其他消防工程设计单位消防工程施工单位消防工程造价消防工程开工时间消防工程竣工时间备注填表人:填表日期:火灾自动报警系统主要设备安装一览表系统设计单位系统施工单位系统类别1、区域报警2、集中报警3、控制中心报警产品名称型号规格生产厂家数量点型感烟探测器点型感温探测器线型感烟探测器线型感温探测器复合式探测器火焰探测器火灾报警控制器火灾显示盘手动报警按钮扬声器扩音机声光警报装置对讲电话电话插孔消防电梯联动控制设备填表人:填表日期:火灾自动报警系统回路及主要设备分布一览表楼层回路点型感烟探测器点型感温探测器火灾显示盘手动报警按钮扬声器声光警报装置填表人:填表日期:自动喷水灭火系统主要设备安装一览表系统设计单位系统施工单位系统类型1、湿式2、干式3、预作用4、雨淋5、水幕系统设置部位产品名称型号规格生产厂家数量洒水喷头水流指示器报警阀压力开关气压罐消防水泵接合器消防水池容积m³消防水池位置消防水箱容积m³消防水箱位置水泵类型型号流量(L/min)扬程(m)功率(W)生产厂数量喷淋泵稳压泵填表人:填表日期自动喷水灭火系统主要设备分布一览表楼层部位报警阀编号喷头数量水流指示器数量备注填表人:填表日期:室内消火栓系统设备安装一览表系统设计单位系统施工单位系统设置部位产品名称型号规格生产厂家数量消火栓箱室内消火栓消防水枪消防水带消防接口消防水喉消火栓按钮气压罐消防水泵接合器消防水池容积m³消防水池位置消防水箱容积m³消防水箱位置水泵类型型号流量(L/min)扬程(m)功率(W)生产厂数量喷淋泵稳压泵填表人:填表日期:气体灭火系统主要设备安装一览表系统设计单位系统施工单位灭火剂类别1、12112、13013、二氧化碳4、七氟丙烷5、其他系统类型1、组合分配2、单元独立灭火形式1、全充满2、局部应用系统设置部位产品名称型号规格生产厂家数量喷嘴容器阀选择阀单向阀安全阀集流阀贮存容器声、光警报装置启停按扭填表人:填表日期:防火卷帘系统设备安装一览表系统设计单位系统施工单位卷帘类别1、钢质2、无机3、汽雾4、特级系统设置部位产品名称型号规格生产厂家数量钢质普通防火卷帘钢质复合防火卷帘特级防火卷帘无机复合防火卷帘防火卷帘控制器手动控制按扭卷门机闭式喷头感烟探测器感温探测器填表人:填表日期:防排烟系统设备安装一览表系统设计单位系统施工单位产品名称型号规格生产厂家数量加压送风机消防排烟风机送风阀排烟阀排烟防火阀防火阀填表人:填表日期:防排烟系统主要设备分布一览表系统编号部位产品名称型号规格数量填表人:填表日期:泡沫灭火系统设备安装一览表系统设计单位系统施工单位泡沫类别1、低倍2、中倍3、高倍4、其他系统形式1、固定式2、半固定式3...

1、当您付费下载文档后,您只拥有了使用权限,并不意味着购买了版权,文档只能用于自身使用,不得用于其他商业用途(如 [转卖]进行直接盈利或[编辑后售卖]进行间接盈利)。
2、本站所有内容均由合作方或网友上传,本站不对文档的完整性、权威性及其观点立场正确性做任何保证或承诺!文档内容仅供研究参考,付费前请自行鉴别。
3、如文档内容存在违规,或者侵犯商业秘密、侵犯著作权等,请点击“违规举报”。

碎片内容

全套消防系统竣工资料

您可能关注的文档

海纳百川+ 关注
实名认证
内容提供者

热爱教学事业,对互联网知识分享很感兴趣

确认删除?
VIP
微信客服
  • 扫码咨询
会员Q群
  • 会员专属群点击这里加入QQ群
客服邮箱
回到顶部