电脑桌面
添加小米粒文库到电脑桌面
安装后可以在桌面快捷访问

土力学与地基基础课程设计VIP免费

土力学与地基基础课程设计_第1页
1/12
土力学与地基基础课程设计_第2页
2/12
土力学与地基基础课程设计_第3页
3/12
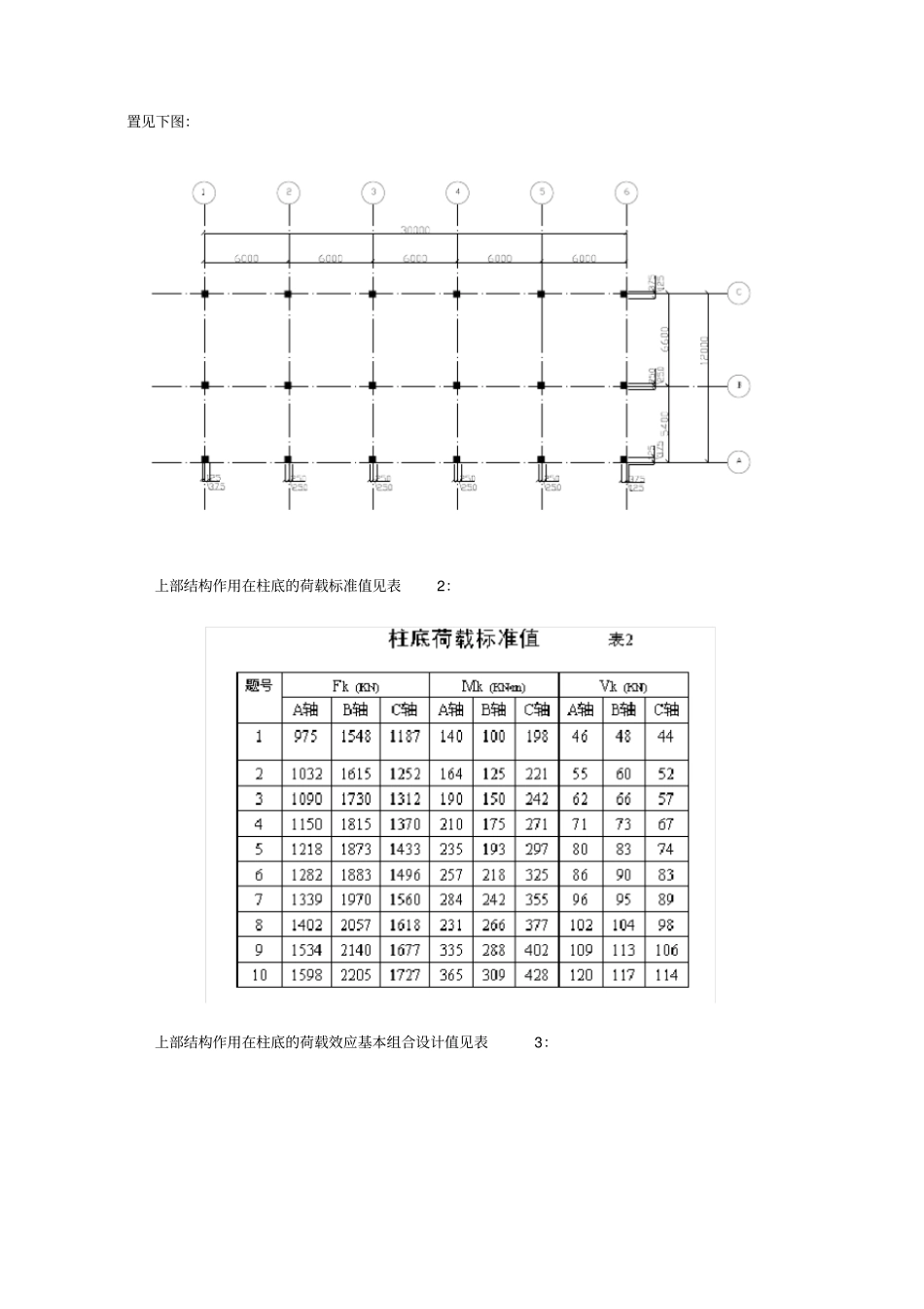
地基基础课程设计说明书柱下钢筋混凝土独立基础学生姓名:专业:班级:学号:指导教师:职称完成时间:《土力学与地基基础》课程设计任务书题目:柱下钢筋混凝土独立基础设计资料1、地形:拟建建筑场地平整2、工程地质资料:自上而下依次为:①杂填土:厚约,含部分建筑垃圾;②粉质粘土:厚,软塑,潮湿,承载力特征值akf=130kPa;③粘土:厚,可塑,稍湿,承载力特征值akf=180kPa;④全风化砂质泥岩:厚,承载力特征值akf=240kPa⑤强风化砂质泥岩:厚,承载力特征值akf=300kPa⑥中风化砂质泥岩:厚,承载力特征值akf=620kPa3、水文资料为:地下水对混凝土无侵蚀性。地下水位深度:位于地表下。4、上部结构资料:上部结构为多层全现浇框架结构,室外地坪标高同自然地面,室内外高差450mm。柱网布置见下图:上部结构作用在柱底的荷载标准值见表2:上部结构作用在柱底的荷载效应基本组合设计值见表3:5、材料:混凝土等级C25~C30,钢筋Ⅰ、Ⅱ级。设计要求:每班分为3个组。第1组共十八人,基础持力层选用③土层,设计A轴柱下独立基础;第2组共十八人,基础持力层选用④土层,设计B轴柱下独立基础;第3组共十八人,基础持力层选用③土层,设计C轴柱下独立基础;每人根据所在组号和题号,完成各自要求的轴线基础设计。对另外两根轴线的基础,只要求根据所给荷载确定基础底面尺寸。设计内容1、设计柱下独立基础包括确定基础埋深、基础底面尺寸,对基础进行结构的内力分析、强度计算,确定基础高度、进行配筋计算,并满足构造设计要求,编写设计计算书。2、绘制基础施工图包括基础平面布置图、基础大样图,并提出必要的技术说明。地基基础设计成果1地基基础设计计算书(1)设计计算书封面封面上应写明设计题目、学生姓名、专业、年级、指导教师姓名、完成日期(2)目录及正文格式(格式另见附属文件)。2设计图纸设计要求:绘制比例为1:100或1:200A3图纸打印稿目录设计计算书......................................................................................................错误!未定义书签。1.B轴与④轴线相交柱下基础埋置深度的选择........................错误!未定义书签。2.地基承载力特征值的确定.......................................................错误!未定义书签。3.地基承载力特征值的修正.......................................................错误!未定义书签。4.基础底面尺寸的确定...............................................................错误!未定义书签。初步选择基底尺寸................................................................................错误!未定义书签。轴心荷载作用下基础底面面积...................................................错误!未定义书签。验算持力层地基承载力........................................................................错误!未定义书签。基础和回填土重...........................................................................错误!未定义书签。基地最大压应力...........................................................................错误!未定义书签。5.软弱下卧层的验算...................................................................错误!未定义书签。6.地基变形验算及沉降量计算...................................................错误!未定义书签。7.基础高度的确定.......................................................................错误!未定义书签。基础类型的确定....................................................................................错误!未定义书签。计算基底净反力....................................................................................错误!未定义书签。系数C.....................................................................................................错误!未定义书签。基础的有效高度0h...............................................................................错误!未定...

1、当您付费下载文档后,您只拥有了使用权限,并不意味着购买了版权,文档只能用于自身使用,不得用于其他商业用途(如 [转卖]进行直接盈利或[编辑后售卖]进行间接盈利)。
2、本站所有内容均由合作方或网友上传,本站不对文档的完整性、权威性及其观点立场正确性做任何保证或承诺!文档内容仅供研究参考,付费前请自行鉴别。
3、如文档内容存在违规,或者侵犯商业秘密、侵犯著作权等,请点击“违规举报”。

碎片内容

土力学与地基基础课程设计

您可能关注的文档

确认删除?
VIP
微信客服
  • 扫码咨询
会员Q群
  • 会员专属群点击这里加入QQ群
客服邮箱
回到顶部