电脑桌面
添加小米粒文库到电脑桌面
安装后可以在桌面快捷访问

某钢铁基地项目主厂房钢结构施工组织设计VIP专享VIP免费

某钢铁基地项目主厂房钢结构施工组织设计_第1页
1/53
某钢铁基地项目主厂房钢结构施工组织设计_第2页
2/53
某钢铁基地项目主厂房钢结构施工组织设计_第3页
3/53
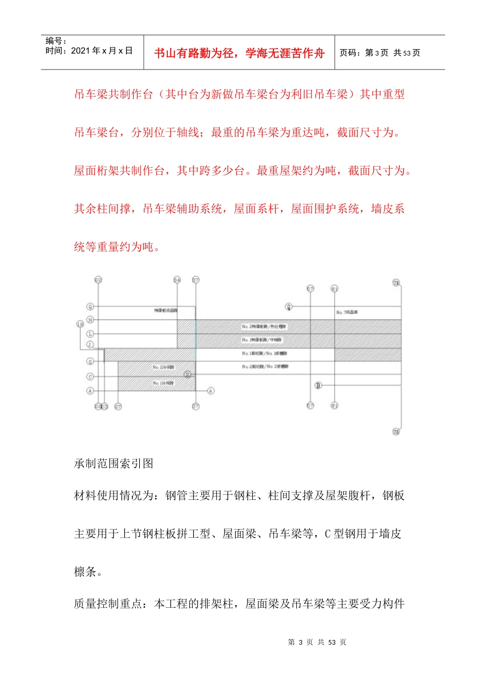
宝钢湛江钢铁基地项目4200MM厚板工程23~73线主厂房钢结构施工组织设计编制:审核:审批:2014年8月28日第2页共53页编号:时间:2021年x月x日书山有路勤为径,学海无涯苦作舟页码:第2页共53页一、工程概况宝钢广东湛江钢铁基地项目4200MM厚板工程项目位于湛江市东海岛东筒镇,本工程主体结构在正常使用和维护条件下的设计使用年限为50年,为丙类建筑,结构的安全等级为二级。车间主体结构为单层钢结构工业厂房,厂房结构形式为单层刚架。厂房排架柱为单阶柱,上柱采用焊接H型实腹截面;下柱采用钢管混凝土格构式(腹杆为空钢管)。肩梁采用单腹壁,柱脚与基础采用插入式。吊车梁采用焊接工字型实腹式吊车梁,厂房柱与屋架采用高强螺栓与焊接的组合形式。我单位承制宝钢广东湛江钢铁基地项目4200MM厚板工程23~73线除G列37~61线钢柱系统,吊车梁系统和GJ跨37~61线屋面系统外的钢柱系统,吊车梁系统,屋面系统,墙皮系统。重量预计1万吨,占地面积约为7.7万平方米。其中钢管柱共制作台,钢柱最大截面为2.86米x0.86米,长21.3米,钢柱最宽达3.6米,重量约11吨。第3页共53页第2页共53页编号:时间:2021年x月x日书山有路勤为径,学海无涯苦作舟页码:第3页共53页吊车梁共制作台(其中台为新做吊车梁台为利旧吊车梁)其中重型吊车梁台,分别位于轴线;最重的吊车梁为重达吨,截面尺寸为。屋面桁架共制作台,其中跨多少台。最重屋架约为吨,截面尺寸为。其余柱间撑,吊车梁辅助系统,屋面系杆,屋面围护系统,墙皮系统等重量约为吨。承制范围索引图材料使用情况为:钢管主要用于钢柱、柱间支撑及屋架腹杆,钢板主要用于上节钢柱板拼工型、屋面梁、吊车梁等,C型钢用于墙皮檩条。质量控制重点:本工程的排架柱,屋面梁及吊车梁等主要受力构件第4页共53页第3页共53页编号:时间:2021年x月x日书山有路勤为径,学海无涯苦作舟页码:第4页共53页的截面尺寸较大,吊车梁上翼缘板与腹板的连接焊缝为全熔透焊缝,下料时严格按照图纸要求进行坡口加工,以保证全熔透焊缝的质量;应严格控制高强螺栓孔的制作精度,确保安装现场的穿孔率达到100%;焊接时应采用合理的焊接方法和工艺参数以减小焊接变形和获得较高的焊接质量。通过首件检验制度的实施,提高施工人员素质,增强质量诚信意识,积极履行工程质量和服务质量的承诺,向业主提供优质工程和优质服务。二、本工程采用主要标准1.《钢结构工程施工质量验收规范》GB50205-2001。2.《钢结构设计规范》GB50017-2003。3.《建筑结构荷载规范》GB50009-2012。4.《建筑抗震设计规范》GB50011-2010。5.《钢结构焊接规范》(GB50661-2011)6.《钢管混凝土结构设计与施工规程》(CECS28:90)7.《钢结构高强螺栓连接的设计,施工及验收规程》JGJ82-2011。8.《焊缝符号表示法》GB324-2008。第5页共53页第4页共53页编号:时间:2021年x月x日书山有路勤为径,学海无涯苦作舟页码:第5页共53页9.《建筑钢结构焊接技术规程》JGJ81-2002。10.《低合金高强度钢》GB/T1591-200811.《热轧H型钢和部分T型钢》GB/T12263-200512.《碳素结构钢》GB/T700-200613.《钢焊缝手工超声波探伤方法和探伤结果分级》GB11345-8914.《埋弧焊用碳钢焊丝和焊剂》GB/T529315.《埋弧焊用低合金钢焊丝和焊剂)》GB/T1247016.《埋弧焊焊缝坡口的基本形式和尺寸》GB98617.《碳钢焊条》GB/T5117-199518.《低合金钢焊条》GB5118-199519.《熔化焊用钢丝》GB/T14957-199420.《气体保护焊用钢丝》GB/T14958-199421.《气体保护电弧焊用碳钢、低合金钢焊丝》GB/T8110-200822.《厚度方向性能钢板》(GB/T5313-2010)23.《输送管道交货技术条件》(GB/T9711-1997)24.《直缝电焊钢管》(GB/T13793-2008)25.本工程技术图纸技术总说明第6页共53页第5页共53页编号:时间:2021年x月x日书山有路勤为径,学海无涯苦作舟页码:第6页共53页三、材料1、材料的代用需经原设计单位或甲方批准,并办理代用手续,严禁随意代用。2、钢材、焊材、连接件、紧固件、涂料等均应全数检查质量合格证明文件、中文标志及检验报告等,其各项性能指标必须符合设计、标准、合同的要求,否则应予以拒收。材料应进行外观检查,并...

1、当您付费下载文档后,您只拥有了使用权限,并不意味着购买了版权,文档只能用于自身使用,不得用于其他商业用途(如 [转卖]进行直接盈利或[编辑后售卖]进行间接盈利)。
2、本站所有内容均由合作方或网友上传,本站不对文档的完整性、权威性及其观点立场正确性做任何保证或承诺!文档内容仅供研究参考,付费前请自行鉴别。
3、如文档内容存在违规,或者侵犯商业秘密、侵犯著作权等,请点击“违规举报”。

碎片内容

某钢铁基地项目主厂房钢结构施工组织设计

确认删除?
VIP
微信客服
  • 扫码咨询
会员Q群
  • 会员专属群点击这里加入QQ群
客服邮箱
回到顶部