电脑桌面
添加小米粒文库到电脑桌面
安装后可以在桌面快捷访问

天然气加气站竣工资料VIP免费

天然气加气站竣工资料_第1页
1/85
天然气加气站竣工资料_第2页
2/85
天然气加气站竣工资料_第3页
3/85
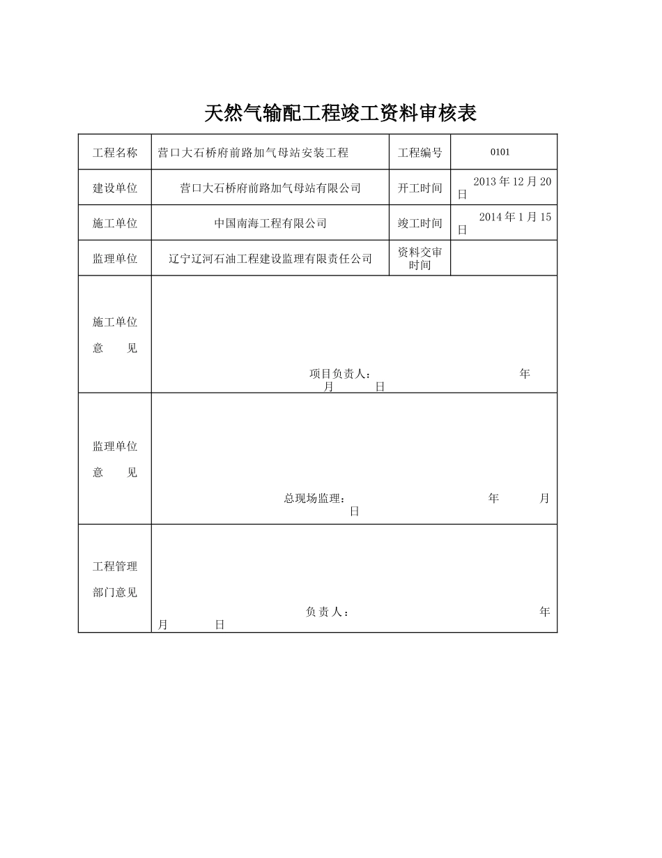
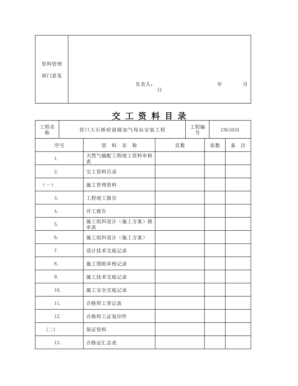
天然气输配工程竣工资料审核表工程名称营口大石桥府前路加气母站安装工程工程编号0101建设单位营口大石桥府前路加气母站有限公司开工时间2013年12月20日施工单位中国南海工程有限公司竣工时间2014年1月15日监理单位辽宁辽河石油工程建设监理有限责任公司资料交审时间施工单位意见项目负责人:年月日监理单位意见总现场监理:年月日工程管理部门意见负责人:年月日资料管理部门意见负责人:年月日交工资料目录工程名称营口大石桥府前路加气母站安装工程工程编号CNG1010序号资料名称页数张数备注1.天然气输配工程竣工资料审核表2.交工资料目录(一)施工管理资料3.工程竣工报告4.开工报告5.施工组织设计(施工方案)报审表6.施工组织设计(施工方案)7.设计技术交底记录8.施工图纸审核记录9.施工技术交底记录10.施工安全交底记录11.合格焊工登记表12.合格焊工证复印件(二)保证资料13.合格证汇总表14.设备、材料合格证复印件(三)施工技术资料15.管道焊接记录表16.管道焊口排布图17.焊缝表面质量检查记录18.焊缝射线探伤报告交工资料目录工程名称营口大石桥府前路加气母站安装工程工程编号CNG1010序号资料名称页数张数备注19.管道试压报告20.管道强度试验记录21.设备吹扫记录22.管道严密性实验记录23.设备检验记录24.设备安装记录25.阀门试验记录26.设备管道防腐、保温、保冷记录(四)工程评定资料27.分部工程质量评定表28.管道组对质量评定表19.管道焊接分部工程质量检验评定表30.管道吹扫及试压分部工程质量检验评定表31.室外燃气管道安装质量评定表(五)竣工图32.施工设计图(一)施工管理资料工程竣工报验单工程名称:营口大石桥府前路加气母站安装工程工程编号:CNG1010致:(监理单位)辽宁辽河石油工程建设监理有限责任公司我单位已完成营口大石桥府前路加气母站安装工程,按设计文件和有关规范进行了自检,质检合格,请予以审查和验收。附件:1、工程竣工报告承包单位(盖章)项目经理日期审查意见:经初步验收,该工程•符合/不符合我国现行法律、法规要求;•符合/不符合我国现行工程建设标准;•符合/不符合设计文件要求;•符合/不符合施工合同要求。综上所述,该工程初步验收合格/不合格,可以/不可以组织正式验收。项目监理机构(章)总监理工程师日期竣工报告工程名称营口大石桥府前路加气母站安装工程工程编号:CNG1010工程地点营口大石桥府前路工程类别安装开工日期2013年12月20曰竣工日期2014年1月15曰竣工工程内容一、设备安装:1、工艺设备:11台/套。(脱水装置,优先顺序控制盘,加臭装置,调压计量撬,地上储气瓶组机,压缩机1,2,3、回收罐、缓冲罐、排污罐);2、加气设备:6台/套。(加气机-1、加气机-2、加气机柱1;加气柱-2、加气柱-3、加气柱-4)二、工艺管道安装:(1076.75米)1、16Mn无缝钢管安装:Φ325×1020米、Φ159×6.55.米Φ133×612米Φ108×651.8米、Φ89×523米Φ57×575米、Φ32×4111.3米、Φ18×3.522米.Φ45×440米2、OCr18Ni9不锈钢管:Φ45×5171.8米、Φ25×4180.2米、Φ18×326.1米。3、阀门安装:77台。球阀(Dn300×2台、Dn150×3台Dn80×3台、Dn100×3台Dn125×3台Dn50×5台、Dn45×12台Dn40×9台Dn32×4台Dn20×15台、Dn8×6台、安全阀Dn40×3台、止回阀阀Dn45×3台、阻火器Dn50×2台、安全阀Dn50×1台、针阀Dn10×3台);4、管件安装:Φ325:法兰4片、无缝弯头1个;300/150异径三通3个125/100异径三通1个Φ159:法兰10片无缝弯头1个Φ125:法兰4片无缝弯头8个Φ108:法兰6片、无缝弯头8个Φ89:法兰6片、无缝弯头5个Φ57:法兰10片、无缝弯头21个;Φ32:无缝弯头25个;Φ45:不锈钢弯22个;Φ22:不锈钢弯头44个;Φ15:不锈钢弯头4个;检查评定施工单位监理单位建设单位单位公章项目负责人:年月日单位公章项目负责人:年月日单位公章项目负责人:年月日竣工报告工程名称营口大石桥府前路加气母站安装工程工程编号CNG1010工程地点营口大石桥府前路工程类别安装开工日期2013年12月20日竣工日期2014年1月15日竣工工程内容异径三通:Φ57×Φ57×Φ571个、Φ30×Φ30×Φ302个、Φ22×Φ22×Φ2221个、Φ10×Φ10×Φ103个...

1、当您付费下载文档后,您只拥有了使用权限,并不意味着购买了版权,文档只能用于自身使用,不得用于其他商业用途(如 [转卖]进行直接盈利或[编辑后售卖]进行间接盈利)。
2、本站所有内容均由合作方或网友上传,本站不对文档的完整性、权威性及其观点立场正确性做任何保证或承诺!文档内容仅供研究参考,付费前请自行鉴别。
3、如文档内容存在违规,或者侵犯商业秘密、侵犯著作权等,请点击“违规举报”。

碎片内容

天然气加气站竣工资料

确认删除?
VIP
微信客服
  • 扫码咨询
会员Q群
  • 会员专属群点击这里加入QQ群
客服邮箱
回到顶部