电脑桌面
添加小米粒文库到电脑桌面
安装后可以在桌面快捷访问

梁板构件的构造规定标准VIP免费

梁板构件的构造规定标准_第1页
1/10
梁板构件的构造规定标准_第2页
2/10
梁板构件的构造规定标准_第3页
3/10
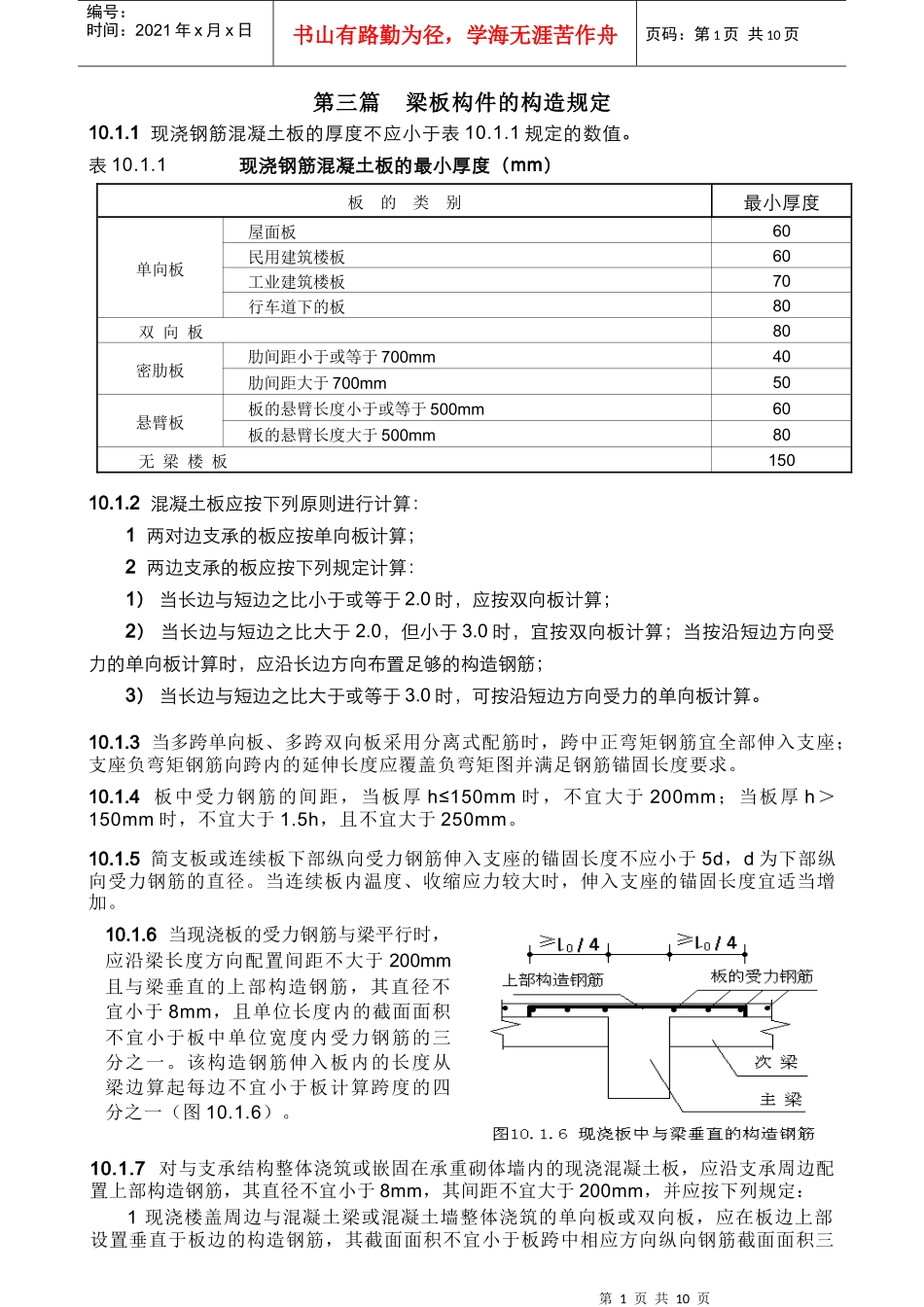
第1页共10页编号:时间:2021年x月x日书山有路勤为径,学海无涯苦作舟页码:第1页共10页第三篇梁板构件的构造规定10.1.1现浇钢筋混凝土板的厚度不应小于表10.1.1规定的数值。表10.1.1现浇钢筋混凝土板的最小厚度(mm)板的类别最小厚度单向板屋面板60民用建筑楼板60工业建筑楼板70行车道下的板80双向板80密肋板肋间距小于或等于700mm40肋间距大于700mm50悬臂板板的悬臂长度小于或等于500mm60板的悬臂长度大于500mm80无梁楼板15010.1.2混凝土板应按下列原则进行计算:1两对边支承的板应按单向板计算;2两边支承的板应按下列规定计算:1)当长边与短边之比小于或等于2.0时,应按双向板计算;2)当长边与短边之比大于2.0,但小于3.0时,宜按双向板计算;当按沿短边方向受力的单向板计算时,应沿长边方向布置足够的构造钢筋;3)当长边与短边之比大于或等于3.0时,可按沿短边方向受力的单向板计算。10.1.3当多跨单向板、多跨双向板采用分离式配筋时,跨中正弯矩钢筋宜全部伸入支座;支座负弯矩钢筋向跨内的延伸长度应覆盖负弯矩图并满足钢筋锚固长度要求。10.1.4板中受力钢筋的间距,当板厚h≤150mm时,不宜大于200mm;当板厚h>150mm时,不宜大于1.5h,且不宜大于250mm。10.1.5简支板或连续板下部纵向受力钢筋伸入支座的锚固长度不应小于5d,d为下部纵向受力钢筋的直径。当连续板内温度、收缩应力较大时,伸入支座的锚固长度宜适当增加。10.1.6当现浇板的受力钢筋与梁平行时,应沿梁长度方向配置间距不大于200mm且与梁垂直的上部构造钢筋,其直径不宜小于8mm,且单位长度内的截面面积不宜小于板中单位宽度内受力钢筋的三分之一。该构造钢筋伸入板内的长度从梁边算起每边不宜小于板计算跨度的四分之一(图10.1.6)。10.1.7对与支承结构整体浇筑或嵌固在承重砌体墙内的现浇混凝土板,应沿支承周边配置上部构造钢筋,其直径不宜小于8mm,其间距不宜大于200mm,并应按下列规定:1现浇楼盖周边与混凝土梁或混凝土墙整体浇筑的单向板或双向板,应在板边上部设置垂直于板边的构造钢筋,其截面面积不宜小于板跨中相应方向纵向钢筋截面面积三第2页共10页第1页共10页编号:时间:2021年x月x日书山有路勤为径,学海无涯苦作舟页码:第2页共10页分之一;该钢筋自梁边或墙边伸入板内的长度,在单向板中不宜小于受力方向板计算跨度的五分之一,在双向板中不宜小于板短跨方向计算跨度的四分之一;在板角处该钢筋应沿两个垂直方向布置或按放射状布置;当柱角或墙的阳角突出到板内且尺寸较大时,也应沿柱边或墙的阳角边布置构造钢筋,该构造钢筋伸入板内的长度应从柱边或墙边算起。上述上部构造钢筋应按受拉钢筋锚固在梁内、墙内或柱内;2嵌固在砌体墙内的现浇混凝土板,其上部与板垂直的构造钢筋伸入板内的长度,从墙边算起不宜小于板短边跨度的七分之一;在两边嵌固于墙内的板角部分,应配置双向上部构造钢筋,该钢筋伸入板内的长度从墙边算起不宜小于板短边跨度的四分之一;沿板的受力方向配置的上部构造钢筋,其截面面积不宜小于该方向跨中受力钢筋截面面积的三分之一;沿非受力方向配置的上部构造钢筋,可根据经验适当减少。10.1.8当按单向板设计时,除沿受力方向布置钢筋外,尚应在垂直受力方向布置分布钢筋。单位长度上分布钢筋的截面面积不宜小于单位宽度上受力钢筋截面面积的15%,且不宜小于该方向板截面面积的0.15%;分布钢筋的间距不宜大于250mm,直径不宜小于6mm;对集中荷载较大的情况,分布钢筋的截面面积应适当加大,其间距不宜大于200mm。注:当有实践经验或可靠措施时,预制单向板的分布钢筋可不受本条限制。10.1.9在温度、收缩应力较大的现浇板区域内,钢筋间距宜取为150~200mm,并应在板的未配筋表面布置温度收缩钢筋。板的上、下表面沿纵横两个方向的配筋率均不宜小于0.1%。温度收缩钢筋可利用原有钢筋贯通布置,也可另行设置构造钢筋网,并与原有钢筋按受拉钢筋的要求搭接或在周边构件中锚固。10.1.10混凝土板中配置抗冲切箍筋或弯起钢筋时,应符合下列构造要求:1板的厚度不应小于150mm;2按计算所需的箍筋及相应的架立钢筋应配置在与45°冲切破坏锥面相交的范围内,且从集中荷...

1、当您付费下载文档后,您只拥有了使用权限,并不意味着购买了版权,文档只能用于自身使用,不得用于其他商业用途(如 [转卖]进行直接盈利或[编辑后售卖]进行间接盈利)。
2、本站所有内容均由合作方或网友上传,本站不对文档的完整性、权威性及其观点立场正确性做任何保证或承诺!文档内容仅供研究参考,付费前请自行鉴别。
3、如文档内容存在违规,或者侵犯商业秘密、侵犯著作权等,请点击“违规举报”。

碎片内容

梁板构件的构造规定标准

您可能关注的文档

确认删除?
VIP
微信客服
  • 扫码咨询
会员Q群
  • 会员专属群点击这里加入QQ群
客服邮箱
回到顶部