电脑桌面
添加小米粒文库到电脑桌面
安装后可以在桌面快捷访问

110kV输电工程可行性研究报告VIP免费

110kV输电工程可行性研究报告_第1页
1/18
110kV输电工程可行性研究报告_第2页
2/18
110kV输电工程可行性研究报告_第3页
3/18
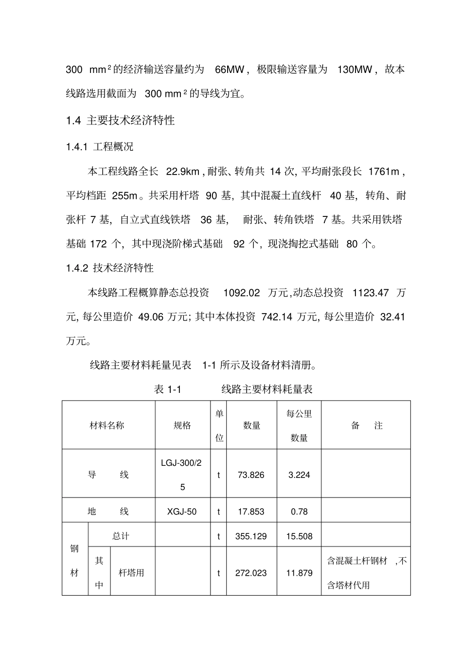
1总述1.1建设必要性灌阳县与湖南道县交界,在与道县交界的文市镇为灌阳县近年来新兴工业重镇,该镇蕴藏较丰富的矿产资源,从而带动了该地区的采矿、冶金加工等工业发展。灌阳县位于广西省东北最末端,仅有一回小截面110kV线路与南方电网联网,枯水季节电能质量和供电可靠性极差,但本地水利资源丰富,周边小水电众多,丰水季节有富余的电能可以外送。水电站集中的文市镇本期拟新建110kV变电站,由于文市变与永州电网的寿雁变相距仅20余公里,灌阳县当地政府和电力公司迫切要求与永州电网联网,以彻底解决灌阳县的供电问题。本线路工程设计依据是根据诚恒电力开发有限公司和广西水利电业集团有限公司签定的并网原则性协议。协议中该线路在丰水期从广西向湖南输电容量约80MW,枯水季节湖南向广西输送约40MW容量,工程为实现电路互补,缓解电力供需矛盾起到了重要作用。1.2设计范围和建设规模1.2.1输电线路线路起自寿雁变110kV龙门架,止于仙子脚镇湖广分界线,线路全长22.9km。导线采用LGJ-300/25型钢芯铝铰线,地线采用XGJ-50(1×7-9.0-1270-B)型锌铝稀土合金镀层钢绞线,地线逐基直接接地,线路采用单回路架设,本工程一次性架设完成。1.2.2配套间隔寿雁变电站为35kV变电站就地升压的110kV变电站。在工程建设之初,考虑寿雁110kV变电站建成后将作为一个终端变电站运行,其110kV进线在寿雁侧无保护,110kV进线间隔只上了一个隔离开关和II段母线。为保证顺利向灌阳县输送电能,需完善寿雁变的相关配套工程。寿雁至灌阳110kV线路由寿雁110kV变电站出线,相应的配套工程量如下:1.寿雁110kV变扩建110kV出线间隔1个。2.由于寿雁变至濂溪220kV变的110kV出线间隔只有1组隔离开关及线路电压互感器,本期须完善。3.为利于二期扩建工程的建设,本期新上一个110kV分段隔离开关。(详见附图二电气一次主接线图和附图三电气总平面布置图)1.3线路输送容量及导线截面选择根据系统论证和计算,本线路预测输送容量约为70MW,而截面为300mm2的经济输送容量约为66MW,极限输送容量为130MW,故本线路选用截面为300mm2的导线为宜。1.4主要技术经济特性1.4.1工程概况本工程线路全长22.9km,耐张、转角共14次,平均耐张段长1761m,平均档距255m。共采用杆塔90基,其中混凝土直线杆40基,转角、耐张杆7基,自立式直线铁塔36基,耐张、转角铁塔7基。共采用铁塔基础172个,其中现浇阶梯式基础92个,现浇掏挖式基础80个。1.4.2技术经济特性本线路工程概算静态总投资1092.02万元,动态总投资1123.47万元,每公里造价49.06万元;其中本体投资742.14万元,每公里造价32.41万元。线路主要材料耗量见表1-1所示及设备材料清册。表1-1线路主要材料耗量表材料名称规格单位数量每公里数量备注导线LGJ-300/25t73.8263.224地线XGJ-50t17.8530.78钢材总计t355.12915.508其中杆塔用t272.02311.879含混凝土杆钢材,不含塔材代用拉线用t4.6880.205不含底拉盘钢材,拉棒拉盘环基础用t55.8882.441不含金具等接地用ф10-ф12t22.530.984包括接地引下件金具拉线金具t3.6150.158挂线金具t8.2310.359间隔棒付防振锤FR-3FR-1个1181.751.603含损耗绝缘子个5856.84255.757含损耗混凝土总计m3998.91743.621现浇混凝土m3878.238.349保护帽沙浆m3底拉盘混凝土m325.2451.102水泥杆混凝土m395.4724.169砂石灌浆垫层m3水泥t375.70116.406含底拉盘,混凝土电杆,垫层及护坡砂m3516.31822.547含底拉盘,混凝土电杆,垫层及护坡卵石(块石)m3916.18340.008含底拉盘,混凝土电杆,垫层及护坡2路径方案本工程选线和方案确定遵循以下几个原则:(1)在城镇规划区按规划要求走线;(2)尽量避开成片居民区,少跨房屋。⑶少占用耕地。本线路根据线路的地理位置不同做了Ⅰ、Ⅱ两个比较方案,如下所述。2.1方案Ⅰ:2.1.1路径说明本方案线路从寿雁变110kV龙门架出线后连续两次右转,前行约600米再右转,跨过一条公路至杨家左转,然后线路经毫福至保田右转,再经黄田岗、福田等地至仙子脚镇南面约1公里的地方左转,接着线路横过一片田垄、经省跃进机械厂北面至烟竹坪右转,线路再一直前行抵达湖广分界点。曲折系数1.20。2.1.2地形与地貌本方案地形多为丘陵泥沼,高程在1...

1、当您付费下载文档后,您只拥有了使用权限,并不意味着购买了版权,文档只能用于自身使用,不得用于其他商业用途(如 [转卖]进行直接盈利或[编辑后售卖]进行间接盈利)。
2、本站所有内容均由合作方或网友上传,本站不对文档的完整性、权威性及其观点立场正确性做任何保证或承诺!文档内容仅供研究参考,付费前请自行鉴别。
3、如文档内容存在违规,或者侵犯商业秘密、侵犯著作权等,请点击“违规举报”。

碎片内容

110kV输电工程可行性研究报告

您可能关注的文档

确认删除?
VIP
微信客服
  • 扫码咨询
会员Q群
  • 会员专属群点击这里加入QQ群
客服邮箱
回到顶部