电脑桌面
添加小米粒文库到电脑桌面
安装后可以在桌面快捷访问

安保系统方案#(精选.)VIP免费

安保系统方案#(精选.)_第1页
1/8
安保系统方案#(精选.)_第2页
2/8
安保系统方案#(精选.)_第3页
3/8
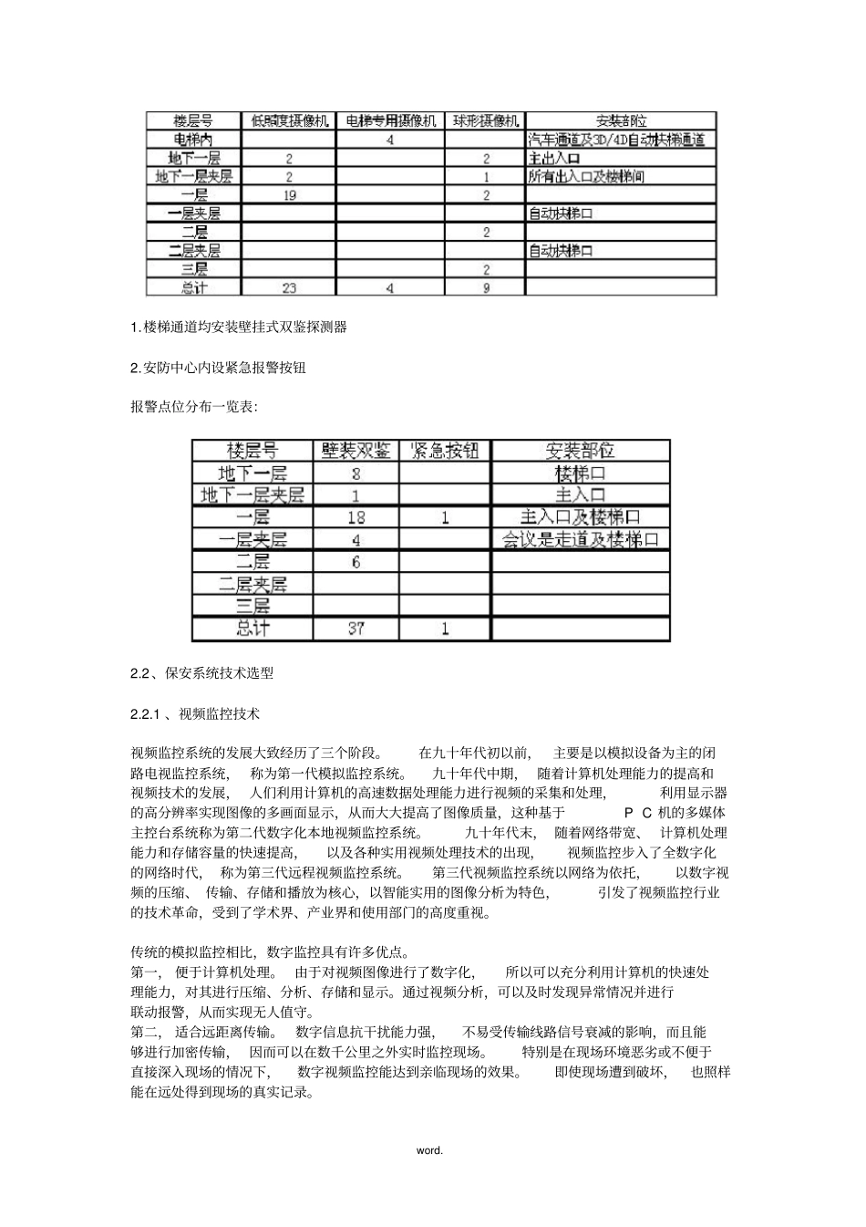
word.安保系统方案2008-04-2211:23综合安保系统解决方案一、项目概况1.1、概况1.2、安保系统的意义随着经济水平和科学技术的飞快发展,人们对安全防范要求也越来越高。为了对付各种各样的经济刑事犯罪,保护国家和人民群众的生命财产的安全,保证各行各业和国家重点部门的正常运转,采用高科技手段预防和制止犯罪已成为保安领域里的共识。八十年代末到九十年代中,随着国外各种新型安保观念的引入,各行各业及居民小区纷纷建立起了各自独立的闭路电视监控系统或报警联网系统,特别是在银行、通讯、电力等国家重点部门,安保系统网络已基本形成,对预防和制止犯罪,维护社会稳定起到了巨大作用。1.3、项目设计目标及整体要求安保系统的设计、建设目标为:省级领先、适度超前。设计方案应充分考虑中心近期需求和将来展品更新、调整或发展升级或功能变更的需求,使之既能适应现在,又能面向未来,保证10~15年的应用需求。二、系统设计依据与思路2.1、系统设计原则和依据2.1.1、设计原则1.合法性:方案设计符合国家、行业的有关规定和公安部门有关安全技术防范要求。2.实用性:方案设计满足招标文件要求,充分考虑到各监控部位使用要求,使系统的功能尽可能的完善并充分加以利用。3.可靠性:系统设计、设备选型、调试、安装等环节都将严格贯彻质量条例,完全符合标书和国家、行业的有关标准及公安部门有关安全技术防范要求。4.先进性:在系统设计中,我们充分考虑安防领域技术的发展,参考目前安防设备的发展水平,在设备上选用主流产品,确保系统在国内处于领先地位。word.5.可扩充性:无论任何一个工程,我们都将本着长远的观点,使系统可扩展,容量可扩充。在强调技防措施分层次周密考虑的前提下,积极认真地结合保卫部门制定的各项人防、物防措施和规章制度、建议和提醒增强重要场所的物防手段,使技防、人防、物防三者有机结合,确保建立一个完整的安全防范体系。2.1.2、设计标准和依据1.设计标准设计符合下列中华人民共和国公共安全国家标准、公安部标准和行业标准:1)、《工业电视系统工程设计规范》GBJ115-87(国家标准)2)、《30HZ-1GHZ声音和电视信号电缆分配系统》GB/T6510(国家标准)3)、《报警图像信号有线传输装置》GB/T16677-1996(国家标准)4)、《防盗报警控制器通用技术条件》GB12663-90(国家标准)5)、《防盗报警中心控制台》GB/T16572-1996(国家标准)6)、《安全防范工程程序与要求》GA/T75-94(公安部标准)7)、《安全防范系统通用图形符号》GA/T74-96(公安部标准)8)、《安全防范工程费用概预算编制方法》GA/T70-94(公安部标准)9)、《安全技术防范产品管理办法》公安部第12号令10)、《民用建筑电气设计规范》CBTCB/T16-92(行业标准)11)、《民用建筑电气设计规范》JGJ/T16-92(行业标准)12)、《智能建筑设计标准》DBJ08-47-95(行业标准)13)、《商用建筑线缆标准》EIA/TIA-569(行业标准)若上述条例和规范有不足之处,我公司将采用各种方法,令所有材料及安装符合最新、最普通的适合于国际的标准规范。2.1.3、布点原则整个工程实现全方位防护,重要出入口应处于报警和监控系统的监控范围内并能不间断录像。在接收报警信号的同时,可以识别报警信号的性质并在屏幕上显示;记录功能可以显示报警时间及处置方案,并可打印记录;中心控制室与110接警中心联网。2.1.3.1、电视监控系统监控点设置2.1.3.2、防盗报警及周界防范系统防盗报警系统及周边报警系统主要由科技馆室内的红外报警组成。本系统采用美国安定宝VISTA-120报警主机,结合红外微波双鉴等多种采用不同技术的探测器;建立多层次全方位的安全防盗报警系统。各点具体布置如下:word.1.楼梯通道均安装壁挂式双鉴探测器2.安防中心内设紧急报警按钮报警点位分布一览表:2.2、保安系统技术选型2.2.1、视频监控技术视频监控系统的发展大致经历了三个阶段。在九十年代初以前,主要是以模拟设备为主的闭路电视监控系统,称为第一代模拟监控系统。九十年代中期,随着计算机处理能力的提高和视频技术的发展,人们利用计算机的高速数据处理能力进行视频的采集和处理,利用显示器的高分辨率实...

1、当您付费下载文档后,您只拥有了使用权限,并不意味着购买了版权,文档只能用于自身使用,不得用于其他商业用途(如 [转卖]进行直接盈利或[编辑后售卖]进行间接盈利)。
2、本站所有内容均由合作方或网友上传,本站不对文档的完整性、权威性及其观点立场正确性做任何保证或承诺!文档内容仅供研究参考,付费前请自行鉴别。
3、如文档内容存在违规,或者侵犯商业秘密、侵犯著作权等,请点击“违规举报”。

碎片内容

安保系统方案#(精选.)

您可能关注的文档

确认删除?
VIP
微信客服
  • 扫码咨询
会员Q群
  • 会员专属群点击这里加入QQ群
客服邮箱
回到顶部