电脑桌面
添加小米粒文库到电脑桌面
安装后可以在桌面快捷访问

内部审核员培训课件VIP免费

内部审核员培训课件_第1页
1/43
内部审核员培训课件_第2页
2/43
内部审核员培训课件_第3页
3/43
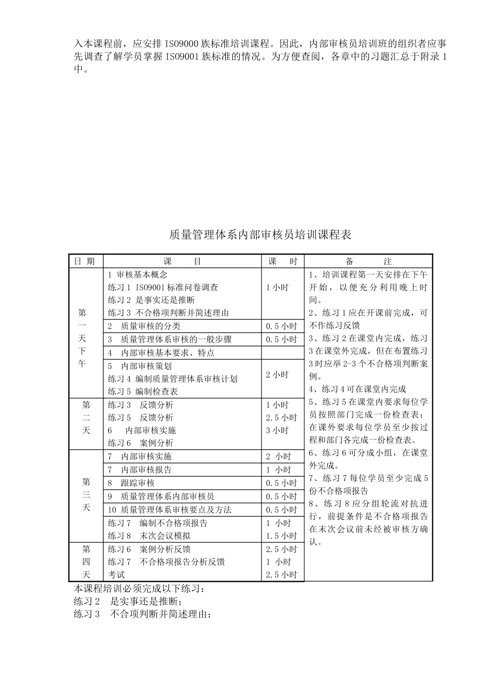
质量管理体系内部审核员培训教程前言本书旨在帮助企业按照ISO9001标准有效开展内部审核工作,并作为质量管理体系内部审核员培训教材。本书注重内部审核的规范性、实用性和有效性。规范性方面主要参照了IQA认可的质量管理体系内部审核员教程;实用性方面主要是根据作者多年来从事质量审核工作的实践经验和研究心得;有效性方面主要是作者在对众多企业质量、环境管理体系咨询、认证过程中分析、评价的基础上形成的原则及做法。内部审核作为企业管理的检查工具不能仅停留在符合性方面,而应以有效性为重点;不能仅局限于ISO9001标准范围,而应扩大到其他需要检查的领域。企业通过每次内部审核应能导致质量改进行为并取得成果,使企业成为最大的受益者。但任何检查工具,只有正确使用,才能达到预期效果。为此作为内部审核员,必须具备二个前提条件:(1)正确理解并掌握选定的ISO9000族标准和企业质量管理体系要求;(2)正确掌握使用审核的原则、方法和技巧。参加本课程培训,通常要求学员已经过ISO9000族标准培训或学习。否则,在进入本课程前,应安排ISO9000族标准培训课程。因此,内部审核员培训班的组织者应事先调查了解学员掌握ISO9001族标准的情况。为方便查阅,各章中的习题汇总于附录1中。质量管理体系内部审核员培训课程表日期课目课时备注第一天下午1审核基本概念练习1ISO9001标准问卷调查练习2是事实还是推断练习3不合格项判断并简述理由1小时1、培训课程第一天安排在下午开始,以便充分利用晚上时间。2、练习1应在开课前完成,可不作练习反馈3、练习2在课堂内完成,练习3在课堂外完成,但在布置练习3时应举2-3个不合格项判断案例。4、练习4可在课堂内完成5、练习5在课堂内要求每位学员按照部门完成一份检查表;在课外要求每位学员至少按过程和部门各完成一份检查表。6、练习6可分成小组,在课堂外完成。7、练习7每位学员至少完成5份不合格项报告8、练习8应分组轮流对抗进行,前提条件是不合格项报告在末次会议前未经被审核方确认。2质量审核的分类0.5小时3质量管理体系审核的一般步骤0.5小时4内部审核基本要求、特点5内部审核策划练习4编制质量管理体系审核计划练习5编制检查表2小时第二天练习3反馈分析练习5反馈分析6内部审核实施练习6案例分析1小时2.5小时3小时第三天7内部审核实施2小时7内部审核报告1小时8跟踪审核0.5小时9质量管理体系内部审核员0.5小时10质量管理体系审核要点及方法0.5小时练习7编制不合格项报告练习8末次会议模拟1小时1.5小时第四天练习6案例分析反馈练习7不合格项报告分析反馈考试2.5小时1小时2.5小时本课程培训必须完成以下练习:练习2是实事还是推断;练习3不合项判断并简述理由;练习5编制检查表;练习6案例练习7编制不合格项报告。其他练习是否做由教员决定。通过本课程培训合格的基本条件是:练习成绩70分,考试成绩70分,平均成绩70分。为保证本课程的培训效果,应控制培训班学员人数,一般以20-35人为宜,培训时间不得少于16小时。本书是在第二版基础上修订而成。第二版已在一千多家企业使用,效果良好。同时,作者收集了许多同仁和企业的使用意见,为求使本书更加完善和实用。在此,对关心本书的所有同仁、企业表示衷心感谢。作者2001年1月目录1审核的基本概念…………………………………………………………………………………11.1审核的定义及理解…………………………………………………………………………1.2与审核相关的几个概念……………………………………………………………………2质量审核的分类…………………………………………………………………………….…2.1审核对象分类法…………………………………………………………………….……2.2审核方分类法…………………………………………………………………………….2.3审核范围分类法………………………………………………………………………...3质量管理体系审核的一般步骤……………………………………………………………….3.1第一方审核(内部质量审核)的步骤………………………………………………….…3.2第二方审核的步骤…………………………………………………………...

1、当您付费下载文档后,您只拥有了使用权限,并不意味着购买了版权,文档只能用于自身使用,不得用于其他商业用途(如 [转卖]进行直接盈利或[编辑后售卖]进行间接盈利)。
2、本站所有内容均由合作方或网友上传,本站不对文档的完整性、权威性及其观点立场正确性做任何保证或承诺!文档内容仅供研究参考,付费前请自行鉴别。
3、如文档内容存在违规,或者侵犯商业秘密、侵犯著作权等,请点击“违规举报”。

碎片内容

内部审核员培训课件

您可能关注的文档

海纳百川+ 关注
实名认证
内容提供者

热爱教学事业,对互联网知识分享很感兴趣

相关文档

确认删除?
VIP
微信客服
  • 扫码咨询
会员Q群
  • 会员专属群点击这里加入QQ群
客服邮箱
回到顶部