电脑桌面
添加小米粒文库到电脑桌面
安装后可以在桌面快捷访问

中级眼镜验光员操作技能考核试卷VIP免费

中级眼镜验光员操作技能考核试卷_第1页
1/7
中级眼镜验光员操作技能考核试卷_第2页
2/7
中级眼镜验光员操作技能考核试卷_第3页
3/7
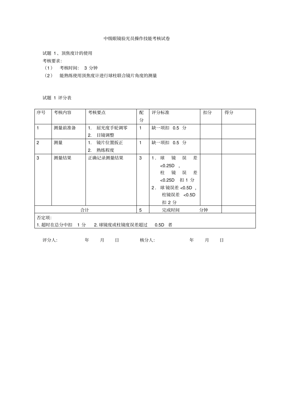
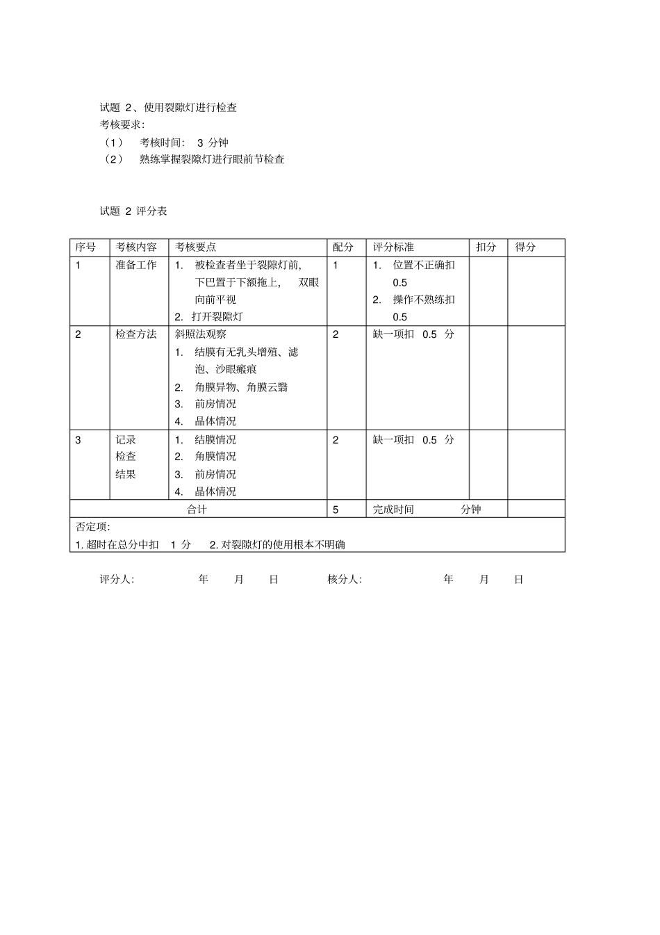
中级眼镜验光员操作技能考核试卷试题1、顶焦度计的使用考核要求:(1)考核时间:3分钟(2)能熟练使用顶焦度计进行球柱联合镜片角度的测量试题1评分表序号考核内容考核要点配分评分标准扣分得分1测量前准备1.屈光度手轮调零2.目镜调整1缺一项扣0.5分2测量1.镜片位置扳正2.熟练程度1缺一项扣0.5分3测量结果正确记录测量结果31.球镜误差<0.25D,柱镜误差<0.25D扣1分2.球镜误差<0.5D,柱镜误差<0.5D扣2分合计5完成时间分钟否定项:1.超时在总分中扣1分2.球镜度或柱镜度误差超过0.5D者评分人:年月日核分人:年月日试题2、使用裂隙灯进行检查考核要求:(1)考核时间:3分钟(2)熟练掌握裂隙灯进行眼前节检查试题2评分表序号考核内容考核要点配分评分标准扣分得分1准备工作1.被检查者坐于裂隙灯前,下巴置于下额拖上,双眼向前平视2.打开裂隙灯11.位置不正确扣0.52.操作不熟练扣0.52检查方法斜照法观察1.结膜有无乳头增殖、滤泡、沙眼瘢痕2.角膜异物、角膜云翳3.前房情况4.晶体情况2缺一项扣0.5分3记录检查结果1.结膜情况2.角膜情况3.前房情况4.晶体情况2缺一项扣0.5分合计5完成时间分钟否定项:1.超时在总分中扣1分2.对裂隙灯的使用根本不明确评分人:年月日核分人:年月日试题3、带壮光检影镜检影验光考核要求:(1)考核时间:5分钟(2)熟练掌握检影镜的使用方法试题3评分表序号考核内容考核要点配分评分标准扣分得分1准备工作1.暗室2.选择视标3.配戴试镜架4.打开检影镜电源51.视标错定扣1分2.3、4条酌情2检影1.熟练程度2.光带轴位的变换3.镜片的选择4.中和点的确认25酌情处理3检影结果记录检影结果101.球镜误差<0.25D,柱镜<0.25D不扣分2.柱镜误差大于0.25D小于0.5D扣5分合计40完成时间分钟否定项:1.超时在总分中扣1分2.球镜、柱镜误差大于0.75D评分人:年月日核分人:年月日试题4、开具标准处方考核要求:(1)考核时间:2分钟(2)熟练掌握处方的内容及处方格式试题4评分表序号考核内容考核要点配分评分标准扣分得分1处方格式1.应包括姓名、性别、年龄2.右眼屈光度3.左眼屈光度4.瞳距5.矫正视力6.验光员签名12缺一项扣2分2处方内容1.正确使用处方符号2.内容要与验光结果相符8错误一项扣4分合计20完成时间分钟否定项:1.记录结果与验光结果不相符2.超时在总分中扣1分评分人:年月日核分人:年月日试题5、瞳距仪的使用考核要求:(1)考核时间:3分钟(2)熟练掌握瞳距仪的使用试题5评分表序号考核内容考核要点配分评分标准扣分得分1准备工作1.按要求将注视距离键调整到注视距离数值∞或30mm标记的位置上2.打开电源开关2缺一项扣1分2进行测量1.将瞳距仪轻轻放置于患者头部2.嘱患者注视里面视标3.验光员进行调整可调键4.读取结果61.不熟练扣2分2.缺一项扣1分3记录结果分别记录:右眼PD左眼PD单位:mm2记录错误扣2分合计10完成时间分钟否定项:1.超时在总分中扣1分2.结果误差2mm评分人:年月日核分人:年月日试题6、隐形眼镜的摘戴考核要求:(1)考核时间:5分钟(2)熟练掌握隐形眼镜的规范摘戴试题6评分表序号考核内容考核要点配分评分标准扣分得分1准备工作1.洗手2.观察镜片,包括有无破损、反正、异物等2缺一项扣1分2戴镜1.眼配师站于配戴者或后方2.嘱其仰面,双眼睁开向下注视3.左手食指或中指扒开上脸,右手中指扒开下脸4.右手食指将镜片置在上方球结膜上5.嘱配戴眼向前放开右手中指,然后放开左手5缺漏1项扣5分3摘镜1.嘱代镜者向下看2.右手中指扒开下脸,以食指将镜片移到下方结膜上3.拇指与食指挤捏镜片,将其取下4.清洁、冲洗、放好镜片3缺漏1项扣1分合计10完成时间分钟否定项:1.超时在总分中扣1分2摘戴失败评分人:年月日核分人:年月日试题7、隐形眼镜的配适评估考核标准:(1)考核时间:5分钟(2)熟练应用裂隙灯,进行隐形眼镜配适的评估试题7评估表序号考核内容考核要点配分评分标准扣分得分1准备工作1.被检者将下额拖上2.打开电源2漏项扣2分2检查1.覆盖度2.中心定位3.移动度6缺一项扣2分3记录结果将检查结果记录2记录错误或无记录扣2分合计10完成时间分钟否定项:1.超时在总分中扣1分2.不能评价评分人:年月日核分人:年月日

1、当您付费下载文档后,您只拥有了使用权限,并不意味着购买了版权,文档只能用于自身使用,不得用于其他商业用途(如 [转卖]进行直接盈利或[编辑后售卖]进行间接盈利)。
2、本站所有内容均由合作方或网友上传,本站不对文档的完整性、权威性及其观点立场正确性做任何保证或承诺!文档内容仅供研究参考,付费前请自行鉴别。
3、如文档内容存在违规,或者侵犯商业秘密、侵犯著作权等,请点击“违规举报”。

碎片内容

中级眼镜验光员操作技能考核试卷

您可能关注的文档

确认删除?
VIP
微信客服
  • 扫码咨询
会员Q群
  • 会员专属群点击这里加入QQ群
客服邮箱
回到顶部