电脑桌面
添加小米粒文库到电脑桌面
安装后可以在桌面快捷访问

安装工程计量与计价_例题VIP免费

安装工程计量与计价_例题_第1页
1/26
安装工程计量与计价_例题_第2页
2/26
安装工程计量与计价_例题_第3页
3/26
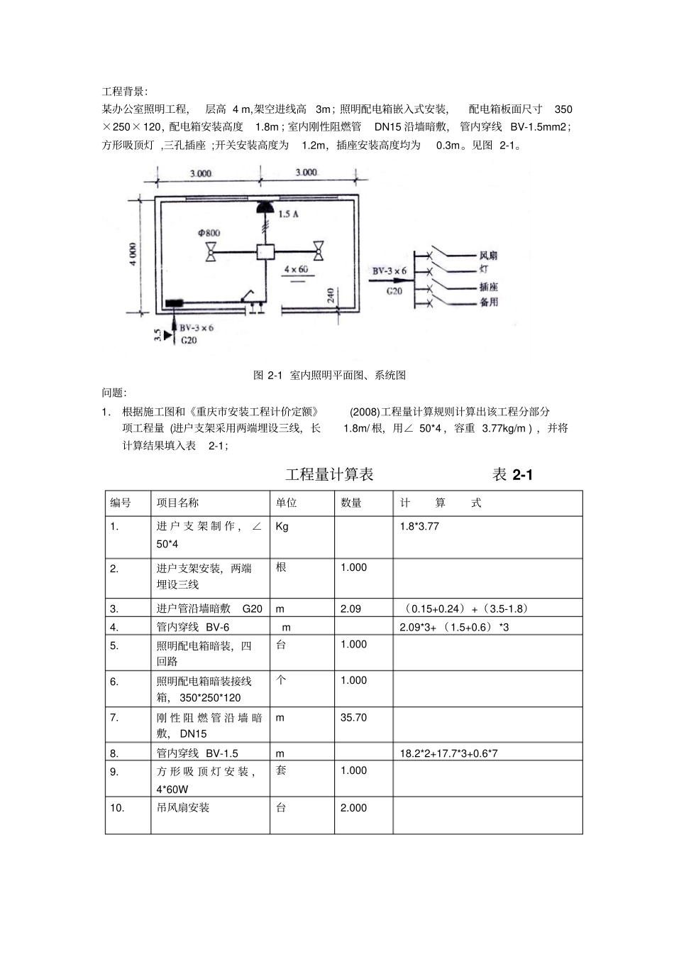
工程背景:某办公室照明工程,层高4m,架空进线高3m;照明配电箱嵌入式安装,配电箱板面尺寸350×250×120,配电箱安装高度1.8m;室内刚性阻燃管DN15沿墙暗敷,管内穿线BV-1.5mm2;方形吸顶灯,三孔插座;开关安装高度为1.2m,插座安装高度均为0.3m。见图2-1。图2-1室内照明平面图、系统图问题:1.根据施工图和《重庆市安装工程计价定额》(2008)工程量计算规则计算出该工程分部分项工程量(进户支架采用两端埋设三线,长1.8m/根,用∠50*4,容重3.77kg/m),并将计算结果填入表2-1;工程量计算表表2-1编号项目名称单位数量计算式1.进户支架制作,∠50*4Kg1.8*3.772.进户支架安装,两端埋设三线根1.0003.进户管沿墙暗敷G20m2.09(0.15+0.24)+(3.5-1.8)4.管内穿线BV-6m2.09*3+(1.5+0.6)*35.照明配电箱暗装,四回路台1.0006.照明配电箱暗装接线箱,350*250*120个1.0007.刚性阻燃管沿墙暗敷,DN15m35.708.管内穿线BV-1.5m18.2*2+17.7*3+0.6*79.方形吸顶灯安装,4*60W套1.00010.吊风扇安装台2.00011.单控单联板式暗开关套1.00012.单项三孔暗插座,1.5A套1.00013.塑料接线盒暗装个4.0002+1+114.塑料开关盒、插座盒、灯头盒暗装个7.0003+1+3工程背景:某办公楼室内给排水安装工程量清单如下表1-1所示。经公司研究按照招标文件要求依据《重庆市安装工程计价定额》(2008)和《重庆市建设工程费用定额》(2008)进行投标报价。相关费用及费率如下:人工单价:50元/工日;规费费率:25.83%;安全文明施工专项费费率7%;工程定额测定费费率0.14%;税金费率3.41%;管理费费率60%;利润费率40%;暂不考虑风险因素。分部分项工程量清单表1-1序号项目编码项目名称计量单位工程数量1.030801001001镀锌钢管;安装部位:室内输送介质:给水材质:镀锌钢管型号、规格:DN40套管形式、材质、规格:塑料套管DN50,50个工作内容:管道、管件安装;套管制作、安装;给水管道消毒、冲洗;水压及泄露试验m650.002.030803001001螺纹阀门;类型:螺纹阀门。材质:不锈钢型号、规格:DN40工作内容:1.安装个12.00表1-2定额编号项目名称单位基价其中未计价材料人工费材料费机械费名称、规格单位消耗量CH0123镀锌钢管,螺纹链接,室内给水DN4010m97.0769.6926.450.93镀锌钢管DN40m10.200CH0363塑料套管制作、安装DN50个7.093.473.62/塑料管DN50m0.310CH0444给水管道消毒冲洗DN50内100m23.9813.8310.15/CH0457螺纹阀门安装个12.136.555.58/螺纹阀门DN40个1.010问题:(1)请按照《重庆市安装工程计价定额》(2008)以及《重庆市建设工程费用定额》(2008)工程量清单计价格式,计算分部分项工程综合单价。(10分)条件:①《重庆市安装工程计价定额》(2008)相关内容见表1-2;②相关主材单价如下:镀锌钢管DN4021.50元/m;塑料管DN505.8元/m;螺纹阀门DN4085元/个④《重庆市安装工程计价定额》(2008)人工基价28元/工日。条件:①措施项目费合计为6800.00元,其他项目费合计为5600.00元;(3)答:工程量清单的作用是:①为投标者提供一个公开、公平、公正的竞争环境;(1分)②约束招标投标双方的计价行为。是计价和评标的基础;(1分)③为支付工程进度款提供依据;(1分)④为办理竣工结算及工程索赔提供依据;(1分)(4)工程量清单标准格式,由工程量清单说明与工程量清单表格两大部分组成;(2分)(5)答:清单项目特征,其作用是描述项目名称;(1分)如描述项目所在工程部位、名称、类型、施工工艺、材料品种、规格和型号等;(1分)它是设置项目的主要依据,它影响项目实体价值(或价格),是形成工程造价的主要因素;(1分)特征描述必须准确、清楚和完善,否则影响招标与计价;(1分)工程背景:某室内给排水安装工程,如下图3-1所示。给水管道为PP-R管热熔连接,排水管道为承插塑料排水管零件粘接,穿墙套管为塑料套管,直冲式手押阀蹲式大便器,磁洗手盆,墙厚按照240mm。图3-1室内给排水平面图、系统图问题:(1)请按照《重庆市安装工程计价定额》(2008)计算分项工程量(2)请按照《建设工程工程量清单计价规范》(2008)编制分部分项工程量清单工程背景:某办公楼电气安装工程量清单如下表1-1所示。经公司研究按照...

1、当您付费下载文档后,您只拥有了使用权限,并不意味着购买了版权,文档只能用于自身使用,不得用于其他商业用途(如 [转卖]进行直接盈利或[编辑后售卖]进行间接盈利)。
2、本站所有内容均由合作方或网友上传,本站不对文档的完整性、权威性及其观点立场正确性做任何保证或承诺!文档内容仅供研究参考,付费前请自行鉴别。
3、如文档内容存在违规,或者侵犯商业秘密、侵犯著作权等,请点击“违规举报”。

碎片内容

安装工程计量与计价_例题

确认删除?
VIP
微信客服
  • 扫码咨询
会员Q群
  • 会员专属群点击这里加入QQ群
客服邮箱
回到顶部