电脑桌面
添加小米粒文库到电脑桌面
安装后可以在桌面快捷访问

某啤酒企业安全生产管理岗位说明书VIP免费

某啤酒企业安全生产管理岗位说明书_第1页
1/3
某啤酒企业安全生产管理岗位说明书_第2页
2/3
某啤酒企业安全生产管理岗位说明书_第3页
3/3
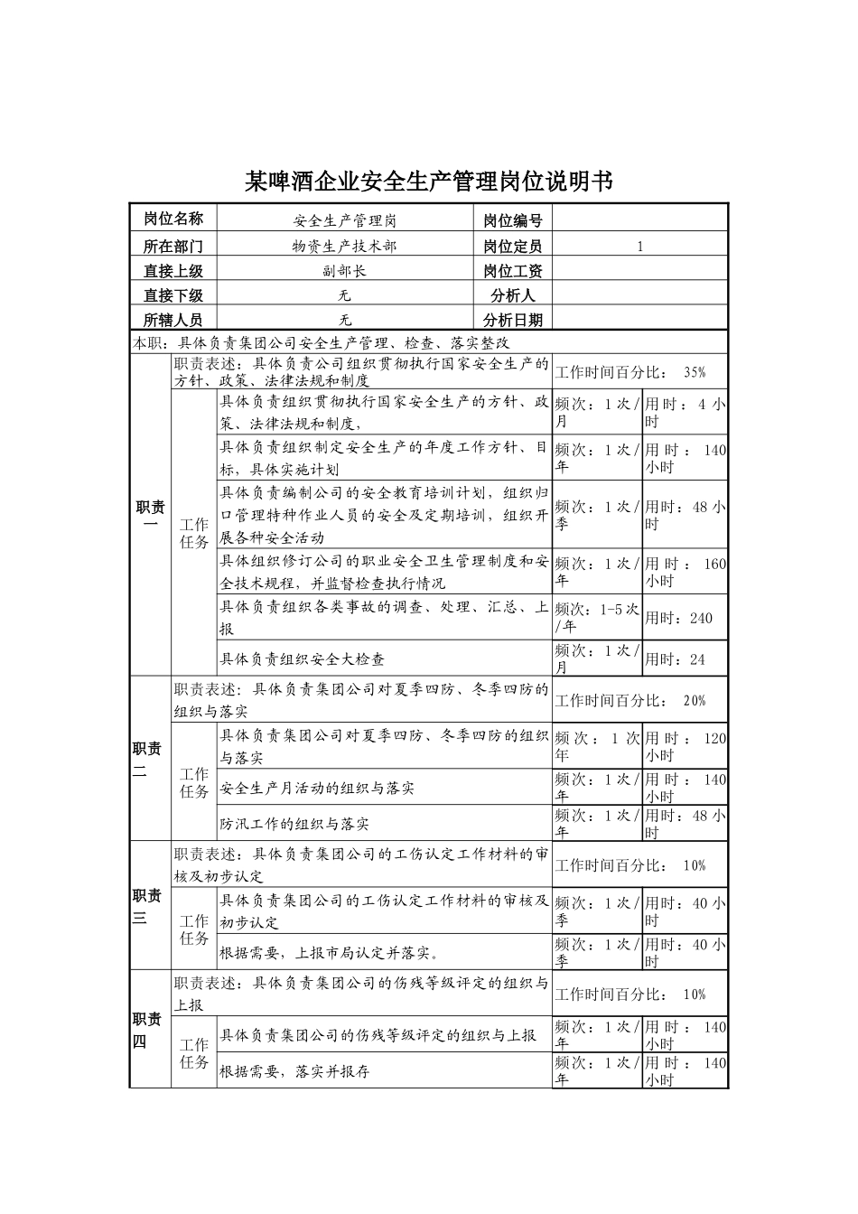
某啤酒企业安全生产管理岗位说明书岗位名称安全生产管理岗岗位编号所在部门物资生产技术部岗位定员1直接上级副部长岗位工资直接下级无分析人所辖人员无分析日期本职:具体负责集团公司安全生产管理、检查、落实整改职责一职责表述:具体负责公司组织贯彻执行国家安全生产的方针、政策、法律法规和制度工作时间百分比:35%工作任务具体负责组织贯彻执行国家安全生产的方针、政策、法律法规和制度,频次:1次/月用时:4小时具体负责组织制定安全生产的年度工作方针、目标,具体实施计划频次:1次/年用时:140小时具体负责编制公司的安全教育培训计划,组织归口管理特种作业人员的安全及定期培训,组织开展各种安全活动频次:1次/季用时:48小时具体组织修订公司的职业安全卫生管理制度和安全技术规程,并监督检查执行情况频次:1次/年用时:160小时具体负责组织各类事故的调查、处理、汇总、上报频次:1-5次/年用时:240具体负责组织安全大检查频次:1次/月用时:24职责二职责表述:具体负责集团公司对夏季四防、冬季四防的组织与落实工作时间百分比:20%工作任务具体负责集团公司对夏季四防、冬季四防的组织与落实频次:1次年用时:120小时安全生产月活动的组织与落实频次:1次/年用时:140小时防汛工作的组织与落实频次:1次/年用时:48小时职责三职责表述:具体负责集团公司的工伤认定工作材料的审核及初步认定工作时间百分比:10%工作任务具体负责集团公司的工伤认定工作材料的审核及初步认定频次:1次/季用时:40小时根据需要,上报市局认定并落实。频次:1次/季用时:40小时职责四职责表述:具体负责集团公司的伤残等级评定的组织与上报工作时间百分比:10%工作任务具体负责集团公司的伤残等级评定的组织与上报频次:1次/年用时:140小时根据需要,落实并报存频次:1次/年用时:140小时职责五职责表述:具体负责集团公司的安全生产上岗资格证书的复审工作的组织与落实工作时间百分比:10%工作任务具体负责集团公司的安全生产上岗资格证书的复审工作的组织与落实频次:1次/年用时:96小时参加各级安全生产培训会议频次:2次/季用时:40小时职责职责表述:协助部长完成集团公司安全生产工作会议工作时间百分比:5%六工作任务并确定内容、时间、地点,负责通知参会人员并督促按时参加会议频次:1次/季用时:24小时负责会议记录整理并发放纪要频次:1次/季用时:4小时职责七职责表述:完成上级交办的其他工作工作时间百分比:10%权力:1.有对生产安全管理改进的建议权2.对业务范围内出现的问题有权向上级汇报3.对违反安全法律法规、规定的行为有制止权和处罚权4.有参与工伤认定权5.对业务范围内的有关资料和报表有索取权考核指标:1.按安全生产年度计划每月进行安全生产抽查和每季度大检查2.安全责任书签订率100%,重大伤亡事故:0,重大安全事故:0,轻伤率:≤3‰(5起),“安全生产管理资格”证书有效率:100%,特种作业人员培训率:100%3.按安全生产年度计划组织安全培训每年一次4.每月季度组织一次安全生产工作会议5.上级交办其他工作完成率90%,反馈率100%.工作协作关系:内部协调关系集团公司各部室、各工厂外部协调关系市经贸委、安监局、安全协会、劳动局、市安全培训处、市特种协会、省安全生产协会任职资格:教育水平大专专业生产管理专业(有省安全管理上岗证)工作经验2年以上相关专业经验,10年以上管理工作经验,15年以上工作经验能力要求良好的组织、管理、服务、协调能力,较强的人际交往能力,良好的语言表达能力和文字表述能力,良好的应变能力和时间管理能力个性特征善于自律、创新性思维生理特征男性,35-50岁所需培训公司制度文化、安全生产、OSH18001、相关法律等专业培训,培训时间约各需15个天工作特点:工作场所以办公室为主,经常在本市外出工作,时常到外埠出差,经常到工厂巡视检查工作方式坐、走动工作时间特征以白天工作时间为主,时有周六、周日需到公司和下班延时工作工作环境办公室体力精力消耗工作压力大、责任特别大、工作紧张程度较高、有一定的体力和脑力消耗劳动保护良好使用工具/设备电脑、计算器、电话、传真、打印机所需记录文档报表、计划、总结、通知、会议纪要等备注:

1、当您付费下载文档后,您只拥有了使用权限,并不意味着购买了版权,文档只能用于自身使用,不得用于其他商业用途(如 [转卖]进行直接盈利或[编辑后售卖]进行间接盈利)。
2、本站所有内容均由合作方或网友上传,本站不对文档的完整性、权威性及其观点立场正确性做任何保证或承诺!文档内容仅供研究参考,付费前请自行鉴别。
3、如文档内容存在违规,或者侵犯商业秘密、侵犯著作权等,请点击“违规举报”。

碎片内容

某啤酒企业安全生产管理岗位说明书

您可能关注的文档

确认删除?
VIP
微信客服
  • 扫码咨询
会员Q群
  • 会员专属群点击这里加入QQ群
客服邮箱
回到顶部