电脑桌面
添加小米粒文库到电脑桌面
安装后可以在桌面快捷访问

工程监理工作手册VIP免费

工程监理工作手册_第1页
1/42
工程监理工作手册_第2页
2/42
工程监理工作手册_第3页
3/42
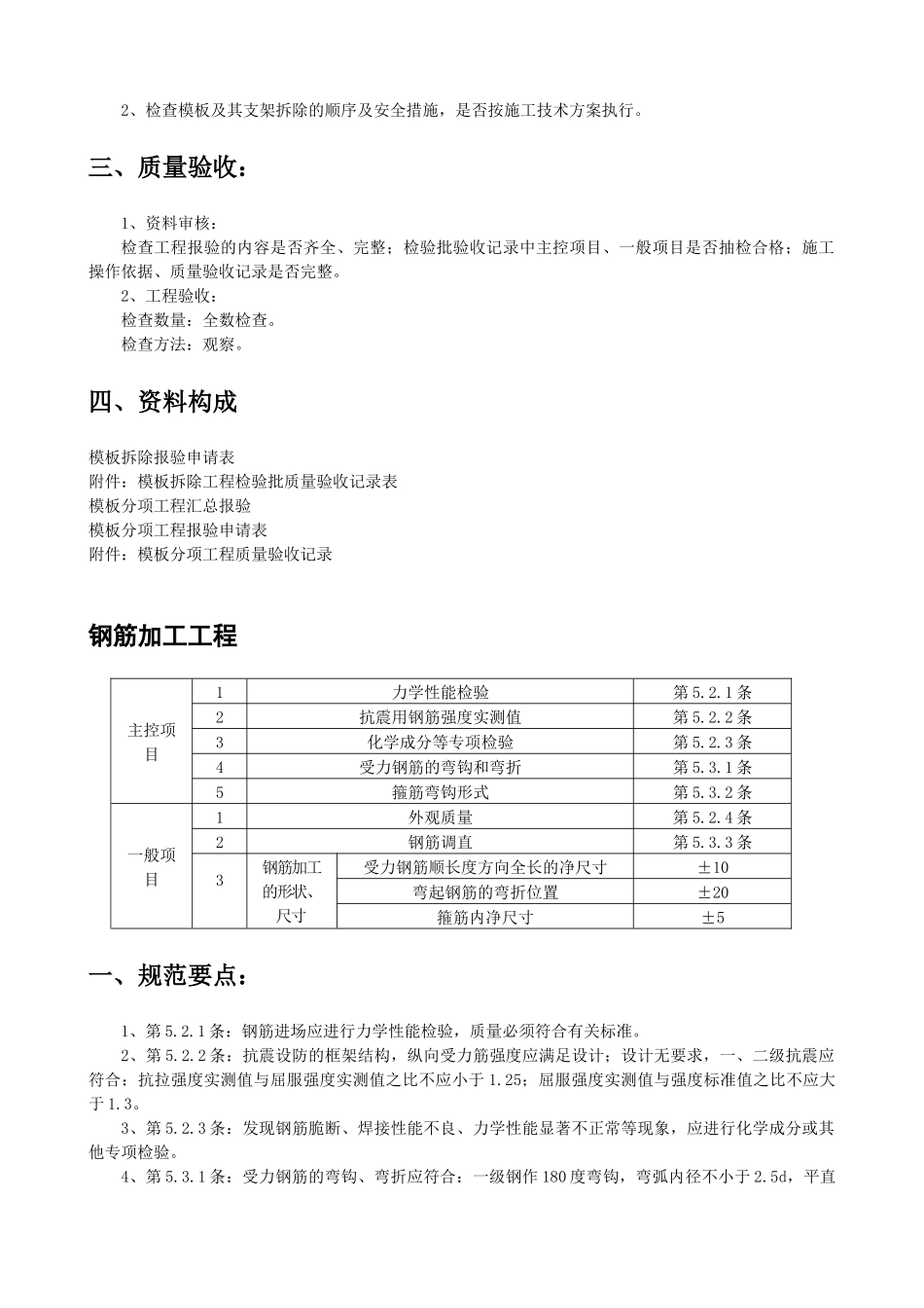
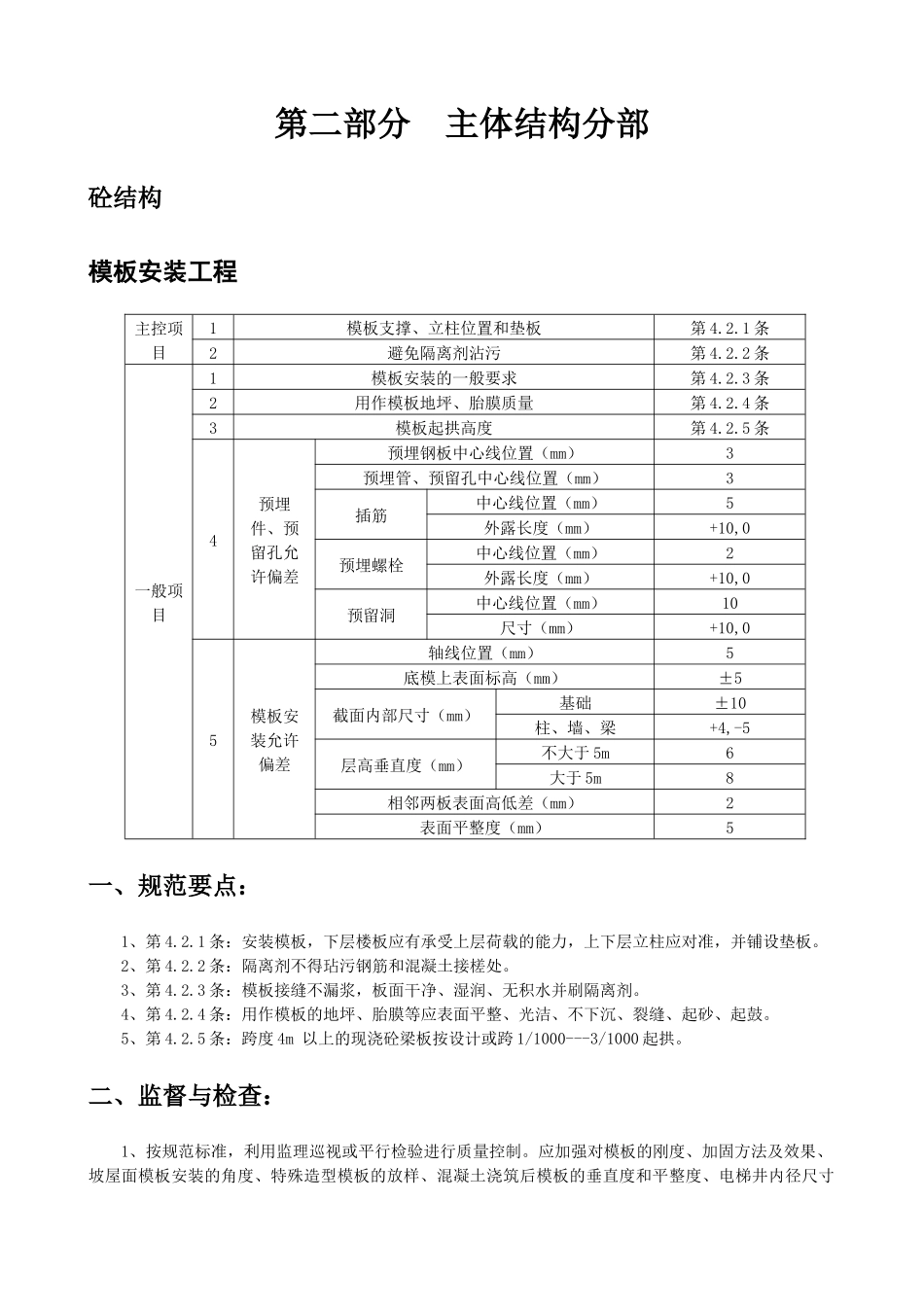
第二部分主体结构分部砼结构模板安装工程主控项目1模板支撑、立柱位置和垫板第4.2.1条2避免隔离剂沾污第4.2.2条一般项目1模板安装的一般要求第4.2.3条2用作模板地坪、胎膜质量第4.2.4条3模板起拱高度第4.2.5条4预埋件、预留孔允许偏差预埋钢板中心线位置(mm)3预埋管、预留孔中心线位置(mm)3插筋中心线位置(mm)5外露长度(mm)+10,0预埋螺栓中心线位置(mm)2外露长度(mm)+10,0预留洞中心线位置(mm)10尺寸(mm)+10,05模板安装允许偏差轴线位置(mm)5底模上表面标高(mm)±5截面内部尺寸(mm)基础±10柱、墙、梁+4,-5层高垂直度(mm)不大于5m6大于5m8相邻两板表面高低差(mm)2表面平整度(mm)5一、规范要点:1、第4.2.1条:安装模板,下层楼板应有承受上层荷载的能力,上下层立柱应对准,并铺设垫板。2、第4.2.2条:隔离剂不得玷污钢筋和混凝土接槎处。3、第4.2.3条:模板接缝不漏浆,板面干净、湿润、无积水并刷隔离剂。4、第4.2.4条:用作模板的地坪、胎膜等应表面平整、光洁、不下沉、裂缝、起砂、起鼓。5、第4.2.5条:跨度4m以上的现浇砼梁板按设计或跨1/1000---3/1000起拱。二、监督与检查:1、按规范标准,利用监理巡视或平行检验进行质量控制。应加强对模板的刚度、加固方法及效果、坡屋面模板安装的角度、特殊造型模板的放样、混凝土浇筑后模板的垂直度和平整度、电梯井内径尺寸楼梯踏步的均匀程度等工程部位的检查。2、宜进行平行检验,平行检验时首层必检,其他检验批根据施工实际由施工、监理共同确定,共同执行。3、应将平行检验、质量问题处理记入监理日记。三、质量验收:1、资料审核:检查材料及工程报验的内容和签认手续是否完整、齐全;质量是否符合要求;检验批验收记录中主控项目、一般项目是否抽检合格;施工操作依据、质量验收记录是否完整。2、工程验收:检查数量:主控项目及一般项目中的1、2项均全数检查,其余按10%且不少于3个。检查方法:观察、钢尺量、拉线或水准仪检测。四、资料构成模板安装报验申请表附件一:模板安装工程检验批质量验收记录表附件二:施工检查记录(可不填写)工程平行检验记录模板拆除工程主控项目1底模及其支架拆除时的混凝土强度第4.3.1条2后张法预应力构件侧模和底模的拆除时间第4.3.2条3后浇带拆模和支顶第4.3.3条一般项目1避免拆模损伤第4.3.4条2模板拆除、堆放和清运第4.3.5条一、规范要点:1、第4.3.1条:底板及支架拆除时砼强度应符合设计及规范要求。2、第4.3.2条:后张法预应力构件,侧模宜张拉前拆;底模支架执行施工技术方案,且应在建立预应力后拆。3、第4.3.3条:后浇带拆模应执行施工技术方案。4、第4.3.4条:拆模时应保证混凝土不受损害。5、第4.3.5条:拆模时,不应对楼层形成冲击荷载。材料宜分散堆放,及时清运。二、监督与检查:1、利用监理巡视,检查模板的拆除时间、方法是否符合规范及《施工技术方案》要求。2、检查模板及其支架拆除的顺序及安全措施,是否按施工技术方案执行。三、质量验收:1、资料审核:检查工程报验的内容是否齐全、完整;检验批验收记录中主控项目、一般项目是否抽检合格;施工操作依据、质量验收记录是否完整。2、工程验收:检查数量:全数检查。检查方法:观察。四、资料构成模板拆除报验申请表附件:模板拆除工程检验批质量验收记录表模板分项工程汇总报验模板分项工程报验申请表附件:模板分项工程质量验收记录钢筋加工工程主控项目1力学性能检验第5.2.1条2抗震用钢筋强度实测值第5.2.2条3化学成分等专项检验第5.2.3条4受力钢筋的弯钩和弯折第5.3.1条5箍筋弯钩形式第5.3.2条一般项目1外观质量第5.2.4条2钢筋调直第5.3.3条3钢筋加工的形状、尺寸受力钢筋顺长度方向全长的净尺寸±10弯起钢筋的弯折位置±20箍筋内净尺寸±5一、规范要点:1、第5.2.1条:钢筋进场应进行力学性能检验,质量必须符合有关标准。2、第5.2.2条:抗震设防的框架结构,纵向受力筋强度应满足设计;设计无要求,一、二级抗震应符合:抗拉强度实测值与屈服强度实测值之比不应小于1.25;屈服强度实测值与强度标准值之比不应大于1.3。3、第5.2.3条:发现钢筋脆断、焊接性能不良、力学性能显著不...

1、当您付费下载文档后,您只拥有了使用权限,并不意味着购买了版权,文档只能用于自身使用,不得用于其他商业用途(如 [转卖]进行直接盈利或[编辑后售卖]进行间接盈利)。
2、本站所有内容均由合作方或网友上传,本站不对文档的完整性、权威性及其观点立场正确性做任何保证或承诺!文档内容仅供研究参考,付费前请自行鉴别。
3、如文档内容存在违规,或者侵犯商业秘密、侵犯著作权等,请点击“违规举报”。

碎片内容

工程监理工作手册

确认删除?
VIP
微信客服
  • 扫码咨询
会员Q群
  • 会员专属群点击这里加入QQ群
客服邮箱
回到顶部