电脑桌面
添加小米粒文库到电脑桌面
安装后可以在桌面快捷访问

汽车库设计防火规范VIP专享VIP免费

汽车库设计防火规范_第1页
1/19
汽车库设计防火规范_第2页
2/19
汽车库设计防火规范_第3页
3/19
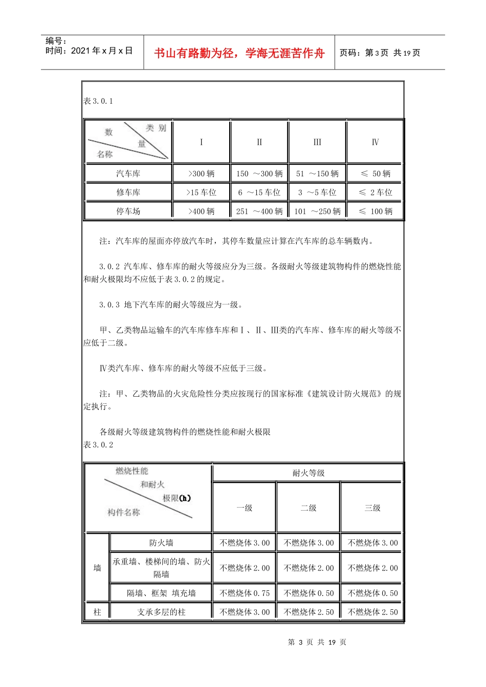
第1页共19页编号:时间:2021年x月x日书山有路勤为径,学海无涯苦作舟页码:第1页共19页汽车库修车库停车场设计防火规范GB500067-97主编部门:中华人民共和国公安部批准部门:中华人民共和国建设部施行日期:1998年5月1日关于发布国家标准《汽车库、修车库、停车场设计防火规范》的通知建标号[1997]280号根据国家计委计综合[1997]280号文的要求,由公安部会同有关部门共同修订的《汽车库、修车库、停车场设计防火规范》,已经有关部门会审。现批准《汽车库、修车库、停车场设计防火规范》GB50067-97为强制性国家标准,自一九九八年五月一日起施行。原《汽车库设计防火规范》(GBJ67-84)同时废止。本规范由公安部负责管理,其具体解释等工作由上海市消防局负责,出版发行由建设部标准定额研究所负责组织。中华人民共和国建设部一九九七年十月五日1总则1.0.1为了防止和减少火灾对汽车库、修车库、停车场的危害,保护人身和财产的安全,制定本规范。1.0.2本规范适用于新建、扩建和改建的汽车库、修车库、停车场(以下统称车库)防火设计,不适用于消防站的车库防火设计。1.0.3车库的防火设计,必须从全局出发,做到安全适用、技术先进、经济合理。1.0.4车库的防火设计除应执行本规范外,尚应符合国家现行的有关设计标准和规范的要求。2术语第2页共19页第1页共19页编号:时间:2021年x月x日书山有路勤为径,学海无涯苦作舟页码:第2页共19页2.0.1汽车库garage停放由内燃机驱动且无轨道的客车、货车、工程车等汽车的建筑物。2.0.2修车库motorrepairshop保养、修理由内燃机驱动且无轨道的客车、货车、工程车等汽车的建(构)筑物。2.0.3停车场parkingarea停放由内燃机驱动且无轨道的客车、货车、工程车等汽车的露天场地和构筑物。2.0.4地下汽车库undergroundgarage室内地坪面低于室外地坪面高度超过该层车库净高一半的汽车库。2.0.5高层汽车库high-risegarage建筑高度超过24m的汽车库或设在高层建筑内地面以上楼层的汽车库。2.0.6机械式立体汽车库mechanicalandsteteoscopicgarage室内无车道且无人员停留的、采用机械设备进行垂直或水平移动等形式停放汽车的汽车库。2.0.7复式汽车库compoundgarage室内有车道、有人员停留的,同时采用机械设备传送,在一个建筑层里叠2~3层存放车辆的汽车库。2.0.8敞开式汽车库opengarage每层车库外墙敞开面积超过该层四周墙体总面积的25%的汽车库。3防火分类和耐火等级3.0.1车库的防火分类应分为四类,并应符合表3.0.1的规定。车库的防火分类第3页共19页第2页共19页编号:时间:2021年x月x日书山有路勤为径,学海无涯苦作舟页码:第3页共19页表3.0.1ⅠⅡⅢⅣ汽车库>300辆150~300辆51~150辆≤50辆修车库>15车位6~15车位3~5车位≤2车位停车场>400辆251~400辆101~250辆≤100辆注:汽车库的屋面亦停放汽车时,其停车数量应计算在汽车库的总车辆数内。3.0.2汽车库、修车库的耐火等级应分为三级。各级耐火等级建筑物构件的燃烧性能和耐火极限均不应低于表3.0.2的规定。3.0.3地下汽车库的耐火等级应为一级。甲、乙类物品运输车的汽车库修车库和Ⅰ、Ⅱ、Ⅲ类的汽车库、修车库的耐火等级不应低于二级。Ⅳ类汽车库、修车库的耐火等级不应低于三级。注:甲、乙类物品的火灾危险性分类应按现行的国家标准《建筑设计防火规范》的规定执行。各级耐火等级建筑物构件的燃烧性能和耐火极限表3.0.2耐火等级一级二级三级墙防火墙不燃烧体3.00不燃烧体3.00不燃烧体3.00承重墙、楼梯间的墙、防火隔墙不燃烧体2.00不燃烧体2.00不燃烧体2.00隔墙、框架填充墙不燃烧体0.75不燃烧体0.50不燃烧体0.50柱支承多层的柱不燃烧体3.00不燃烧体2.50不燃烧体2.50第4页共19页第3页共19页编号:时间:2021年x月x日书山有路勤为径,学海无涯苦作舟页码:第4页共19页支承单层的柱不燃烧体2.50不燃烧体2.00不燃烧体2.00梁不燃烧体2.00不燃烧体1.50不燃烧体1.00楼板不燃烧体1.50不燃烧体1.00不燃烧体1.00疏散楼梯、坡道不燃烧体1.50不燃烧体1.00不燃烧体0.50屋顶承重构件不燃烧体1.50不燃烧体0.50燃烧体吊顶(包括吊顶搁栅不燃烧体0.25不燃烧体0.25不燃烧体0.15注:预制钢筋凝土构件的节点缝隙...

1、当您付费下载文档后,您只拥有了使用权限,并不意味着购买了版权,文档只能用于自身使用,不得用于其他商业用途(如 [转卖]进行直接盈利或[编辑后售卖]进行间接盈利)。
2、本站所有内容均由合作方或网友上传,本站不对文档的完整性、权威性及其观点立场正确性做任何保证或承诺!文档内容仅供研究参考,付费前请自行鉴别。
3、如文档内容存在违规,或者侵犯商业秘密、侵犯著作权等,请点击“违规举报”。

碎片内容

汽车库设计防火规范

确认删除?
VIP
微信客服
  • 扫码咨询
会员Q群
  • 会员专属群点击这里加入QQ群
客服邮箱
回到顶部