电脑桌面
添加小米粒文库到电脑桌面
安装后可以在桌面快捷访问

工程部工作规范手册VIP免费

工程部工作规范手册_第1页
1/65
工程部工作规范手册_第2页
2/65
工程部工作规范手册_第3页
3/65
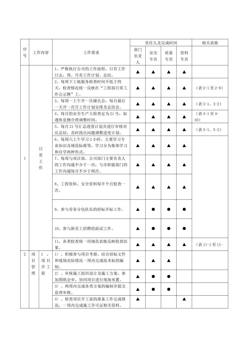
序号工作内容工作要求责任人及完成时间相关表格部门负责人安全专员质量专员资料专员1日常工作1、严格执行公司的工作流程,日有工作日志,周、月有工作计划、总结。▲▲▲▲2、每周下工地服务检查时间不低于四天,检查情况统一反映在“工程部日常工作公示牌”上。▲▲▲▲(表2-1至2-9)3、每周一上午开一次碰头会,每月最后一天开一次月工作计划安排及总结会。▲▲▲▲(表3-1、3-2)4、每月的安全生产大检查定为21号,如遇休息侧合理调整时间。▲▲▲▲(表4-1至4-10)5、每月21号汇总进度计划并进行审核对比总结,及时找出问题调整进度计划。▲▲▲▲(表5-1、5-2)6、每周六上午学习2小时,主要学习专业知识及规范标准等,学习分为集体学习和自学两种形式。▲▲▲▲7、每周与项目部、公司部门主要负责人的工作沟通不少于一次;与市职能部门的工作沟通每月不少于两次。▲▲▲▲8、工程资料、安全资料每半个月检查一次。▲▲▲▲9、参与劳务分包队伍的招标开标工作。▲●●●10、参与新员工招聘的面试工作。▲●●●11、各类检查统一用规范表格反映检查结果。▲▲▲▲(表11-1至11-2项目管理1、项目开工前1〉、积极参与项目考察,结合招标文件和现场实际情况一周内完成技术标的编制。▲▲▲2〉、审核施工组织设计及施工方案,参加图纸会审,协同项目进行现场布置。▲●●3〉、两周内完成各类方案的编制并提交监理审批。▲●●4〉、检查项目开工前的准备工作完成情况,一周内完成施工许可证相关资料。▲▲2、项目施工中1〉、审核项目部总施工进度计划、年月施工进度计划。▲2〉、检查对比施工进度计划的完成情况。▲▲▲3〉、监管质量、安全、文明施工情况。▲▲▲4〉、检查项目部工程、安全资料是否真实、齐全同步。●●●▲5〉、协助处理重大安全隐患及技术难题、检查设计变更情况,组织项目部的安全生产调度会。▲▲▲●3、竣工验收1〉、监管并参与预验收及竣工验收。▲●●2〉、监督项目部的各类资料归档。▲▲3〉、监管项目部竣工后的回访回修情况。▲3三、团队建设1、部门建设1〉、每月底组织一次交心、谈心恳谈会,交思想、交体会、谈差区、化误解,充分发挥部门对项目的服务效率。2)、每月中旬组织一次专业知识培训学习,学习新规范、新技术、新材料、新工艺、新方法,采取“走出去请进来”“自学加互学”的方法,提高部门员工的自身素质,认真做好部门人员的招聘、培训、考核、晋升等工作。▲2、项目部建设1)制定并安排项目管理人员年、月培训计划及内容;2)监督做好安全生产的宣传、教育培训,总结、交流和推广先进经验,定期讲评安全生产情况。3)组织项目部管理人员定期学习新规范、新技术、新材料、新工艺、新方法并加以推广,贯彻落实。4)督促指导项目,落实好交心谈心,以“老带新”的传帮带制度,建设和谐项目部。▲备注:“▲”表示主要负责人,“●”表示相关负责人表2-1工程部日常工作公示牌各项目基本情况一览表项目管理目标本部门分工安排本部门工作计划本部门工作流程激扬自我三江张经理项目三江余经理项目奥山刘经理项目宏维张经理项目质量整改及奖惩记录以企为家进度情况质量整改及奖惩记录质量及资料情况签证及联系函记录粘贴栏熔铸团队爱我铜建安全文明施工情况施工方案记录栏表2-2各项目基本情况一览表项目概况在建项目工程概况工期节点计划项目主要负责人甲方主要负责人监理人员安全站质检站项目经理:电话:队长:电话:资料员:电话:总经理:电话:现场负责人:电话:总监:电话:现场负责人:电话:站长:电话:现场负责人:电话:站长:电话:现场负责人:电话:项目经理:电话:队长:电话:资料员:电话:总经理:电话:现场负责人:电话:总监:电话:现场负责人:电话:站长:电话:现场负责人:电话:站长:电话:现场负责人:电话:项目经理:电话:队长:电话:资料员:电话:总经理:电话:现场负责人:电话:总监:电话:现场负责人:电话:站长:电话:现场负责人:电话:站长:电话:现场负责人:电话:项目经理:电话:队长:电话:资料员:电话总经理:电话:现场负责人:电话:总监:电话:现场负责人:电话:站长:电话:现场...

1、当您付费下载文档后,您只拥有了使用权限,并不意味着购买了版权,文档只能用于自身使用,不得用于其他商业用途(如 [转卖]进行直接盈利或[编辑后售卖]进行间接盈利)。
2、本站所有内容均由合作方或网友上传,本站不对文档的完整性、权威性及其观点立场正确性做任何保证或承诺!文档内容仅供研究参考,付费前请自行鉴别。
3、如文档内容存在违规,或者侵犯商业秘密、侵犯著作权等,请点击“违规举报”。

碎片内容

工程部工作规范手册

确认删除?
VIP
微信客服
  • 扫码咨询
会员Q群
  • 会员专属群点击这里加入QQ群
客服邮箱
回到顶部