电脑桌面
添加小米粒文库到电脑桌面
安装后可以在桌面快捷访问

土工格栅施工方案VIP免费

土工格栅施工方案_第1页
1/9
土工格栅施工方案_第2页
2/9
土工格栅施工方案_第3页
3/9
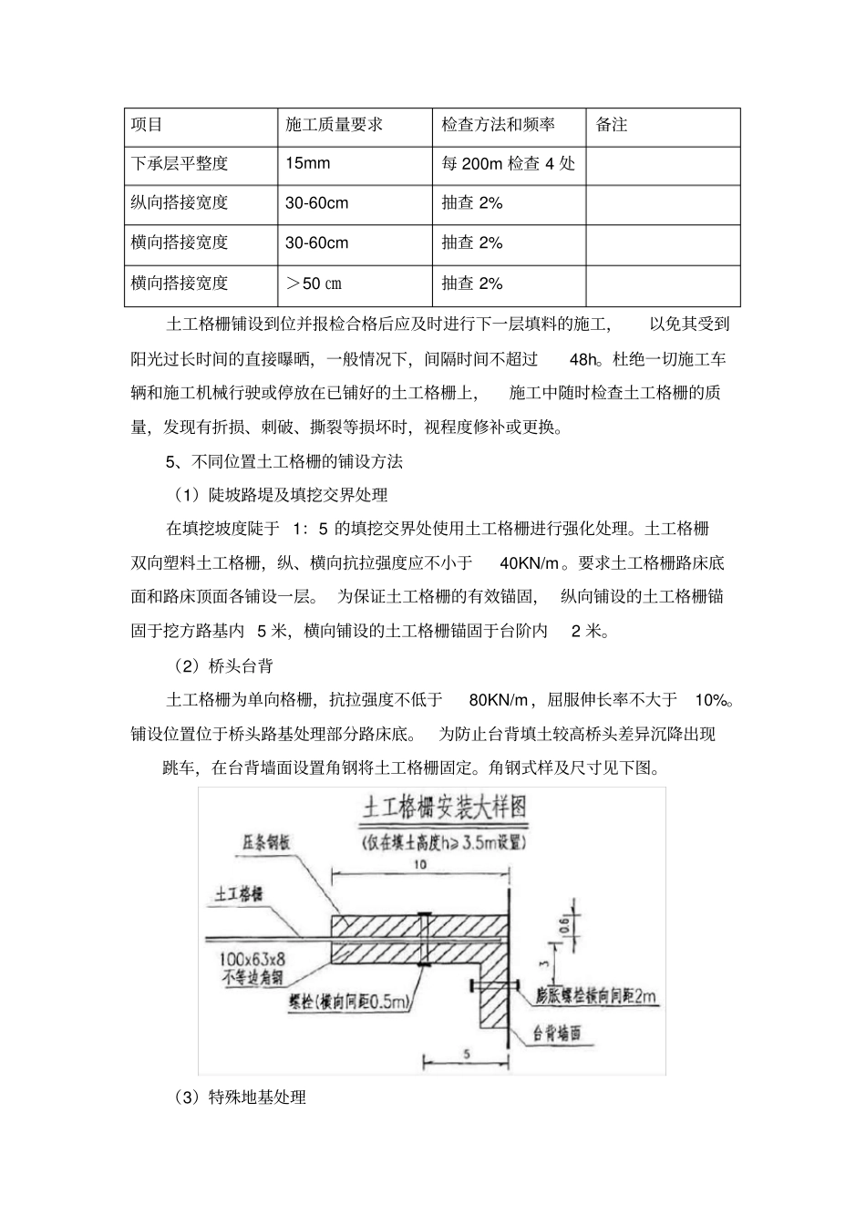
土工格栅施工技术方案一、工程概况本标段起点桩号为RK154+270,终点桩号为RK161+600,全段位于灵宝市境内,长公里,采用单侧加宽方式设计。标段内多为湿陷性黄土,湿陷等级一般为II~III级,局部为I~II级,地形起伏较大、沟壑遍布,填挖交错。根据图纸设计,使用铺设土工格栅的方式减少路基不均匀沉降。二、主要工程数量表根据图纸设计要求,土工格栅主要用于路基填挖交界处、特殊地基处理、涵洞通道基底,详细工程量见下表。处理部位土工格栅种类工程数量(㎡)备注陡坡路堤及填挖交界处理双向塑料土工格栅,纵、横向抗拉强度≥40KN/m桥头台背单向土工格栅,抗拉强度≥80KN/m特殊地基处理双向钢塑土工格栅纵、横向抗拉强度≥80KN/m涵洞通道基础及台背地基双向钢塑土工格栅纵、横向抗拉强度≥80KN/m三、总体安排1、投入机械设备序号设备名称单位数量规格型号1电钻2钢丝钳3钢筋切断机4钢筋调直机5工地运输车四、土工格栅施工工艺施工流程:施工准备→施工放样→铺设土工格栅→搭接、绑扎、固定→摊铺上层路基土→碾压→检测1、施工准备土工格栅应提前进场,经过试验检验合格后方可用于现场施工。尽量选用幅宽较宽的产品,减少搭接、方便施工。铺设前应先将场地清理干净,清除养生膜、浮土、突出的硬物等,保证下承面的平整,要求平整度不大于15mm。使用压路机对工作面进行稳压,施工死角使用人工夯实。对铺设区域进行准确放样,并报请监理检验合格后方可进入下一道工序。为防纵向歪斜现象,先按幅宽在铺设层划出白线或挂线。铺设环境:室外气温5℃以上,风力4级以下,无雨、雪。(环境或特殊要求除外)2、施工放样使用仪器精确放样,并使用白灰撒出参考线。3、铺设土工格栅将土工格栅运至铺设起始位置,参照参考线进行铺设,其实位置用插钉及土石压重固定,然后用人工方法将格栅缓缓向前拉铺,每铺10米长进行人工调直一次,直至一卷格栅铺完,再铺下一卷。铺设时应拉直、平顺,紧贴下承层,不得出现扭曲、褶皱、重叠,并要注意避免过量拉伸从而避免超过其强度和变形的极限而产生破坏或撕裂、局部顶破等操作同前。大面积铺设后,要整体调整其平直度。铺设应平铺,拉直、不得重叠,不得卷曲、扭结。接铺:以卷长为单位作为铺设的段长,应铺格栅的段长内铺满以后,再整体检查一次铺设质量,然后接着铺设下一段,下一段铺设时,格栅与格栅应按照规范要求进行搭接,然后使用8号铁丝呈“之”字形穿绑固定后继续向前进方向铺第二段。如果土工格栅为双层,则上、下层接缝应错开,错开长度应大于500mm。4、搭接、绑扎、固定铺筑坡度,包括纵向和横向,应与路面平行搭接处用铁丝呈“之”字形穿绑,搭接宽度应满足规范要求。使用U形钢筋锚钉进行锚固,间距1m,呈正方形布设。锚钉采用φ8钢筋弯制而成,尺寸为宽10cm,锚固深度不小于20cm。土工格栅铺设完成后首先进行自检,其质量要求见下表:项目施工质量要求检查方法和频率备注下承层平整度15mm每200m检查4处纵向搭接宽度30-60cm抽查2%横向搭接宽度30-60cm抽查2%横向搭接宽度>50㎝抽查2%土工格栅铺设到位并报检合格后应及时进行下一层填料的施工,以免其受到阳光过长时间的直接曝晒,一般情况下,间隔时间不超过48h。杜绝一切施工车辆和施工机械行驶或停放在已铺好的土工格栅上,施工中随时检查土工格栅的质量,发现有折损、刺破、撕裂等损坏时,视程度修补或更换。5、不同位置土工格栅的铺设方法(1)陡坡路堤及填挖交界处理在填挖坡度陡于1:5的填挖交界处使用土工格栅进行强化处理。土工格栅双向塑料土工格栅,纵、横向抗拉强度应不小于40KN/m。要求土工格栅路床底面和路床顶面各铺设一层。为保证土工格栅的有效锚固,纵向铺设的土工格栅锚固于挖方路基内5米,横向铺设的土工格栅锚固于台阶内2米。(2)桥头台背土工格栅为单向格栅,抗拉强度不低于80KN/m,屈服伸长率不大于10%。铺设位置位于桥头路基处理部分路床底。为防止台背填土较高桥头差异沉降出现跳车,在台背墙面设置角钢将土工格栅固定。角钢式样及尺寸见下图。(3)特殊地基处理土工格栅为双向钢塑土工格栅,经纬向抗拉强度不小于80KN/m,铺设一层,位置为碎石垫层底,土工格栅铺...

1、当您付费下载文档后,您只拥有了使用权限,并不意味着购买了版权,文档只能用于自身使用,不得用于其他商业用途(如 [转卖]进行直接盈利或[编辑后售卖]进行间接盈利)。
2、本站所有内容均由合作方或网友上传,本站不对文档的完整性、权威性及其观点立场正确性做任何保证或承诺!文档内容仅供研究参考,付费前请自行鉴别。
3、如文档内容存在违规,或者侵犯商业秘密、侵犯著作权等,请点击“违规举报”。

碎片内容

土工格栅施工方案

您可能关注的文档

确认删除?
VIP
微信客服
  • 扫码咨询
会员Q群
  • 会员专属群点击这里加入QQ群
客服邮箱
回到顶部