电脑桌面
添加小米粒文库到电脑桌面
安装后可以在桌面快捷访问

吹瓶培训范本VIP免费

吹瓶培训范本_第1页
1/44
吹瓶培训范本_第2页
2/44
吹瓶培训范本_第3页
3/44
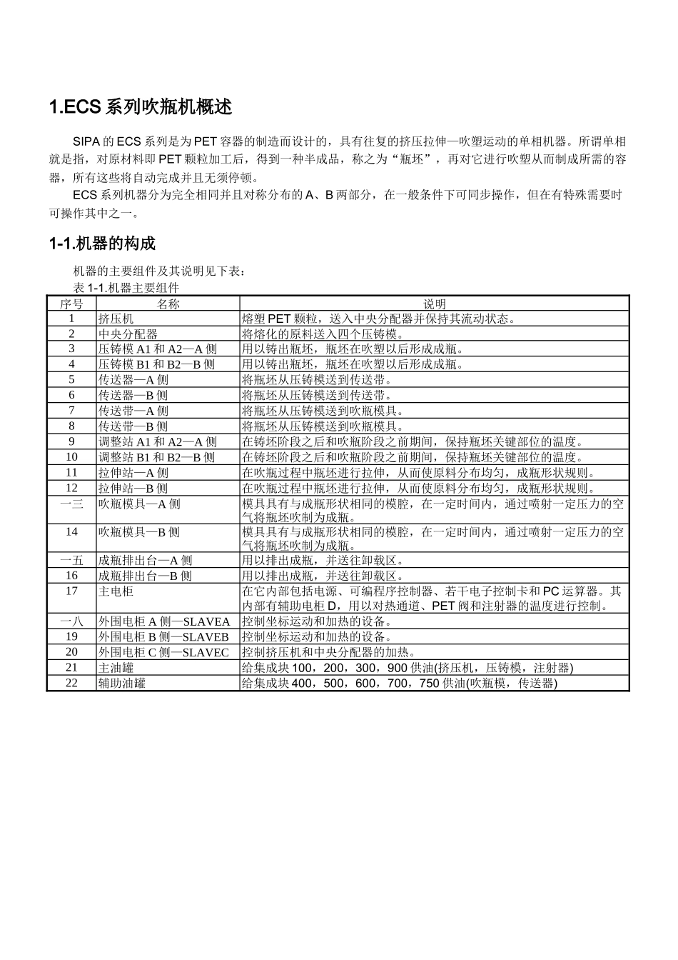
目录目录.................................................................................................................................................1.ECS系列吹瓶机概述....................................................................................................................1-1.机器的构成....................................................................................................................................................1-2.机器的主要组成部分......................................................................................................................................2.液压系统......................................................................................................................................2-1.集成块...........................................................................................................................................................2-2.油箱...............................................................................................................................................................2-3.液压符号........................................................................................................................................................2-4.液压泵...........................................................................................................................................................2-5.蓄能器...........................................................................................................................................................3.气动系统......................................................................................................................................3-1.服务空气........................................................................................................................................................3-2.吹制空气........................................................................................................................................................3-3.气刀空气........................................................................................................................................................4.水冷系统......................................................................................................................................4-1.概述...............................................................................................................................................................4-2.冷却水管的布置:............................................................................................................................................4-3.各种冷却装置:................................................................................................................................................5.润滑系统......................................................................................................................................5-1.概述...............................................................................................................................................................5-2.吹瓶模具运动部件的润滑..............................................................................................................................6.电控系统.................

1、当您付费下载文档后,您只拥有了使用权限,并不意味着购买了版权,文档只能用于自身使用,不得用于其他商业用途(如 [转卖]进行直接盈利或[编辑后售卖]进行间接盈利)。
2、本站所有内容均由合作方或网友上传,本站不对文档的完整性、权威性及其观点立场正确性做任何保证或承诺!文档内容仅供研究参考,付费前请自行鉴别。
3、如文档内容存在违规,或者侵犯商业秘密、侵犯著作权等,请点击“违规举报”。

碎片内容

吹瓶培训范本

您可能关注的文档

确认删除?
VIP
微信客服
  • 扫码咨询
会员Q群
  • 会员专属群点击这里加入QQ群
客服邮箱
回到顶部