电脑桌面
添加小米粒文库到电脑桌面
安装后可以在桌面快捷访问

初三物理电流和电路的技巧及练习题及练习题(含答案)VIP免费

初三物理电流和电路的技巧及练习题及练习题(含答案)_第1页
1/11
初三物理电流和电路的技巧及练习题及练习题(含答案)_第2页
2/11
初三物理电流和电路的技巧及练习题及练习题(含答案)_第3页
3/11
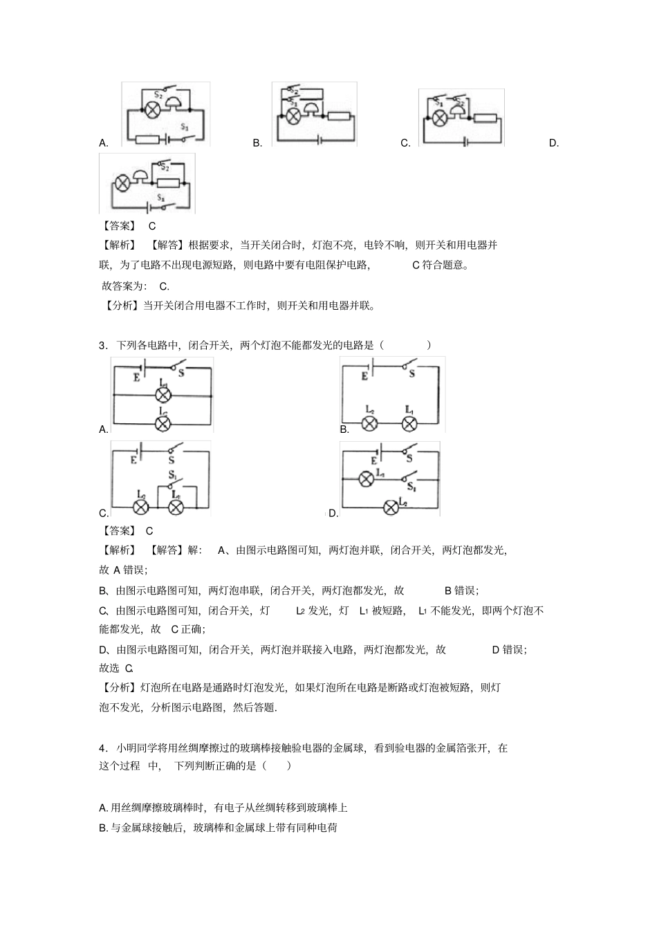
初三物理电流和电路的技巧及练习题及练习题(含答案)一、电流和电路选择题1.将两个定值电阻串联接到电压为U的电源两端,R1消耗的功率为P1,R2消耗的功率为3P1.将这两个定值电阻并联接在同一电源两端时,下列说法中正确的是()A.串联时R1与R2两端的电压之比为3:1B.并联时R1消耗的功率为16P1C.并联时通过R1与R2的电流之比为1:3D.并联时两电阻消耗的总功率P1【答案】B【解析】【解答】解:(1)R1、R2串联时,通过两电阻的电流相等, P=I2R,且P2=3P1,∴R2=3R1, U=IR,∴U1:U2=R1:R2=1:3;电路中的电流I===,则P1=I2R1=()2R1=.(2)当R1、R2并联在同一电源两端时,两电阻两端的电压相等为U,R1消耗的功率为P1′==16P1; I=,∴通过R1与R2的电流之比I1′:I2′=R2:R1=3:1;电路消耗的总功率P总′=+=+=×16P1=P1.故选B.【分析】(1)当R1、R2串联时,通过两电阻的电流相等,根据电阻消耗的功率关系和P=I2R确定两电阻之间的关系,根据欧姆定律得出两电阻两端的电压关系;根据电阻的串联特点和欧姆定律表示出电路中的电流,根据P=I2R表示出R1消耗的功率.(2)当R1、R2并联在同一电源两端时,根据并联电路的电压特点和P=求出R1消耗的功率,根据欧姆定律得出通过两电阻的电流关系,根据P=求出R2消耗的电功率,进一步得出两电阻消耗的总功率.2.交通法规定,不但司机要系安全带,副驾驶也应该系安全带.假设驾驶员和副驾驶的安全带分别对应开关S1和S2,系好安全带,相当于闭合开关,且只有当两人都系好安全带时,才会指示灯熄灭,提示音消失.符合上述要求的正确电路图是A.B.C.D.【答案】C【解析】【解答】根据要求,当开关闭合时,灯泡不亮,电铃不响,则开关和用电器并联,为了电路不出现电源短路,则电路中要有电阻保护电路,C符合题意。故答案为:C.【分析】当开关闭合用电器不工作时,则开关和用电器并联。3.下列各电路中,闭合开关,两个灯泡不能都发光的电路是()A.B.C.D.【答案】C【解析】【解答】解:A、由图示电路图可知,两灯泡并联,闭合开关,两灯泡都发光,故A错误;B、由图示电路图可知,两灯泡串联,闭合开关,两灯泡都发光,故B错误;C、由图示电路图可知,闭合开关,灯L2发光,灯L1被短路,L1不能发光,即两个灯泡不能都发光,故C正确;D、由图示电路图可知,闭合开关,两灯泡并联接入电路,两灯泡都发光,故D错误;故选C.【分析】灯泡所在电路是通路时灯泡发光,如果灯泡所在电路是断路或灯泡被短路,则灯泡不发光,分析图示电路图,然后答题.4.小明同学将用丝绸摩擦过的玻璃棒接触验电器的金属球,看到验电器的金属箔张开,在这个过程中,下列判断正确的是()A.用丝绸摩擦玻璃棒时,有电子从丝绸转移到玻璃棒上B.与金属球接触后,玻璃棒和金属球上带有同种电荷C.玻璃桥和验电器都带正电荷,正电荷从玻璃棒转移到验电器上D.金属箔张开是因为异种电荷相互排斥【答案】B【解析】【解答】A.当丝绸和玻璃棒摩擦时,电子从玻璃棒转移到丝绸上,A不符合题意;B.当玻璃棒和金属球接触后,玻璃棒和金属球带相同的电荷,B符合题意;C.在玻璃棒和金属球接触时,电子从金属球转移到玻璃棒上,C不符合题意;D.金属箔张开角度,是因为同种电荷相排斥,D不符合题意。故答案为:B.【分析】不同物体摩擦时,丢失电子的物体带正电,验电器的工作原理是同种电荷相排斥。5.如图所示为定时爆炸装置示意图,a、b为暴露在外的两导线。定时装置(图中未画出)相当于一开关,正常处于闭合状态,当到达设定时间时,开关打开,起爆器引爆,下列说法正确的是()A.定时装置应接在CD之间B.定时装置应接在EF之间C.为使爆炸装置停止工作,应剪断b线D.为使爆炸装置停止工作,应使a线短路【答案】B【解析】【解答】解:由题意可知,定时装置正常处于闭合状态,起爆器上没有电流通过;当到达设定时间时,开关打开,起爆器与电源连接,有电流通过起爆器,由此可知:定时装置处于闭合状态时是对起爆器被短路,则定时装置应接在并联的导线EF上,即在EF之间接入定时装置。若定时装置接在CD之间,则当到达设定时间时,开关打开,整个电路断开,起爆器不会引爆,A不符合题意,B符合题...

1、当您付费下载文档后,您只拥有了使用权限,并不意味着购买了版权,文档只能用于自身使用,不得用于其他商业用途(如 [转卖]进行直接盈利或[编辑后售卖]进行间接盈利)。
2、本站所有内容均由合作方或网友上传,本站不对文档的完整性、权威性及其观点立场正确性做任何保证或承诺!文档内容仅供研究参考,付费前请自行鉴别。
3、如文档内容存在违规,或者侵犯商业秘密、侵犯著作权等,请点击“违规举报”。

碎片内容

初三物理电流和电路的技巧及练习题及练习题(含答案)

爱的疯狂+ 关注
实名认证
内容提供者

该用户很懒,什么也没介绍

相关文档

确认删除?
VIP
微信客服
  • 扫码咨询
会员Q群
  • 会员专属群点击这里加入QQ群
客服邮箱
回到顶部