电脑桌面
添加小米粒文库到电脑桌面
安装后可以在桌面快捷访问

主体模板支撑架技术交底VIP免费

主体模板支撑架技术交底_第1页
1/11
主体模板支撑架技术交底_第2页
2/11
主体模板支撑架技术交底_第3页
3/11
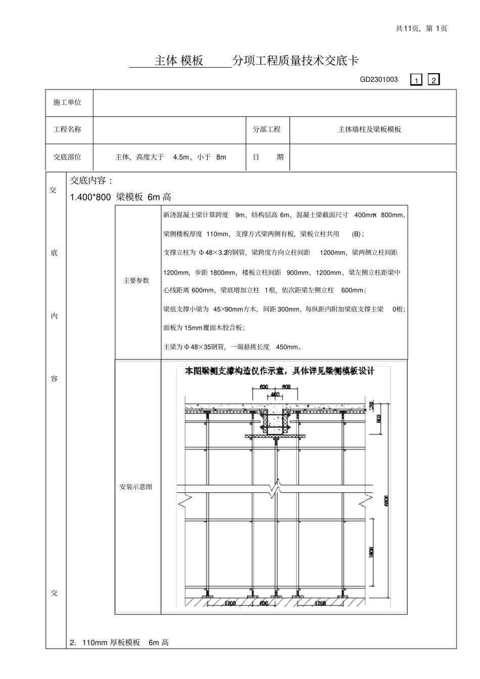
共11页,第1页主体模板分项工程质量技术交底卡GD2301003施工单位工程名称分部工程主体墙柱及梁板模板交底部位主体,高度大于4.5m,小于8m日期交底内容交交底内容:1.400*800梁模板6m高主要参数新浇混凝土梁计算跨度9m,结构层高6m,混凝土梁截面尺寸400mm×800mm,梁侧楼板厚度110mm,支撑方式梁两侧有板,梁板立柱共用(B);支撑立柱为Ф48×3.2的钢管,梁跨度方向立柱间距1200mm,梁两侧立柱间距1200mm,步距1800mm,楼板立柱间距900mm、1200mm,梁左侧立柱距梁中心线距离600mm,梁底增加立柱1根,依次距梁左侧立柱600mm;梁底支撑小梁为45×90mm方木,间距300mm,每纵距内附加梁底支撑主梁0根;面板为15mm覆面木胶合板;主梁为Ф48×3.5钢管,一端悬挑长度450mm。安装示意图2.110mm厚板模板6m高12共11页,第2页底内容交底主要参数新浇混凝土楼板板厚110mm,楼板边长9000mm,楼板边宽9000mm,模板支架高度为6m;立柱型号为Ф48×3,纵距1200mm,横距1200mm,水平拉杆步距1500mm;立柱距混凝土板短边300mm,距混凝土板长边100mm;面板为15mm覆面木胶合板;小梁为45×90mm方木,间距300mm,小梁距混凝土板长边距离为125mm,两端各悬挑长250mm和250mm;主梁为Ф48×3钢管,间距300mm,主梁布置方式为垂直楼板长边,可调托座内主梁根数为2根。安装示意图3.300*600梁模板6m高主要参数新浇混凝土梁计算跨度9m,结构层高6m,混凝土梁截面尺寸300mm×600mm,梁侧楼板厚度110mm,支撑方式梁两侧有板,梁板立柱共用(B);支撑立柱为Ф48×3的钢管,梁跨度方向立柱间距1200mm,梁两侧立柱间距1200mm,步距1500mm,楼板立柱间距1200mm、900mm,梁左侧立柱距梁中心线距离600mm,梁底增加立柱0根,依次距梁左侧立柱550mm;梁底支撑小梁为45×90mm方木,间距240mm,每纵距内附加梁底支撑主梁0根;面板为15mm覆面木胶合板;共11页,第3页内容主梁为100×50mm钢管,一端悬挑长度300mm。安装示意图4.400*800梁侧模主要参数小梁布置方式为竖直向布置;小梁为45×90mm方木,小梁间距200mm;主梁为Ф48×3钢管,支撑距梁底距离依次为0,690mm;面板为15mm覆面木胶合板;对拉螺栓采用M12;共11页,第4页安装示意图6.110mm厚板主要参数新浇混凝土楼板板厚110mm,楼板边长9000mm,楼板边宽9000mm,模板支架高度为4.15m;立柱型号为Ф48×3.2,纵距1200mm,横距1200mm,水平拉杆步距1500mm;立柱距混凝土板短边300mm,距混凝土板长边100mm;面板为15mm覆面木胶合板;小梁为45×90mm方木,间距300mm,小梁距混凝土板长边距离为125mm,两端各悬挑长250mm和250mm;主梁为Ф48×3.2钢管,间距300mm,主梁布置方式为垂直楼板长边,可调托座内主梁根数为2根。共11页,第5页安装示意图7.300*600梁模板主要参数新浇混凝土梁计算跨度9m,结构层高4.15m,混凝土梁截面尺寸300mm×600mm,梁侧楼板厚度110mm,支撑方式梁两侧有板,梁板立柱共用(B);支撑立柱为Ф48×3的钢管,梁跨度方向立柱间距1200mm,梁两侧立柱间距1200mm,步距1500mm,楼板立柱间距1200mm、900mm,梁左侧立柱距梁中心线距离600mm,梁底增加立柱0根,依次距梁左侧立柱550mm;梁底支撑小梁为45×90mm方木,间距240mm,每纵距内附加梁底支撑主梁0根;面板为15mm覆面木胶合板;主梁为100×50mm钢管,一端悬挑长度300mm。共11页,第6页安装示意图8.250*1300梁模板主要参数新浇混凝土梁计算跨度9m,结构层高4.15m,混凝土梁截面尺寸250mm×1300mm,梁侧楼板厚度110mm,支撑方式梁两侧有板,梁板立柱共用(B);支撑立柱为Ф48×3的钢管,梁跨度方向立柱间距1200mm,梁两侧立柱间距1200mm,步距1500mm,楼板立柱间距1200mm、1200mm,梁左侧立柱距梁中心线距离600mm,梁底增加立柱2根,依次距梁左侧立柱400,800mm;梁底支撑小梁为45×90mm方木,间距300mm,每纵距内附加梁底支撑主梁0根;面板为15mm覆面木胶合板;主梁为Ф48×3.5钢管,一端悬挑长度300mm。共11页,第7页安装示意图9.250*1300梁侧模主要参数小梁布置方式为竖直向布置;小梁为60×80mm方木,小梁间距250mm;主梁为Ф48×3.5钢管,主梁最大悬挑长度:250mm;支撑距梁底距离依次为300,900mm;面...

1、当您付费下载文档后,您只拥有了使用权限,并不意味着购买了版权,文档只能用于自身使用,不得用于其他商业用途(如 [转卖]进行直接盈利或[编辑后售卖]进行间接盈利)。
2、本站所有内容均由合作方或网友上传,本站不对文档的完整性、权威性及其观点立场正确性做任何保证或承诺!文档内容仅供研究参考,付费前请自行鉴别。
3、如文档内容存在违规,或者侵犯商业秘密、侵犯著作权等,请点击“违规举报”。

碎片内容

主体模板支撑架技术交底

爱的疯狂+ 关注
实名认证
内容提供者

该用户很懒,什么也没介绍

确认删除?
VIP
微信客服
  • 扫码咨询
会员Q群
  • 会员专属群点击这里加入QQ群
客服邮箱
回到顶部