电脑桌面
添加小米粒文库到电脑桌面
安装后可以在桌面快捷访问

上海海事大学可编程控制器考试试题示例VIP免费

上海海事大学可编程控制器考试试题示例_第1页
1/19
上海海事大学可编程控制器考试试题示例_第2页
2/19
上海海事大学可编程控制器考试试题示例_第3页
3/19
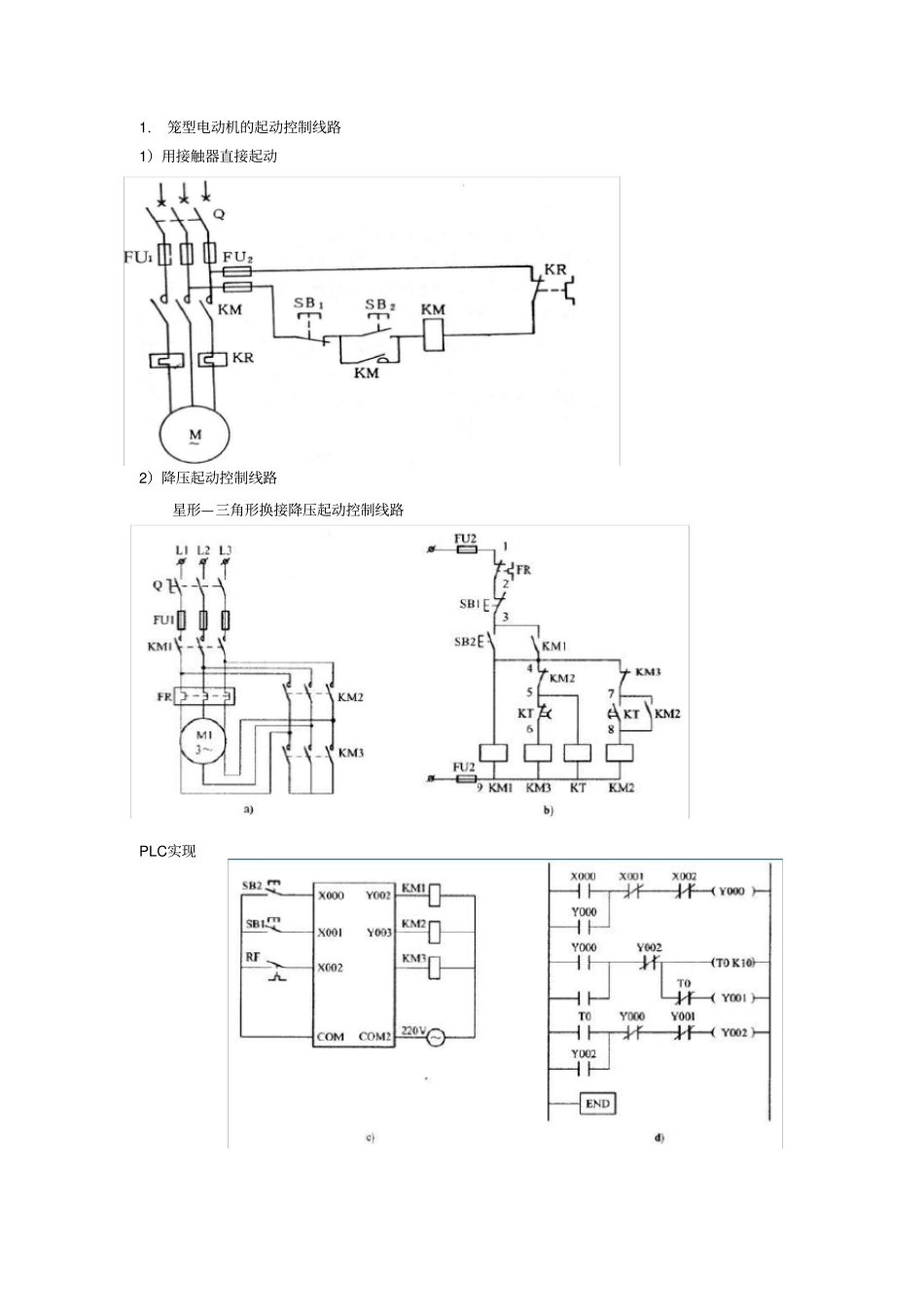
1.笼型电动机的起动控制线路1)用接触器直接起动2)降压起动控制线路星形—三角形换接降压起动控制线路PLC实现定子串电阻降压起动控制线路时间原则控制:以时间作为控制的变化参量,主要采用时间继电器进行控制的方法称为时间原则控制。例如,定子绕组串电阻降压起动控制电路。如图3-15所示,主电路由接触器KM1、KM2主触点构成串电阻接线和短接电阻接线,并由时间继电器KT实现从起动到正常工作状态的切换。按下起动按钮SB2,接触器KM1线圈得电,电动机串电阻降压起动。同时,时间继电器KT线圈得电,经过一定时间,其延时闭合动合触点闭合,KM2线圈得电,KM1、KT线圈断电。KM2主触点闭合,电阻短接,电动机全压运行。KM2图3-15定子串电阻降压启动时间原则控制电路a)主电路M13KR~a)RKM1KM2KM1KM2b)控制电路b)KM2KTWUFUVSB2SB1KTKM2KM1时间原则控制多用于难以直接检测变化参量的自动控制中,而且时间继电器的通用性好,控制灵活方便,因而能代替某些原则控制。3)电动机正反转线路KRMUKM1FUVWKM2SBSB1SB2KM1KM2KM1KM2KM2KM1图3-11正反向接触器间的联锁a)b)a)主电路b)控制电路KM2KM1SB1图3-12采用复合按钮的联锁控制电路SB2KM1KM2SBSB1KM2SB2KM1如图3-11所示,SB为停止按钮,SB1为正向起动按钮,SB2为反向起动按钮。在正向接触器KM1线圈的电路中,串入反向接触器KM2的常闭触点,实现正反向接触器间的联锁(互锁)。如果希望不用按下停止按钮SB,直接按下反向按钮SB2即可实现电动机反向工作,SB1、SB2可以采用复合按钮(如图3-12)或转换开关。电动机正反转PLC控制:4)正反转自动循环线路行程控制原理:限位开关SQ1放在左端需要反向的位置,SQ2放在右端需要反向的位置,机械挡铁装在运动部件上。正向运动时,按正转按钮SB2,KM1通电自锁,电动机正向旋转,带动工作台左移。压下SQ1,其常闭触点断开,切断KM1的线圈电路。同时,SQ1的常开触点闭合,接通KM2的线圈电路,电动机反转,带动工作台右移,压下SQ2,工作台实现左右移动的自动控制。限位开关SQ3、SQ4分别起到左右超限位保护作用,当工作台移动到左右的极限位置时动作。图3-14行程原则控制电路SQ2SB3SQ1KM2SB1SQ2KM1SB2SQ1SQ4KM1SQ3KM2KM2KM1注意:运动部件经过一次自动往复循环,电动机要进行两次反接制动过程,易出现较大的反接制动电流和机械冲击。因此,这种电路只适用于电动机容量较小,循环周期较长,电动机转轴具有足够刚性的拖动系统中。在选择接触器容量时,应比一般情况下选择的容量大一些。5)多电机顺序启动以车床主轴为例,主电路如图3-13a所示,主轴拖动电动机M1,润滑油泵电动机M2。控制电路如图3-13b所示,KM2的常开触点串入KM1的线圈电路中,实现先KM2通电、后KM1通电的顺序动作。起动时,同时按下按钮SB2、SB4,油泵先给齿轮箱供油润滑,KM2的常开触点闭合,然后才允许主轴拖动电动机起动。PLC实现:如图所示。Y0的常开触点串在Y1的控制回路中,Y1的接通是以Y0的接通为条件。这样,只有Y0接通才允许Y1接通。Y0关断后Y1也被关断停止,而且Y0接通条件下,Y1可以自行接通和停止。X0、X2为起动按钮,X1、X3为停止按钮。6)多地点控制如图3-18所示,进行两地控制,应当有两组按钮,其线路设计的普遍规则是:各个操作地点的起动按钮(常开触点)并联,即逻辑“或”的关系;停车按钮(常闭按钮)串联,即逻辑“与非”的关系。FU2FU1图3-13车床主轴顺序启动控制电路KM1KR1M1a)a)主电路KM2KR2M2b)控制电路KM2KM1b)KM2UWVKM2KM1图3-18多地点控制电路KMSB1SB4SB3SB2KMFUKMFRMUWV多地控制电路PLC实现:下图是两个地方控制一个继电器线圈的程序。其中X0和X1是一个地方的起动和停止控制按钮,X2和X3是另一个地方的起动和停止控制按钮。两台交流异步电动机,一台启动10s后第二台启动,停车时两台同时停止。欲实现这一功能。给两台电机供电的两只交流接触器要占用PLC的两个输出口(Y0及Y2)。由于是两台电机联合启停,仅选一只启动按钮(X0)和一只停止按钮(X2),但延时功能需一只定时器(T1)。线路中的保护措施在电气控制线路中,常用的保护措施有:短路电流保护,过电流保护,热保护,零电压、欠电压保护,弱磁保护及超速...

1、当您付费下载文档后,您只拥有了使用权限,并不意味着购买了版权,文档只能用于自身使用,不得用于其他商业用途(如 [转卖]进行直接盈利或[编辑后售卖]进行间接盈利)。
2、本站所有内容均由合作方或网友上传,本站不对文档的完整性、权威性及其观点立场正确性做任何保证或承诺!文档内容仅供研究参考,付费前请自行鉴别。
3、如文档内容存在违规,或者侵犯商业秘密、侵犯著作权等,请点击“违规举报”。

碎片内容

上海海事大学可编程控制器考试试题示例

确认删除?
VIP
微信客服
  • 扫码咨询
会员Q群
  • 会员专属群点击这里加入QQ群
客服邮箱
回到顶部