电脑桌面
添加小米粒文库到电脑桌面
安装后可以在桌面快捷访问

石材产品(板材、异型材)加工贸易单耗标准-ExportVIP免费

石材产品(板材、异型材)加工贸易单耗标准-Export_第1页
1/5
石材产品(板材、异型材)加工贸易单耗标准-Export_第2页
2/5
石材产品(板材、异型材)加工贸易单耗标准-Export_第3页
3/5
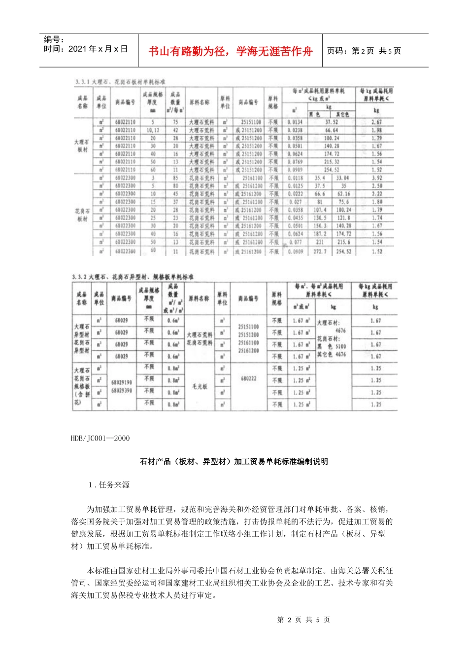
第1页共5页编号:时间:2021年x月x日书山有路勤为径,学海无涯苦作舟页码:第1页共5页HDB/JC001-2000石材产品(板材、异型材)加工贸易单耗标准(商品编号:68022110、68022300、68029)--(大理石荒料、花岗石荒料、毛光板部分)1范围本标准规定了以大理石荒料、花岗石荒料(商品编号:25151100、25151200、25161100、25161200)或大理石、花岗石毛边大板(商品编号:68022)为原料加工生产石材板材、异型材等产品(商品编号:68022110、68022300、68029),包括各种不同厚度规格的板材(含拼花图案类板材)、各种不同形状和规格的异型材(含花线、墓碑、园林雕刻品、文具、卫生洁具、艺术雕刻品)的加工贸易单耗标准。本标准适用于海关和外经贸管理部门对从事石材加工贸易的企业进行石材产品生产的大理石荒料、花岗石荒料或大理石、花岗石毛边大板单耗审批、备案和核销管理。2定义石材产品单耗:指在正常生产条件下,加工每单位重量(kg)板材或异型材所耗用的原料重量(kg)或加工1㎡板材或1m3异型材所耗用的原料体积(m3)。(包括工艺损耗)3单耗标准3.1原料品质要求本标准对原料(大理石荒料、花岗石荒料)品质要求应符合国家、行业现行标准(JC202--92,JC204--92)及合同对原料品质的认定。3.2成品品质要求本标准对成品品质要求应符合国家、行业现行标准(JC79--92,JC205--92)或国际行业技术标准规定及合同对成品品质的认定.3.3单耗标准第2页共5页第1页共5页编号:时间:2021年x月x日书山有路勤为径,学海无涯苦作舟页码:第2页共5页HDB/JC001--2000石材产品(板材、异型材)加工贸易单耗标准编制说明1.任务来源为加强加工贸易单耗管理,规范和完善海关和外经贸管理部门对单耗审批、备案、核销,落实国务院关于加强对加工贸易管理的政策措施,打击伪报单耗的不法行为,促进加工贸易的健康发展,根据加工贸易单耗标准制定工作联络小组工作计划,制定石材产品(板材、异型材)加工贸易单耗标准。本标准由国家建材工业局外事司委托中国石材工业协会负责起草制定。由海关总署关税征管司、国家经贸委经运司和国家建材工业局组织相关工业协会及企业的工艺、技术专家和有关海关加工贸易保税专业技术人员进行审定。第3页共5页第2页共5页编号:时间:2021年x月x日书山有路勤为径,学海无涯苦作舟页码:第3页共5页2.制定单耗标准的原则单耗标准的制定原则是以国家标准、行业标准或该类加工企业平均生产水平为基础,贯彻国家有关产业和外贸政策,符合我国加工贸易生产实际,有利于加工贸易企业技术进步和公平竞争,便于海关有效监管和相关单耗数据信息的使用和维护。3.编制过程3.1对标准条款的说明3.1.1《海关商品目录》中所称"花岗岩石材"的名称不甚准确,花岗岩是岩石学中一种酸性岩浆岩的专有名称,其化学成份、矿物结构都有严格范围界定,不能代表全部由岩浆凝固而形成的一大类石材,同时为与现行我国国家标准和国际惯例接轨,故本标准中改为准确的提法"花岗石石材"。3.1.2本标准延用我国石材业工作习惯,石材产品和石材原料均以面积(㎡)或体积(m3)计算。如需改为按质量计,可按下列公式和比重系数简单计算即可。公式:石材质量(kg)=体积(㎡)X比重系数(kgm3)比重系数:黑色花岗石材(基性、起基性岩浆岩):3.000km/m3其它颜色花岗石材:2.800kg/m3各颜色大理石材:2.800kg/m33.1.3考虑我国海关多年来一直执行的进口石材法定计量单位为"千克(kg)",而此单位在实际操作中易于理解和掌握,故本标准同时列出以"kg"为单位的单耗数据供选用。3.1.4由于石材加工贸易中较多使用进口毛光板加工生产规格板或拼花图案板的实际情况,故在本标准中附列此类单耗标准于"3.3.2"3.1.5放射性强度水平4.本标准要求所有天然石材其放射性水平应符合我国现行(JC518-93)标准。第4页共5页第3页共5页编号:时间:2021年x月x日书山有路勤为径,学海无涯苦作舟页码:第4页共5页5.石材加工中原材料工艺损耗的原因:5.1切割时刀口位置石材被刀头切割磨碎为岩粉,被清洗排出。5.2边角余料5.3研磨、烧毛、抛光、喷砂、剁斧……等等加工过程中的磨耗与破损。5.4...

1、当您付费下载文档后,您只拥有了使用权限,并不意味着购买了版权,文档只能用于自身使用,不得用于其他商业用途(如 [转卖]进行直接盈利或[编辑后售卖]进行间接盈利)。
2、本站所有内容均由合作方或网友上传,本站不对文档的完整性、权威性及其观点立场正确性做任何保证或承诺!文档内容仅供研究参考,付费前请自行鉴别。
3、如文档内容存在违规,或者侵犯商业秘密、侵犯著作权等,请点击“违规举报”。

碎片内容

石材产品(板材、异型材)加工贸易单耗标准-Export

确认删除?
VIP
微信客服
  • 扫码咨询
会员Q群
  • 会员专属群点击这里加入QQ群
客服邮箱
回到顶部