电脑桌面
添加小米粒文库到电脑桌面
安装后可以在桌面快捷访问

第三章-CO07_成本中心组维护流程VIP专享VIP免费

第三章-CO07_成本中心组维护流程_第1页
1/16
第三章-CO07_成本中心组维护流程_第2页
2/16
第三章-CO07_成本中心组维护流程_第3页
3/16
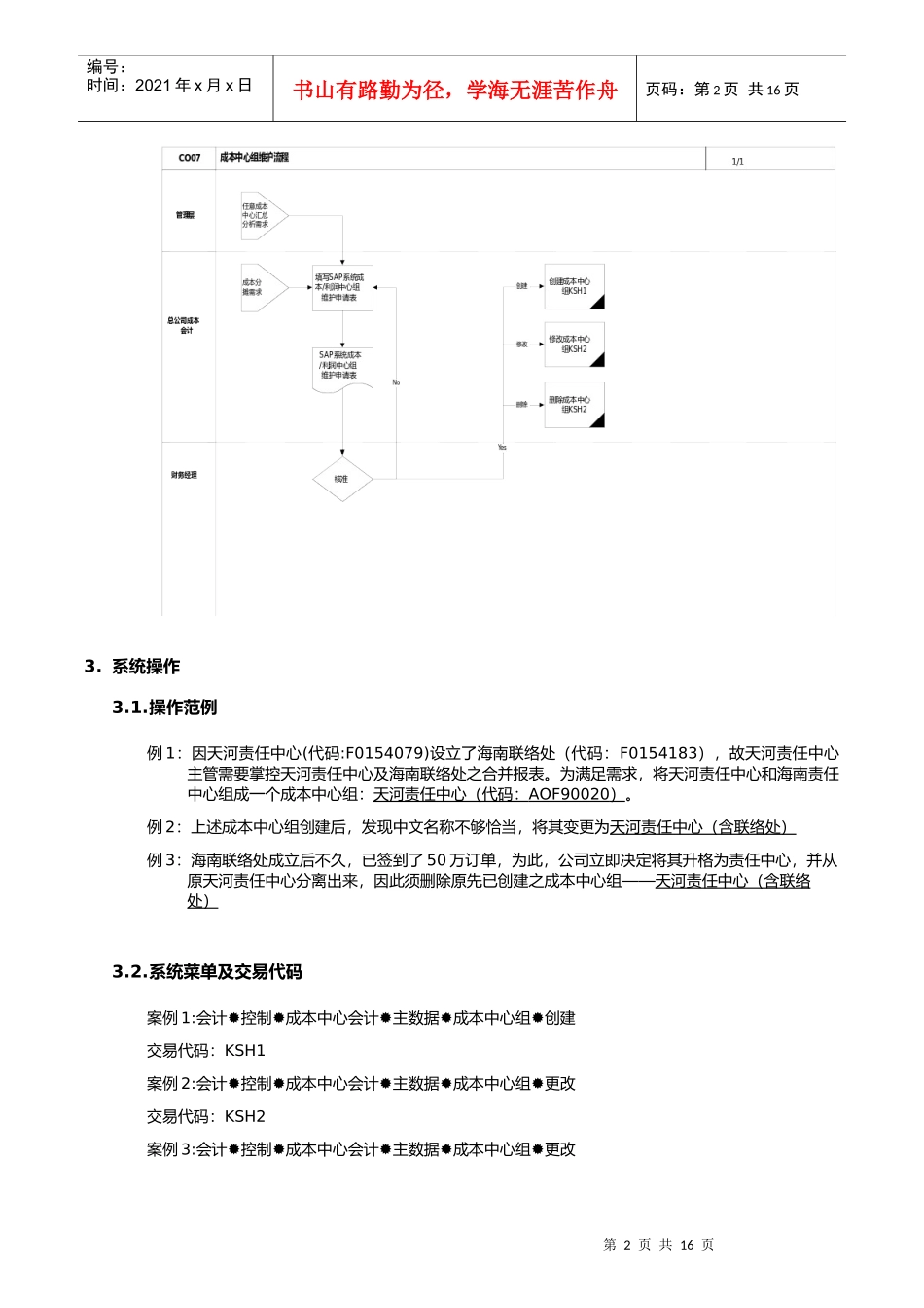
第1页共16页编号:时间:2021年x月x日书山有路勤为径,学海无涯苦作舟页码:第1页共16页第三章-CO07_成本中心组维护流程1.流程说明此流程描述当任意几个成本中心或成本中心组合并汇总时或成本中心组修改及删除时在SAP系统中之处理过程。通常,只有成本中心标准层次中不能满足管理报表或成本核算需求时才会考虑另建一个成本中心组来实现。如责任中心(含联络处)之汇总报表就是创建一个成本中心组方式来进行费用汇集;又如生产本部、生技课、生管课之费用全部分摊至所有车间成本中心时,则生产本部、生技课、生管课三个成本中心就建立一成本中心组来满足实际需要。成本中心组编码原则须统一规范,并由成本岗位专职维护。除用于生产成本方面之成本中心组以FTxx编号命名(其中xx为流水号)外,其于成本中心组以AOF9xxxx为命名规则(xxxx为流水号)。维护时,主数据专职维护人员须超龄写“成本/利润中心组维护申请表”(格式见附件一),据此作为SAP系统维护之依据。注意事项:1)成本中心组最高层次为AOF99(除成本分摊用成本中心组FT2、FT3、FT4外),在同属一个成本中心组最高层次内,一个成本中心不能同时从属于二个成本中心组。2)多数情况下,用于生产成本方面之成本中心组不应随意变更,如更改则须同步考虑成本分摊规则是否会受到影响。2.流程图第2页共16页第1页共16页编号:时间:2021年x月x日书山有路勤为径,学海无涯苦作舟页码:第2页共16页3.系统操作3.1.操作范例例1:因天河责任中心(代码:F0154079)设立了海南联络处(代码:F0154183),故天河责任中心主管需要掌控天河责任中心及海南联络处之合并报表。为满足需求,将天河责任中心和海南责任中心组成一个成本中心组:天河责任中心(代码:AOF90020)。例2:上述成本中心组创建后,发现中文名称不够恰当,将其变更为天河责任中心(含联络处)例3:海南联络处成立后不久,已签到了50万订单,为此,公司立即决定将其升格为责任中心,并从原天河责任中心分离出来,因此须删除原先已创建之成本中心组——天河责任中心(含联络处)3.2.系统菜单及交易代码案例1:会计控制成本中心会计主数据成本中心组创建交易代码:KSH1案例2:会计控制成本中心会计主数据成本中心组更改交易代码:KSH2案例3:会计控制成本中心会计主数据成本中心组更改第3页共16页第2页共16页编号:时间:2021年x月x日书山有路勤为径,学海无涯苦作舟页码:第3页共16页交易代码:KSH23.3.系统屏幕及栏位解释案例1:创建成本中心组天河责任中心(代码:AOF90020),操作步骤如下:输入成本中心组AOF90020(一般情况下成本中心组应以更改方式创建于成本中心组最高层AOF99下,如因同一最高层下成本中心不能出现二次而无法创建时,才独立创建。本例仅是一个创建例子,未考虑这一因素)后按钮进入下一画面。第4页共16页第3页共16页编号:时间:2021年x月x日书山有路勤为径,学海无涯苦作舟页码:第4页共16页输入成本中心组中文名称天河责任中心,按钮进入下一画面。第5页共16页第4页共16页编号:时间:2021年x月x日书山有路勤为径,学海无涯苦作舟页码:第5页共16页分别如画面所示输入成本中心代码后,按进入下一个画面。第6页共16页第5页共16页编号:时间:2021年x月x日书山有路勤为径,学海无涯苦作舟页码:第6页共16页此时,系统自动将成本中心中文名称显示出来。检核无误后按钮保存。第7页共16页第6页共16页编号:时间:2021年x月x日书山有路勤为径,学海无涯苦作舟页码:第7页共16页例2:因例1成本中心组中文名称不够恰当,故将其修改为天河责任中心(含联络处)。操作步骤如下:输入成本中心组AOF90020后,按钮进入下一个修改画面:第8页共16页第7页共16页编号:时间:2021年x月x日书山有路勤为径,学海无涯苦作舟页码:第8页共16页此时将原成本中心组名称天河责任中心更改为天河责任中心(含联络处),并按钮即修改完成。修改后画面如下:第9页共16页第8页共16页编号:时间:2021年x月x日书山有路勤为径,学海无涯苦作舟页码:第9页共16页例3:删除原先已创建之成本中心组天河责任中心(含联络处)AOF90020。操作步聚如下:第10页共16页...

1、当您付费下载文档后,您只拥有了使用权限,并不意味着购买了版权,文档只能用于自身使用,不得用于其他商业用途(如 [转卖]进行直接盈利或[编辑后售卖]进行间接盈利)。
2、本站所有内容均由合作方或网友上传,本站不对文档的完整性、权威性及其观点立场正确性做任何保证或承诺!文档内容仅供研究参考,付费前请自行鉴别。
3、如文档内容存在违规,或者侵犯商业秘密、侵犯著作权等,请点击“违规举报”。

碎片内容

第三章-CO07_成本中心组维护流程

确认删除?
VIP
微信客服
  • 扫码咨询
会员Q群
  • 会员专属群点击这里加入QQ群
客服邮箱
回到顶部