电脑桌面
添加小米粒文库到电脑桌面
安装后可以在桌面快捷访问

中化项目单位工程分部分项工程划分VIP免费

中化项目单位工程分部分项工程划分_第1页
1/12
中化项目单位工程分部分项工程划分_第2页
2/12
中化项目单位工程分部分项工程划分_第3页
3/12
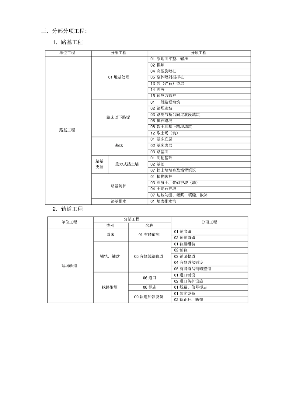
中化泉州1200万吨/年炼油项目铁路专用线(石化站)单位工程、分部分项工程划分一、单位工程划分:1、路基工程:A、地基处理;B、路床以下路堤;C、基床;D、路基支挡;E、路基防护;F、路基排水。2、轨道工程:站场轨道工程;3、通信工程:A、传输及接入系统;B、电话交换系统;C、调度通信系统;D、移动通信系统;E、车站通信系统;F、通信电源;G、电源及环境监控系统。4、信号工程:A、闭塞设备;B、联锁系统;C、电源系统;D、防雷系统;E、轨道电路;F、电码化系统;G、道岔转辙设备;H、信号机;I、信号集中检测系统;J、电线路。5、信息工程:A、FTMS系统;B、办公管理信息系统;C、视频监控系统。6、电力工程:A、变、配电所;B、电力远动系统;C、电力线路;D、站场照明;E、火灾自动报警系统;F、防雷接地。7、电力牵引供电工程:A、接触网。8、房建:A、车站综合楼;B、列检组;C、车号AEI探测机房;D、车辆临修棚;E、车辆临修辅助房屋;F、轨道衡控制室;G、运转整备房;H、工务工区;I、居住房屋;J、附属工程。9、站场工程:A、给水排水;B、机务;C、车辆;D、站场建筑。三、分部分项工程:1、路基工程单位工程分部工程分项工程路基工程01地基处理01原地面平整、碾压02换填04高压旋喷桩05浆体喷射搅拌桩13砂(碎石)垫层14强夯15预应力管桩路床以下路堤01一般路堤填筑02路堤边坡03路堤与桥台间过渡段填筑06填石路堤08软土地基上路堤填筑12取土场(坑)基床01基床底层02基床表层03路基面路基支挡重力式挡土墙01明挖基础02基础07挡土墙墙身及墙背填筑路基防护01植物防护03混凝土、浆砌护坡(墙)04干砌石护坡07边坡勾缝、灌浆、填缝、嵌补路基排水01地表排水沟2、轨道工程单位工程分部工程分项工程类别名称站场轨道道床01有碴道床01铺底碴02预铺道碴铺轨、铺岔05有缝线路轨道01轨排组装02铺轨03铺碴整道04有缝道岔铺设05有缝道岔铺碴整道线路附属06道口01道口铺设02道口防护设施08标志01线路、信号标志09轨道加强设备01防爬设备02轨距杆、轨撑3、通信工程单位工程分部工程分项工程名称传输及接入系统01设备安装01设备安装02设备配线02系统检测01通道检测02系统检测电话交换系统01设备安装01设备安装02设备配线02系统检测01通道检测02系统检测调度通信系统01设备安装01设备安装02设备配线02系统检测01通道检测02系统检测移动通信系统01设备安装01设备安装02设备配线02系统检测01通道检测02系统检测车站通信系统01设备安装01设备安装02设备配线02系统检测01通道检测02系统检测通信电源01设备安装01设备安装02设备配线02系统检测01通道检测02系统检测电源及环境监控系统01设备安装01设备安装02设备配线02系统检测01通道检测02系统检测4、信号工程单位工程分部工程分项工程名称闭塞设备01设备安装01设备安装02设备配线02系统检测01通道检测02系统检测联锁系统电源系统01设备安装01设备安装02设备配线02系统检测01通道检测02系统检测轨道电路01设备安装01设备安装02设备配线02系统检测01通道检测02系统检测电码化系统01设备安装01设备安装02设备配线02系统检测01通道检测02系统检测道岔转辙设备01设备安装01设备安装02设备配线02系统检测01通道检测02系统检测信号机01设备安装01设备安装02设备配线02系统检测01通道检测02系统检测电线路01设备安装01设备安装02设备配线02系统检测01通道检测02系统检测防雷系统01设备安装01设备安装02设备配线02系统检测01通道检测02系统检测信号集中检测系统01设备安装01设备安装02设备配线02系统检测01通道检测02系统检测5、信息工程单位工程分部工程分项工程名称FTMS系统01设备安装01设备安装02设备配线02系统检测01通道检测02系统检测办公管理信息系统01设备安装01设备安装02设备配线02系统检测01通道检测02系统检测视频监控系统01设备安装01设备安装02设备配线02系统检测01通道检测02系统检测6、电力工程单位工程分部工程分项工程类别名称变、配电所单位工程01变、配电所基础、构架及遮栏01基础02构架及遮栏02变、配电所变配电装置01电力变压器02互感器03高压断路器04隔离开关、负荷开关及高压熔断器05避雷器06电容器、电抗器07配电盘(柜...

1、当您付费下载文档后,您只拥有了使用权限,并不意味着购买了版权,文档只能用于自身使用,不得用于其他商业用途(如 [转卖]进行直接盈利或[编辑后售卖]进行间接盈利)。
2、本站所有内容均由合作方或网友上传,本站不对文档的完整性、权威性及其观点立场正确性做任何保证或承诺!文档内容仅供研究参考,付费前请自行鉴别。
3、如文档内容存在违规,或者侵犯商业秘密、侵犯著作权等,请点击“违规举报”。

碎片内容

中化项目单位工程分部分项工程划分

确认删除?
VIP
微信客服
  • 扫码咨询
会员Q群
  • 会员专属群点击这里加入QQ群
客服邮箱
回到顶部