电脑桌面
添加小米粒文库到电脑桌面
安装后可以在桌面快捷访问

第三篇 投标辅助材料VIP专享VIP免费

第三篇 投标辅助材料_第1页
1/41
第三篇 投标辅助材料_第2页
2/41
第三篇 投标辅助材料_第3页
3/41
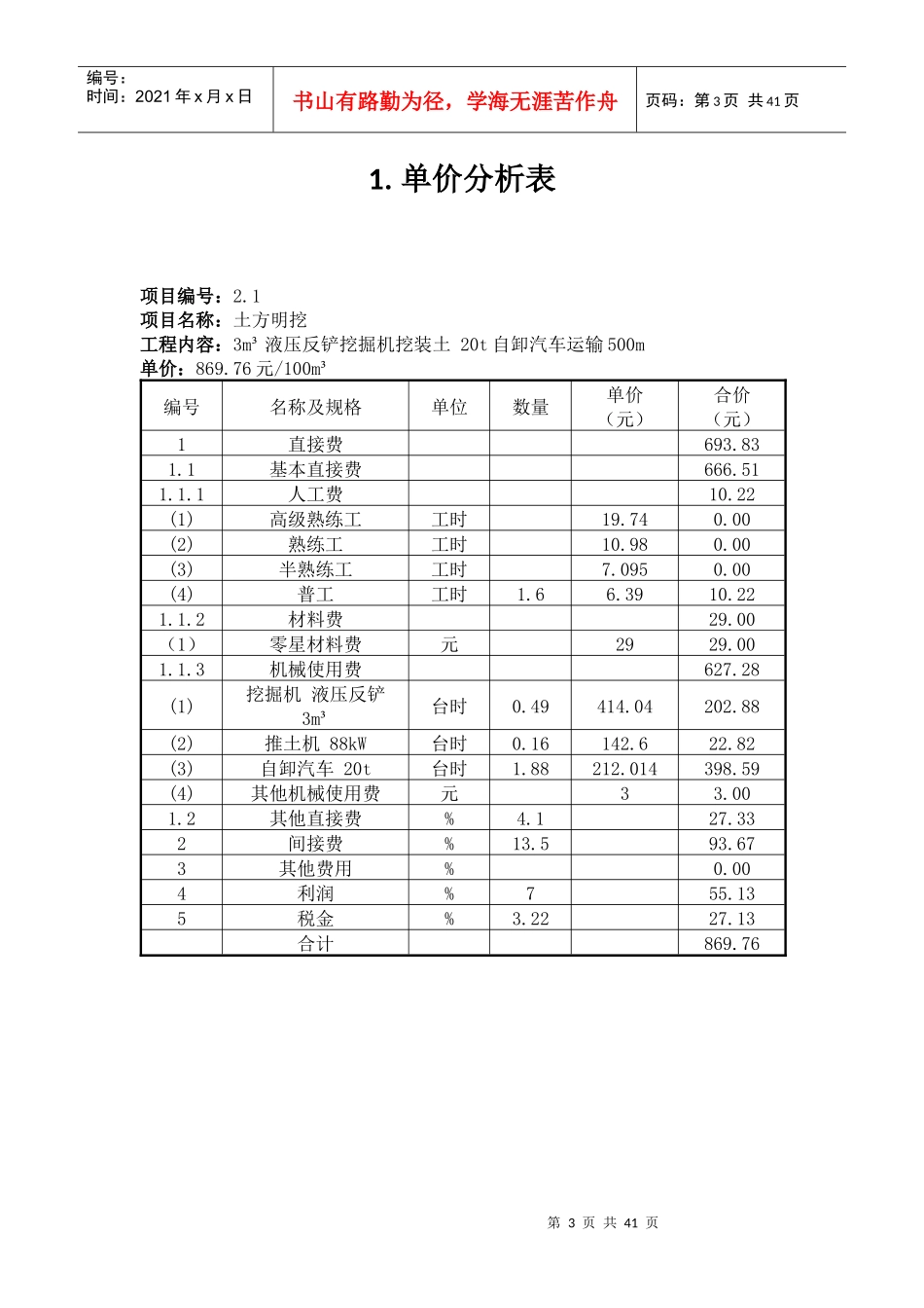
第三篇投标辅助材料第2页共41页编号:时间:2021年x月x日书山有路勤为径,学海无涯苦作舟页码:第2页共41页目录1.单价分析表...........................................................................................................................1-32.总价承包项目分解.............................................................................................................2-283.分组工程报价组成表.........................................................................................................3-38第3页共41页第2页共41页编号:时间:2021年x月x日书山有路勤为径,学海无涯苦作舟页码:第3页共41页1.单价分析表项目编号:2.1项目名称:土方明挖工程内容:3m³液压反铲挖掘机挖装土20t自卸汽车运输500m单价:869.76元/100m³编号名称及规格单位数量单价(元)合价(元)1直接费693.831.1基本直接费666.511.1.1人工费10.22(1)高级熟练工工时19.740.00(2)熟练工工时10.980.00(3)半熟练工工时7.0950.00(4)普工工时1.66.3910.221.1.2材料费29.00(1)零星材料费元2929.001.1.3机械使用费627.28(1)挖掘机液压反铲3m³台时0.49414.04202.88(2)推土机88kW台时0.16142.622.82(3)自卸汽车20t台时1.88212.014398.59(4)其他机械使用费元33.001.2其他直接费%4.127.332间接费%13.593.673其他费用%0.004利润%755.135税金%3.2227.13合计869.76第4页共41页第3页共41页编号:时间:2021年x月x日书山有路勤为径,学海无涯苦作舟页码:第4页共41页项目编号:2.3.1项目名称:石方明挖工程内容:一般石方开挖,风钻钻孔单价:2729.19元/100m³编号名称及规格单位数量单价(元)合价(元)1直接费2177.161.1基本直接费2091.411.1.1人工费901.58(1)高级熟练工工时2.519.7449.35(2)熟练工工时1610.98175.68(3)半熟练工工时177.095120.62(4)普工工时876.39555.931.1.2材料费622.08(1)合金钻头个2.03596195.36(3)风钻钻杆kg0.997.367.29(6)炸药kg35.57.14253.47(7)电雷管发5.3250.934.95(8)非电毫秒雷管发27.822.0757.59(9)导爆管m1160.32537.70(10)导电线m1330.32543.23(11)其他材料费元122.522.501.1.3机械使用费567.76(1)风钻手持式台时9.81543.53427.25(2)载重汽车5t台时0.978.9971.09(3)修钎设备台时0.235231.5754.42(4)其他机械使用费元11515.001.2其他直接费%4.185.752间接费%13.5293.923其他费用%00.004利润%7172.985税金%3.2285.14第5页共41页第4页共41页编号:时间:2021年x月x日书山有路勤为径,学海无涯苦作舟页码:第5页共41页合计2729.19项目编号:2.3.2项目名称:石渣运输工程内容:3m³装载机装土,自卸汽车运输单价:1386.64元/100m³编号名称及规格单位数量单价(元)合价(元)1直接费1106.161.1基本直接费1062.601.1.1人工费25.56(1)高级熟练工工时019.740.00(2)熟练工工时010.980.00(3)半熟练工工时07.0950.00(4)普工工时46.3925.561.1.2材料费15.50(1)零星材料费元115.515.501.1.3机械使用费1021.54(1)装载机3m³台时1.34181.92243.77(2)推土机88kW台时0.67142.695.54(3)自卸汽车20t台时3.18212.02674.22(4)其他机械使用费元188.001.2其他直接费%4.143.572间接费%13.5149.333其他费用%00.004利润%787.885税金%3.2243.26合计1386.64第6页共41页第5页共41页编号:时间:2021年x月x日书山有路勤为径,学海无涯苦作舟页码:第6页共41页项目编号:3.1.1项目名称:石方洞挖工程内容:三臂液压凿岩台车平洞石方开挖单价:8445.88元/100m³编号名称及规格单位数量单价(元)合价(元)1直接费6737.541.1基本直接费6472.181.1.1人工费971.09(1)高级熟练工工时719.74138.18(2)熟练工工时24.510.98269.01(3)半熟练工工时38.57.095273.16(4)普工工时45.56.39290.751.1.2材料费2615.30(1)钻头φ45-48个0.64976624.64(2)钻头φ100-102个0.1252500312.50(3)钻杆kg7.367.3654.17(4)炸药kg154.57.141103.13(5)非电毫秒雷管个100.52.07208.04第7页共41页第6页共41页编号:时间:2021年x月x日书山有路勤为径,学海无涯苦作舟页码:第7页共41页(6)导爆管m4010.3251...

1、当您付费下载文档后,您只拥有了使用权限,并不意味着购买了版权,文档只能用于自身使用,不得用于其他商业用途(如 [转卖]进行直接盈利或[编辑后售卖]进行间接盈利)。
2、本站所有内容均由合作方或网友上传,本站不对文档的完整性、权威性及其观点立场正确性做任何保证或承诺!文档内容仅供研究参考,付费前请自行鉴别。
3、如文档内容存在违规,或者侵犯商业秘密、侵犯著作权等,请点击“违规举报”。

碎片内容

第三篇 投标辅助材料

确认删除?
VIP
微信客服
  • 扫码咨询
会员Q群
  • 会员专属群点击这里加入QQ群
客服邮箱
回到顶部