电脑桌面
添加小米粒文库到电脑桌面
安装后可以在桌面快捷访问

粉刷工程(粉面类)VIP免费

粉刷工程(粉面类)_第1页
1/30
粉刷工程(粉面类)_第2页
2/30
粉刷工程(粉面类)_第3页
3/30
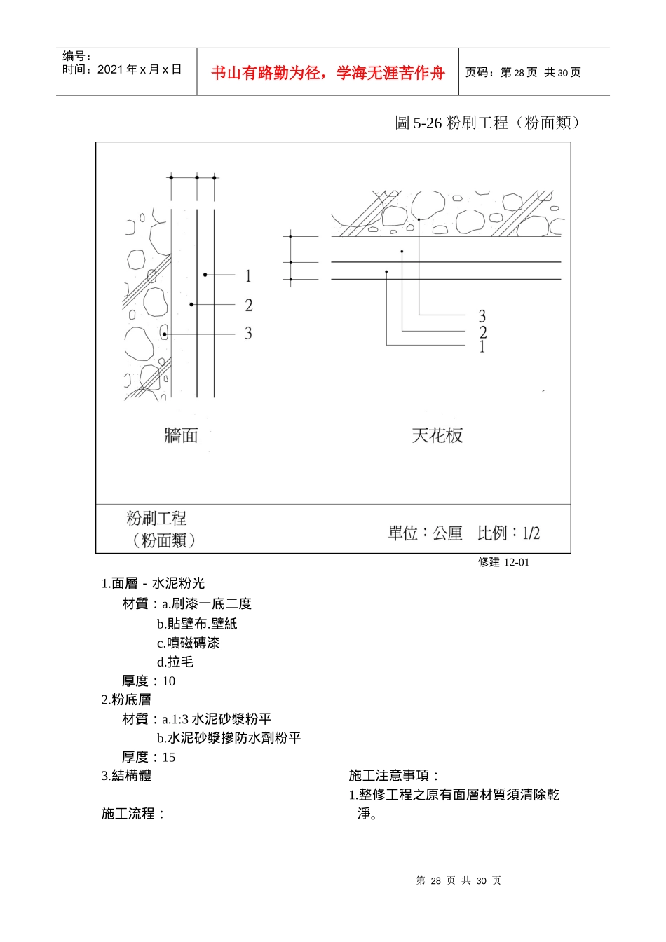
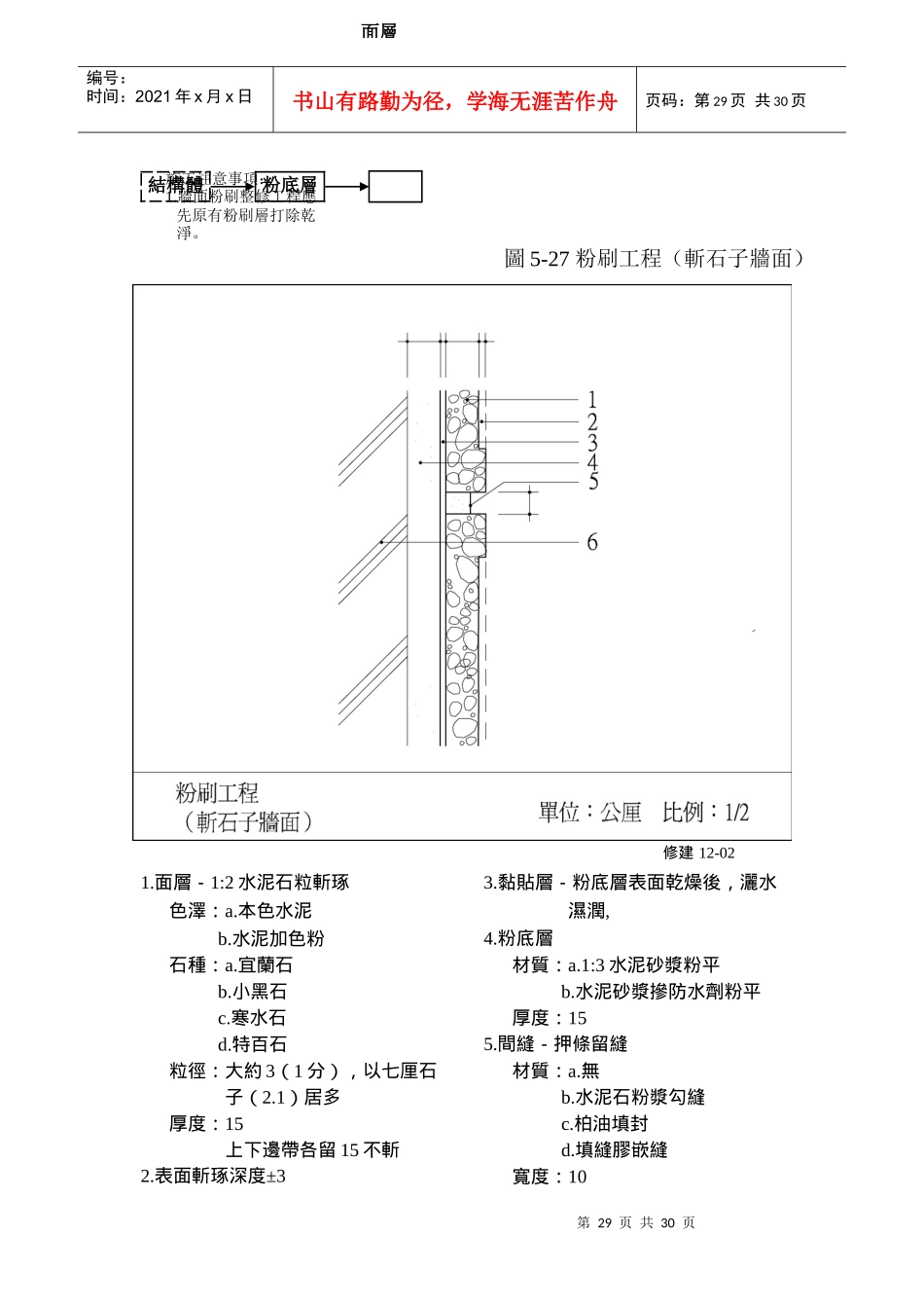
第28页共30页编号:时间:2021年x月x日书山有路勤为径,学海无涯苦作舟页码:第28页共30页圖5-26粉刷工程(粉面類)修建12-011.面層-水泥粉光材質:a.刷漆一底二度b.貼壁布.壁紙c.噴磁磚漆d.拉毛厚度:102.粉底層材質:a.1:3水泥砂漿粉平b.水泥砂漿摻防水劑粉平厚度:153.結構體施工注意事項:1.整修工程之原有面層材質須清除乾施工流程:淨。第29页共30页第28页共30页编号:时间:2021年x月x日书山有路勤为径,学海无涯苦作舟页码:第29页共30页圖5-27粉刷工程(斬石子牆面)修建12-021.面層-1:2水泥石粒斬琢3.黏貼層-粉底層表面乾燥後,灑水色澤:a.本色水泥濕潤,b.水泥加色粉4.粉底層石種:a.宜蘭石材質:a.1:3水泥砂漿粉平b.小黑石b.水泥砂漿摻防水劑粉平c.寒水石厚度:15d.特百石5.間縫-押條留縫粒徑:大約3(1分),以七厘石材質:a.無子(2.1)居多b.水泥石粉漿勾縫厚度:15c.柏油填封上下邊帶各留15不斬d.填縫膠嵌縫2.表面斬琢深度±3寬度:10結構體粉底層面層施工注意事項:1.牆面粉刷整修工程應先原有粉刷層打除乾淨。第30页共30页第29页共30页编号:时间:2021年x月x日书山有路勤为径,学海无涯苦作舟页码:第30页共30页間距:@3000雙向6.結構體-混凝土或紅磚施工流程:圖5-28粉刷工程(面磚牆面)修建12-031.面層-貼面磚4.間縫材質:a.陶質類材質:a.水泥石粉漿勾縫b.石質類b.樹脂黏著劑嵌縫c.瓷質類寬度:3、6、10厚度:6、105.結構體-混凝土或紅磚2.黏貼層6.伸縮縫材質:a.純水泥漿加海菜粉材質:a.填縫膠嵌縫b.樹脂黏著劑b.樹脂黏著劑嵌縫厚度:5寬度:15以上結構體粉底層黏貼層面層表面斬琢間縫施工注意事項:1.牆面粉刷整修工程應先原有粉刷層打除乾淨。第31页共30页第30页共30页编号:时间:2021年x月x日书山有路勤为径,学海无涯苦作舟页码:第31页共30页3.粉底層材質:a.1:3水泥砂漿粉平b.水泥砂漿摻防水劑粉平厚度:15施工流程:圖5-29照明改善工程(教室照明)修建13-011.吊管日光燈規格:40Wx2附吊管結構體粉底層黏貼層面層間縫伸縮縫第32页共30页第31页共30页编号:时间:2021年x月x日书山有路勤为径,学海无涯苦作舟页码:第32页共30页2.教室黑板燈規格:40Wx1、40Wx2附吊管3.管線規格:PVC管,內穿PVC線4.壁開關5.插座6.開關箱施工注意事項:1.照明改善若會增加電力負荷時,應考慮電源一併改善。2.應檢討合理照度。圖5-30照明改善工程(活動中心照明)修建13-021.燈具種類:複金屬水銀燈400Wx1附吊管及安定器第33页共30页第32页共30页编号:时间:2021年x月x日书山有路勤为径,学海无涯苦作舟页码:第33页共30页2.燈具種類:吸頂日光燈40Wx23.管線規格:PVC管,內穿PVC線4.開關箱施工注意事項:1.照明改善若會增加電力負荷時,應考慮電源一併改善。2.應檢討合理照度。圖5-31廁所整修工程(廁所隔間板)第34页共30页第33页共30页编号:时间:2021年x月x日书山有路勤为径,学海无涯苦作舟页码:第34页共30页修建14-011.柳安角材2.鋁料封邊3.蜂巢蕊4.面層-樹脂板材質:熱固性強化樹脂板厚度:2.5施工注意事項:說明:隔間板總厚度:32、35、381.隔間板之板材應為耐燃材質。2.考慮掛勾、置物板等配件之放置。3.廁所隔間板下方之透空高度須考慮視覺上之隱密性。第35页共30页第34页共30页编号:时间:2021年x月x日书山有路勤为径,学海无涯苦作舟页码:第35页共30页圖5-32廁所整修工程(無障礙廁所)修建14-021.無障礙用坐式馬桶規格:電沖式、手壓式2.無障礙用洗臉盆規格:感應式龍頭、撥桿式龍頭3.無障礙用小便斗規格:電沖式4.L型扶手5.C型扶手6.面盆扶手7.小便斗扶手8.拉門第36页共30页第35页共30页编号:时间:2021年x月x日书山有路勤为径,学海无涯苦作舟页码:第36页共30页說明:扶手直徑1"ψ材質:不鏽鋼#303、304。施工注意事項:1.空間、尺寸及各項設施須符合無障礙設施之相關規定。圖5-33化糞池整修工程(預鑄式化糞池)第37页共30页第36页共30页编号:时间:2021年x月x日书山有路勤为径,学海无涯苦作舟页码:第37页共30页修建15-011.FRP槽體4.接觸曝氣槽規格:5M、7.5M等5.沈澱槽2.初沉槽6.混凝土基座3.高濃度處理槽施工注意事項:第38页...

1、当您付费下载文档后,您只拥有了使用权限,并不意味着购买了版权,文档只能用于自身使用,不得用于其他商业用途(如 [转卖]进行直接盈利或[编辑后售卖]进行间接盈利)。
2、本站所有内容均由合作方或网友上传,本站不对文档的完整性、权威性及其观点立场正确性做任何保证或承诺!文档内容仅供研究参考,付费前请自行鉴别。
3、如文档内容存在违规,或者侵犯商业秘密、侵犯著作权等,请点击“违规举报”。

碎片内容

粉刷工程(粉面类)

确认删除?
VIP
微信客服
  • 扫码咨询
会员Q群
  • 会员专属群点击这里加入QQ群
客服邮箱
回到顶部