电脑桌面
添加小米粒文库到电脑桌面
安装后可以在桌面快捷访问

企业注销清算申报表(实例填写)VIP免费

企业注销清算申报表(实例填写)_第1页
1/10
企业注销清算申报表(实例填写)_第2页
2/10
企业注销清算申报表(实例填写)_第3页
3/10
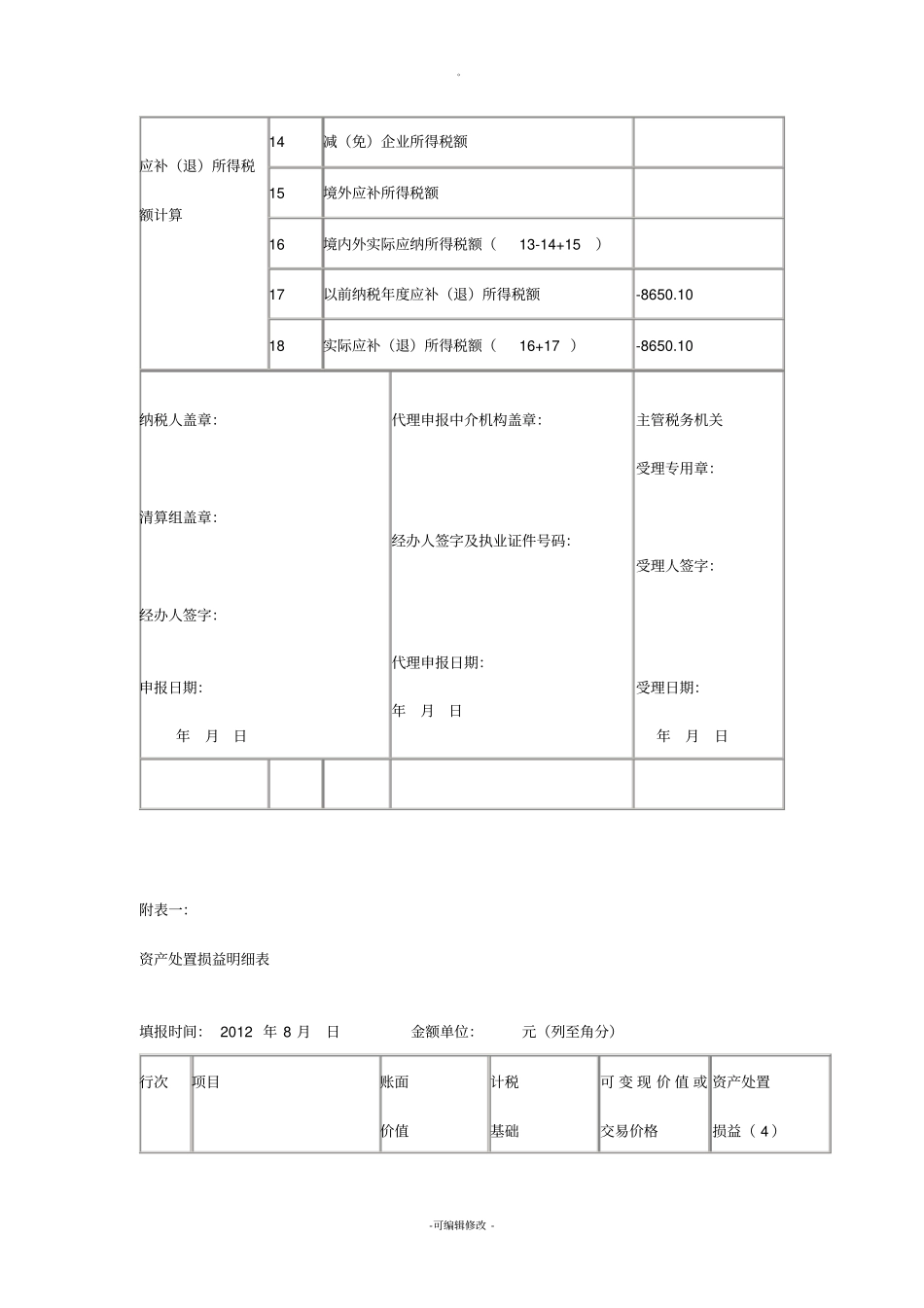
。-可编辑修改-企业注销清算申报表(实例填写)附件1中华人民共和国企业清算所得税申报表清算期间:2012年6月1日至2012年8月日纳税人名称:xxxXXXX纳税人识别号:□□□□□□□□□□□□□□□金额单位:元(列至角分)类别行次项目金额应纳税所得额计算1资产处置损益(填附表一)-65565.942负债清偿损益(填附表二)24054.933清算费用4清算税金及附加5其他所得或支出6清算所得(1+2-3-4+5)-41511.017免税收入8不征税收入9其他免税所得10弥补以前年度亏损11应纳税所得额(6-7-8-9-10)-41511.01应纳所得税额计算12税率(25%)13应纳所得税额(11×12)0。-可编辑修改-应补(退)所得税额计算14减(免)企业所得税额15境外应补所得税额16境内外实际应纳所得税额(13-14+15)17以前纳税年度应补(退)所得税额-8650.1018实际应补(退)所得税额(16+17)-8650.10纳税人盖章:清算组盖章:经办人签字:申报日期:年月日代理申报中介机构盖章:经办人签字及执业证件号码:代理申报日期:年月日主管税务机关受理专用章:受理人签字:受理日期:年月日附表一:资产处置损益明细表填报时间:2012年8月日金额单位:元(列至角分)行次项目账面价值计税基础可变现价值或交易价格资产处置损益(4)。-可编辑修改-(1)(2)(3)=(3)-(2)1货币资金1041216.661041216.661041216.6602短期投资*3交易性金融资产#4应收票据5应收账款6预付账款7应收利息8应收股利9应收补贴款*10其他应收款11存货67765.9467765.942200-65565.9412待摊费用*13一年内到期的非流动资产14其他流动资产15可供出售金融资产#16持有至到期投资#17长期应收款#18长期股权投资19长期债权投资*20投资性房地产#。-可编辑修改-21固定资产72421.5172421.5172421.51022在建工程23工程物资24固定资产清理25生物资产#26油气资产#27无形资产28开发支出#29商誉#30长期待摊费用31其他非流动资产32总计1181404.111181404.111115838.17-65565.94经办人签字:纳税人盖章:附表二:负债清偿损益明细表填报时间:2012年8月日金额单位:元(列至角分)行次项目账面价值(1)计税基础(2)清偿金额(3)负债清偿损益(4)=(2)-(3)1短期借款。-可编辑修改-2交易性金融负债#3应付票据4应付账款5预收账款6应付职工薪酬#7应付工资*8应付福利费*9应交税费10应付利息11应付股利12其他应交款*13其他应付款24054.9324054.93024054.9314预提费用*15一年内到期的非流动负债16其他流动负债17长期借款18应付债券19长期应付款20专项应付款21预计负债#22其他非流动负债。-可编辑修改-23总计24054.9324054.9324054.93经办人签字:纳税人盖章:附表三:剩余财产计算和分配明细表填报时间:2012年8月日金额单位:元(列至角分)类别行次项目金额剩余财产计算1资产可变现价值或交易价格1041216.662清算费用3职工工资80004社会保险费用5法定补偿金。-可编辑修改-6清算税金及附加7清算所得税额8以前年度欠税额9其他债务10剩余财产(1-2-⋯-9)1033216.6611其中:累计盈余公积1138926.612累计未分配利润-390273.78经办人签字:纳税人盖章:剩余财产分配表股东名称持有清算企业权益性投资比例(%)投资额分配的财产金额其中:确认为股息红利金额投资转让财产所得金额扣缴个人所得税扣除个税后分配的财产金额13(1)X3.125687532288.0223395.408892.625082.6027205.4214(2)X3.125687532288.0223395.408892.625082.6027205.4215(3)X3.125687532288.0223395.408892.625082.6027205.4216(4)X3.125687532288.0223395.408892.625082.6027205.4217(5)X3.125687532288.0223395.408892.625082.6027205.4218(6)X3.125687532288.0223395.408892.625082.6027205.42。-可编辑修改-19(7)X3.125687532288.0223395.408892.625082.6027205.4220(8)X3.125687532288.0223395.408892.625082.6027205.4221(9)X3.125687532288.0223395.408892.625082.6027205.4222(10)X3.125687532288.0223395.408892.625082.6027205.4223(11)X3.125687532288.0223395.408892.625082.6027205.4224(12)X3.125687532288.0223395.408892.625082.6027205.4225(13)X3.125687532288.0223395.408892.62508...

1、当您付费下载文档后,您只拥有了使用权限,并不意味着购买了版权,文档只能用于自身使用,不得用于其他商业用途(如 [转卖]进行直接盈利或[编辑后售卖]进行间接盈利)。
2、本站所有内容均由合作方或网友上传,本站不对文档的完整性、权威性及其观点立场正确性做任何保证或承诺!文档内容仅供研究参考,付费前请自行鉴别。
3、如文档内容存在违规,或者侵犯商业秘密、侵犯著作权等,请点击“违规举报”。

碎片内容

企业注销清算申报表(实例填写)

您可能关注的文档

确认删除?
VIP
微信客服
  • 扫码咨询
会员Q群
  • 会员专属群点击这里加入QQ群
客服邮箱
回到顶部