电脑桌面
添加小米粒文库到电脑桌面
安装后可以在桌面快捷访问

安全生产目标计划分解表VIP免费

安全生产目标计划分解表_第1页
1/14
安全生产目标计划分解表_第2页
2/14
安全生产目标计划分解表_第3页
3/14
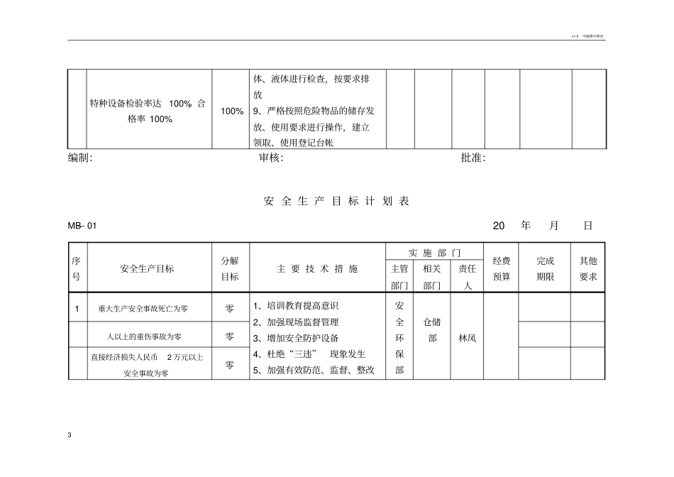
v1.0可编辑可修改1安全生产目标计划分解表MB—0120年月日序号安全生产目标分解目标主要技术措施实施部门经费预算完成期限其他要求主管部门相关部门责任人1重大生产安全事故死亡为零零1、培训教育提高意识2、加强现场监督管理3、增加安全防护设备4、杜绝“三违”现象发生5、加强有效防范、监督、整改措施6、做好应急救援演练7、定期对特种设备进行检定、维护保养8、严格按照行业标准对有害气体、液体进行检查,按要求排放9、严格按照危险物品的储存发放、使用要求进行操作,建立领取、使用登记台帐安全环保部生产部人以上的重伤事故为零零直接经济损失人民币2万元以上安全事故为零零新入厂员工三级教育培训率达到100%,合格率100%100%职业中毒事故、火警火灾事故和重大责任交通事故为零零特种设备检验率达100%,合格率100%100%v1.0可编辑可修改2编制:审核:批准:安全生产目标计划表MB—0120年月日序号安全生产目标分解目标主要技术措施实施部门经费预算完成期限其他要求主管部门相关部门责任人1重大生产安全事故死亡为零零1、培训教育提高意识2、加强现场监督管理3、增加安全防护设备4、杜绝“三违”现象发生5、加强有效防范、监督、整改措施6、做好应急救援演练7、定期对特种设备进行检定、维护保养8、严格按照行业标准对有害气安全环保部设备部张军人以上的重伤事故为零零直接经济损失人民币2万元以上安全事故为零零新入厂员工三级教育培训率达到100%,合格率100%100%职业中毒事故、火警火灾事故和重大责任交通事故为零零v1.0可编辑可修改3特种设备检验率达100%,合格率100%100%体、液体进行检查,按要求排放9、严格按照危险物品的储存发放、使用要求进行操作,建立领取、使用登记台帐编制:审核:批准:安全生产目标计划表MB—0120年月日序号安全生产目标分解目标主要技术措施实施部门经费预算完成期限其他要求主管部门相关部门责任人1重大生产安全事故死亡为零零1、培训教育提高意识2、加强现场监督管理3、增加安全防护设备4、杜绝“三违”现象发生5、加强有效防范、监督、整改安全环保部仓储部林凤人以上的重伤事故为零零直接经济损失人民币2万元以上安全事故为零零v1.0可编辑可修改4新入厂员工三级教育培训率达到100%,合格率100%100%措施6、做好应急救援演练7、定期对特种设备进行检定、维护保养8、严格按照行业标准对有害固体进行检查,按要求排放9、严格按照危险物品的储存发放、使用要求进行操作,建立领取、使用登记台帐职业中毒事故、火警火灾事故和重大责任交通事故为零零特种设备检验率达100%,合格率100%100%编制:审核:批准:安全生产目标计划表MB—0120年月日序号安全生产目标分解目标主要技术措施实施部门经费预算完成期限其他要求主管部门相关部门责任人v1.0可编辑可修改51重大生产安全事故死亡为零零1、培训教育提高意识2、加强现场监督管理3、增加安全防护设备4、杜绝“三违”现象发生5、加强有效防范、监督、整改措施6、做好应急救援演练安全环保部业务部李天人以上的重伤事故为零零直接经济损失人民币2万元以上安全事故为零零新入厂员工三级教育培训率达到100%,合格率100%100%编制:审核:批准:安全生产目标计划表MB—0120年月日序安全生产目标分解主要技术措施实施部门经费完成其他v1.0可编辑可修改6号目标主管部门相关部门责任人预算期限要求1重大生产安全事故死亡为零零1、培训教育提高意识2、加强现场监督管理3、增加安全防护设备4、杜绝“三违”现象发生5、加强有效防范、监督、整改措施6、做好应急救援演练安全环保部品管部李伟人以上的重伤事故为零零直接经济损失人民币2万元以上安全事故为零零新入厂员工三级教育培训率达到100%,合格率100%100%编制:审核:批准:安全生产目标计划表MB—0120年月日v1.0可编辑可修改7序号安全生产目标分解目标主要技术措施实施部门经费预算完成期限其他要求主管部门相关部门责任人1重大生产安全事故死亡为零零1、培训教育提高意识2、加强现场监督管理3、增加安全防护设备4、杜绝“三违”现象发生5、加强有效防范、监督、整改措施6、做好应急救援演练安全环保部技术部宋华人以上的重伤事故为零零直接经济损失人...

1、当您付费下载文档后,您只拥有了使用权限,并不意味着购买了版权,文档只能用于自身使用,不得用于其他商业用途(如 [转卖]进行直接盈利或[编辑后售卖]进行间接盈利)。
2、本站所有内容均由合作方或网友上传,本站不对文档的完整性、权威性及其观点立场正确性做任何保证或承诺!文档内容仅供研究参考,付费前请自行鉴别。
3、如文档内容存在违规,或者侵犯商业秘密、侵犯著作权等,请点击“违规举报”。

碎片内容

安全生产目标计划分解表

确认删除?
VIP
微信客服
  • 扫码咨询
会员Q群
  • 会员专属群点击这里加入QQ群
客服邮箱
回到顶部