电脑桌面
添加小米粒文库到电脑桌面
安装后可以在桌面快捷访问

优质结构工程质量的评审要求和标准VIP免费

优质结构工程质量的评审要求和标准_第1页
1/23
优质结构工程质量的评审要求和标准_第2页
2/23
优质结构工程质量的评审要求和标准_第3页
3/23
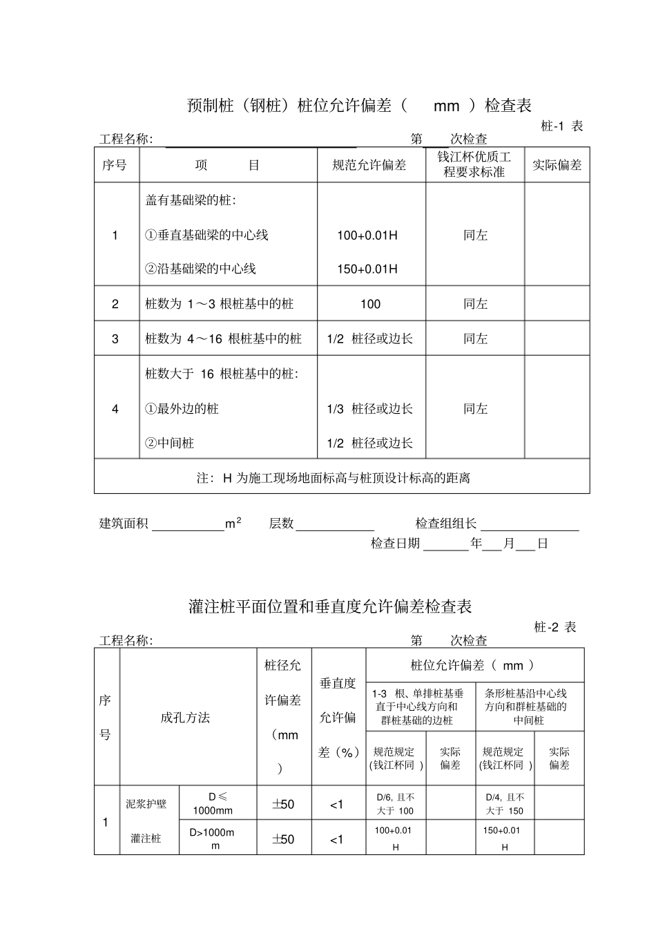
附件:优质结构工程质量的评审要求和标准一、桩基工程质量评审要求1、桩基工程质量检查应包括:现场预制或灌注桩的原材料、混凝土级配、搅拌、运输、浇注、振捣、脱模、养护以及钢筋工程、预应力施加、桩的就位、打(压)、清孔等全过程的施工质量;成品桩包括产品合格证、成品桩复检、运输、堆放、就位、打(压)、按桩以及原材料等过程的施工质量。2、工程桩应进行承载力检验,抽检数量不应少于总桩数的1%,且不少于3根;当总桩数在50根以内的,不应少于2根。承载力达到设计和规范要求。3、混凝土桩的桩身完整性检测应达到以下要求:①灌注桩应全数检测;②桩身完整性检测评价结果应达到全部为一类和二类桩,且一类桩应达到60%以上。4、打(压)入桩(预制混凝土方桩、先张法预应力管桩、钢桩)的桩位偏差,必须符合桩-1表的规定。5、灌注桩的桩位偏差必须符合桩-2表的规定,桩顶标高至少要比设计标高高出0.5m,桩底清孔质量按不同的成桩工艺应达到规范的要求。每浇注50m3混凝土必须有1组试件,小于50m3的桩,每根桩必须有1组试件。6、各种桩的施工质量(包括成品桩、打(压)桩、接桩、焊缝、钢筋笼、混凝土充盈系数等)均应达到规范的要求,混凝土强度达到设计和规范标准的要求。预制桩(钢桩)桩位允许偏差(mm)检查表桩-1表工程名称:第次检查序号项目规范允许偏差钱江杯优质工程要求标准实际偏差1盖有基础梁的桩:①垂直基础梁的中心线②沿基础梁的中心线100+0.01H150+0.01H同左2桩数为1~3根桩基中的桩100同左3桩数为4~16根桩基中的桩1/2桩径或边长同左4桩数大于16根桩基中的桩:①最外边的桩②中间桩1/3桩径或边长1/2桩径或边长同左注:H为施工现场地面标高与桩顶设计标高的距离建筑面积m2层数检查组组长检查日期年月日灌注桩平面位置和垂直度允许偏差检查表桩-2表工程名称:第次检查序号成孔方法桩径允许偏差(mm)垂直度允许偏差(%)桩位允许偏差(mm)1-3根、单排桩基垂直于中心线方向和群桩基础的边桩条形桩基沿中心线方向和群桩基础的中间桩规范规定(钱江杯同)实际偏差规范规定(钱江杯同)实际偏差1泥浆护壁灌注桩D≤1000mm±50<1D/6,且不大于100D/4,且不大于150D>1000mm±50<1100+0.01H150+0.01H2套管成孔灌注桩D≤500mm-20<170150D>500mm-20<11001503干成孔灌注桩-20<1701504人工挖空桩混凝土护壁+50<0.550150钢套管护壁+50<1100200注:1、桩径允许偏差的负值是指个别断面。2、采用复打、反插法施工的桩,其桩径允许偏差不受上表限制。3、H为施工现场地面标高与桩顶设计标高的距离,D为设计桩径。建筑面积m2层数检查组组长检查日期年月日二、混凝土结构工程质量评定要求1、混凝土工程质量应包括混凝土原材料、搅拌、运输、浇注、振捣至结构工程脱模养护的全过程施工质量,同时检查模板、钢筋工程质量及相关的预应力结构、钢结构和砌体结构质量。并应符合《混凝土质量控制标准》(GB50164—92)的要求。2、钢筋原材料应符合现行规范、标准和设计要求,并按有关规定具备产品出厂合格证、检验报告和现场复试报告。3、预埋铁件加工质量应符合设计要求。埋件所用的钢板、钢带,角、槽型钢等应尺寸准确,面层平整,边角整齐,不得有毛边,飞翘,与锚筋电弧焊接牢固,焊药皮清刷干净。焊缝的宽度、厚度及焊口质量合格。4、后涨法预应力混凝土结构应有施工技术方案;无粘结和有粘结预应力筋的材料质量及制作安装质量,应符合相应的《无粘结预应力混凝土结构技术规程》(JGJ/T92);《混凝土结构工程施工质量验收规范》(GB50204--2002),《预应力混凝土用金属螺旋管》(JG/T1013)标准和设计要求。5、钢筋的混凝土保护层厚度和保证措施必须符合现行规范、标准和设计要求,控制保护层厚度的各种垫块、卡具、支架应规格尺寸准确,并确保浇注、振捣混凝土时不移位、不破损、不脱落,凡有透过混凝土面层的钢筋,其端头应预先涂防锈漆或加塑料套垫。不得使用灰浆皮、钢筋头、石子、碎砖、木片等杂物充当垫块。6、钢筋工程有设计变更时,必须先办理设计变更手续,并坚持自检、互检和专业检验制。做到隐蔽工程验收手续齐备。7、钢筋工程安装质量允许偏差要求见砼-1表。8、被查的...

1、当您付费下载文档后,您只拥有了使用权限,并不意味着购买了版权,文档只能用于自身使用,不得用于其他商业用途(如 [转卖]进行直接盈利或[编辑后售卖]进行间接盈利)。
2、本站所有内容均由合作方或网友上传,本站不对文档的完整性、权威性及其观点立场正确性做任何保证或承诺!文档内容仅供研究参考,付费前请自行鉴别。
3、如文档内容存在违规,或者侵犯商业秘密、侵犯著作权等,请点击“违规举报”。

碎片内容

优质结构工程质量的评审要求和标准

确认删除?
VIP
微信客服
  • 扫码咨询
会员Q群
  • 会员专属群点击这里加入QQ群
客服邮箱
回到顶部