电脑桌面
添加小米粒文库到电脑桌面
安装后可以在桌面快捷访问

北京市主要行业用水定额VIP免费

北京市主要行业用水定额_第1页
1/12
北京市主要行业用水定额_第2页
2/12
北京市主要行业用水定额_第3页
3/12
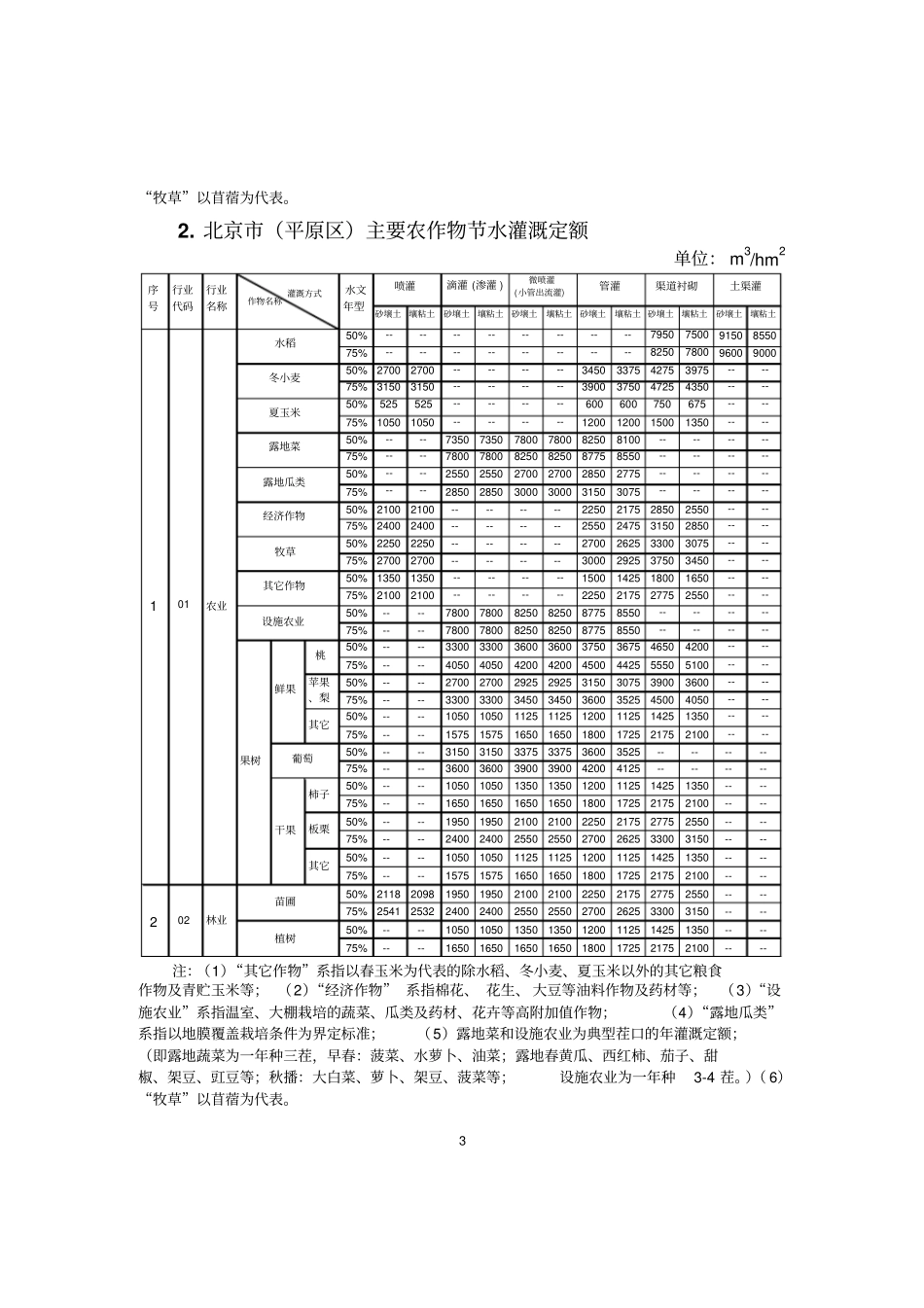
北京市主要行业用水定额北京市节约用水办公室2001年11月21.北京市(山区)主要农作物节水灌溉定额单位:m3/hm2砂壌土壤粘土砂壌土壤粘土砂壌土壤粘土砂壌土壤粘土砂壌土壤粘土砂壌土壤粘土50%----------------795075009150855075%----------------8550810010050945050%30003000--------3450337542753975----75%33003300--------3750367546504350----50%10501050--------1050105013501200----75%13501350--------1500142518001650----50%----765076508100810086258400--------75%----780078008250825087758550--------50%----240024002550255027002625--------75%----285028503000300031503075--------50%19501950--------2100202525502400----75%25502550--------2550247531502850----50%24002400--------2550247531502850----75%28502850--------3000292537503450----50%16501650--------1800172521752025----75%21002100--------2400232529252700----50%----780078008250825087758550--------75%----780078008250825087758550--------50%----33003300360036003750367546504200----75%----40504050420042004500442555505100----50%----27002700292529253150307539003600----75%----33003300345034503600352545004050----50%----10501050112511251200112514251350----75%----15751575165016501800172521752100----50%----315031503375337536003525--------75%----360036003900390042004125--------50%----10501050135013501200112514251350----75%----16501650165016501800172521752100----50%----19501950210021002250217527752550----75%----24002400255025502700262533003150----50%----10501050112511251200112514251350----75%----15751575165016501800172521752100----50%2118209819501950210021002250217527752550----75%2541253224002400255025502700262533003150----50%----10501050112511251200112514251350----75%----15751575165016501800172521752100----作物名称灌溉方式水稻冬小麦柿子露地瓜类露地菜夏玉米经济作物板栗其它干果果树桃苹果、梨其它鲜果葡萄水文年型土渠灌喷灌滴灌(渗灌)微喷灌(小管出流灌)管灌渠道衬砌林业苗圃植树行业代码行业名称农业01设施农业其它作物牧草序号2102注:(1)“其它作物”系指以春玉米为代表的除水稻、冬小麦、夏玉米以外的其它粮食作物及青贮玉米等;(2)“经济作物”系指棉花、花生、大豆等油料作物及药材等;(3)“设施农业”系指温室、大棚栽培的蔬菜、瓜类及药材、花卉等高附加值作物;(4)“露地瓜类”系指以地膜覆盖栽培条件为界定标准;(5)露地菜和设施农业为典型茬口的年灌溉定额;(即露地蔬菜为一年种三茬,早春:菠菜、水萝卜、油菜;露地春黄瓜、西红柿、茄子、甜椒、架豆、豇豆等;秋播:大白菜、萝卜、架豆、菠菜等;设施农业为一年种3-4茬。)(6)3“牧草”以苜蓿为代表。2.北京市(平原区)主要农作物节水灌溉定额单位:m3/hm2砂壌土壤粘土砂壌土壤粘土砂壌土壤粘土砂壌土壤粘土砂壌土壤粘土砂壌土壤粘土50%----------------795075009150855075%----------------825078009600900050%27002700--------3450337542753975----75%31503150--------3900375047254350----50%525525--------600600750675----75%10501050--------1200120015001350----50%----735073507800780082508100--------75%----780078008250825087758550--------50%----255025502700270028502775--------75%----285028503000300031503075--------50%21002100--------2250217528502550----75%24002400--------2550247531502850----50%22502250--------2700262533003075----75%27002700--------3000292537503450----50%13501350--------1500142518001650----75%21002100--------2250217527752550----50%----780078008250825087758550--------75%----780078008250825087758550--------50%----33003300360036003750367546504200----75%----40504050420042004500442555505100----50%----27002700292529253150307539003600----75%----33003300345034...

1、当您付费下载文档后,您只拥有了使用权限,并不意味着购买了版权,文档只能用于自身使用,不得用于其他商业用途(如 [转卖]进行直接盈利或[编辑后售卖]进行间接盈利)。
2、本站所有内容均由合作方或网友上传,本站不对文档的完整性、权威性及其观点立场正确性做任何保证或承诺!文档内容仅供研究参考,付费前请自行鉴别。
3、如文档内容存在违规,或者侵犯商业秘密、侵犯著作权等,请点击“违规举报”。

碎片内容

北京市主要行业用水定额

确认删除?
VIP
微信客服
  • 扫码咨询
会员Q群
  • 会员专属群点击这里加入QQ群
客服邮箱
回到顶部