电脑桌面
添加小米粒文库到电脑桌面
安装后可以在桌面快捷访问

西安装修课堂之工程量简易计算规则VIP免费

西安装修课堂之工程量简易计算规则_第1页
1/5
西安装修课堂之工程量简易计算规则_第2页
2/5
西安装修课堂之工程量简易计算规则_第3页
3/5
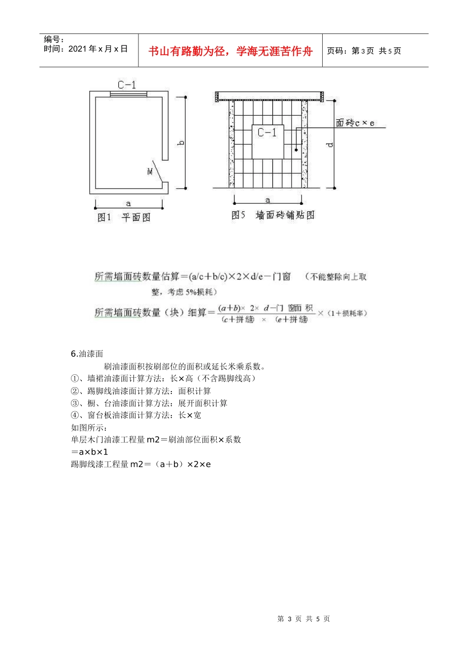
第1页共5页编号:时间:2021年x月x日书山有路勤为径,学海无涯苦作舟页码:第1页共5页西安装修课堂之工程量简易计算规则1、墙面涂乳胶漆如图所示:墙面涂乳胶漆用量m2=周长×高+顶面积-门窗面积=(a+b)×2×d+a×b-门窗面积2、地砖铺贴如图所示:所需地砖数量估算=a/c×b/d(不能整除向上取整,考虑5%损耗)所需地砖数量(块)细算=axb/((c+拼缝)X(d+拼缝))×(1+损耗率)3、地板铺贴如图所示:第2页共5页第1页共5页编号:时间:2021年x月x日书山有路勤为径,学海无涯苦作舟页码:第2页共5页板基层、面层m2=a×b所需地板数量估算=a/c×b/d(不能整除向上取整,考虑5%损耗)所需地板数量(块)细算=axb/(cXd)×(1+损耗率)4.涂料、油漆用量5,墙面砖铺贴如图所示:第3页共5页第2页共5页编号:时间:2021年x月x日书山有路勤为径,学海无涯苦作舟页码:第3页共5页6.油漆面刷油漆面积按刷部位的面积或延长米乘系数。①、墙裙油漆面计算方法:长×高(不含踢脚线高)②、踢脚线油漆面计算方法:面积计算③、橱、台油漆面计算方法:展开面积计算④、窗台板油漆面计算方法:长×宽如图所示:单层木门油漆工程量m2=刷油部位面积×系数=a×b×1踢脚线漆工程量m2=(a+b)×2×e第4页共5页第3页共5页编号:时间:2021年x月x日书山有路勤为径,学海无涯苦作舟页码:第4页共5页7.吊顶如图所示:(满吊高低顶)8、顶棚如图所示:第5页共5页第4页共5页编号:时间:2021年x月x日书山有路勤为径,学海无涯苦作舟页码:第5页共5页顶棚板材估算=a/c×b/d(不能整除向上取整,考虑5%损耗)顶棚板材用量(块)细算=axb/(cxd)×(1+损耗率)

1、当您付费下载文档后,您只拥有了使用权限,并不意味着购买了版权,文档只能用于自身使用,不得用于其他商业用途(如 [转卖]进行直接盈利或[编辑后售卖]进行间接盈利)。
2、本站所有内容均由合作方或网友上传,本站不对文档的完整性、权威性及其观点立场正确性做任何保证或承诺!文档内容仅供研究参考,付费前请自行鉴别。
3、如文档内容存在违规,或者侵犯商业秘密、侵犯著作权等,请点击“违规举报”。

碎片内容

西安装修课堂之工程量简易计算规则

中小学教育精品资料+ 关注
实名认证
内容提供者

中小学教育资料,优质文档创作者

确认删除?
VIP
微信客服
  • 扫码咨询
会员Q群
  • 会员专属群点击这里加入QQ群
客服邮箱
回到顶部