电脑桌面
添加小米粒文库到电脑桌面
安装后可以在桌面快捷访问

缺陷桩处理工程实例VIP专享VIP免费

缺陷桩处理工程实例_第1页
1/7
缺陷桩处理工程实例_第2页
2/7
缺陷桩处理工程实例_第3页
3/7
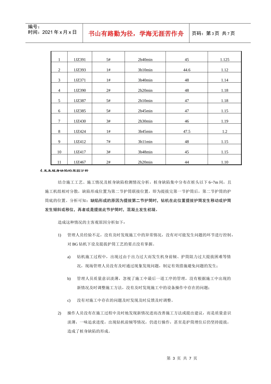
第1页共7页编号:时间:2021年x月x日书山有路勤为径,学海无涯苦作舟页码:第1页共7页水下钻孔灌注桩缺陷的分析及处理工程实例1.前言我公司施工的某发电厂桩基B标,完成1号锅炉φ1000桩长50m的钻孔灌注桩147根。地层情况:第一层为素填土或粘土,层厚2~3m软塑状态,第二层为淤泥层,层厚16~20m流塑状态,下部为粘土和粉质粘土。根据地层情况我公司施工中成孔工艺采用旋挖钻机成孔,泥浆护壁,上部淤泥层采用下设长护筒(15~21m)护壁,防止孔壁坍塌。1号锅炉桩基施工用钻机自身下设、提拔护筒。由于钻机自身施工能力及现场施工人员经验不足,对此工艺施工钻孔灌注桩的最后一道工序提拔护筒控制不严格,造成了基坑开挖后,低应变检测发现11根Ⅲ类桩。2.检测情况桩基检测由业主委托土木研究所测试中心进行,对1号锅炉φ1000钻孔灌注桩进行低应变检测,共发现Ⅲ类桩11根,分别为1JZ393、1JZ390、1JZ391、1JZ371、1JZ387、1JZ467、1JZ417、1JZ430、1JZ424、1JZ412、1JZ490。Ⅲ类桩数量约占1号锅炉施工桩数的7.5%。3.桩身缺陷情况分析3.1桩身缺陷1)从土木研究所测试中心低应变检测结果看,Ⅱ、Ⅲ类桩桩身缺陷分布在桩顶下6~7m间,且缺陷程度不同;2)缺陷桩在1号锅炉均匀分布,没有相对集中的现象;3)发现缺陷桩后,我公司组织力量对缺陷桩(Ⅲ类桩)进行了钻芯取样,取出钻芯完整度>95%,没有发现明显桩身缺陷。3.2施工工艺介绍第2页共7页第1页共7页编号:时间:2021年x月x日书山有路勤为径,学海无涯苦作舟页码:第2页共7页由于地层上部为20m厚的流塑淤泥层,所以必须下设20m左右的钢护筒来防止孔壁坍塌,1号锅炉钻孔灌注桩采用的是BG钻机自身下护筒、自身提拔护筒的工艺,工艺介绍如下:该施工方法的基本原理是先利用钻机的护筒驱动器下设护筒至软弱覆盖层的层底,防止该层土塌孔,并以水平尺测定护筒的垂直度;然后用短螺旋钻头取土,并通过操作钻机上的纠偏液压油缸调整钻杆的垂直状况,以控制成孔精度。在钻至设计要求孔深后,用旋挖钻具清除孔底浮土,以提高桩的承载力,然后放入钢筋笼,进行混凝土浇注,最后钻机利用护筒驱动器拔出护筒。本工艺特点是充分利用BG钻机功率大、扭距大的特点,利用自身能力,完成护筒埋设及提拔,占用其它机械少。3.3缺陷桩施工情况汇总缺陷桩施工情况汇总如下:桩号施工机组灌注时间混凝土浇注量(m3)充盈系数第3页共7页第2页共7页编号:时间:2021年x月x日书山有路勤为径,学海无涯苦作舟页码:第3页共7页11JZ3915#2h40min451.12521JZ3931#3h10min44.61.1231JZ3711#3h40min481.1441JZ3902#2h20min481.1851JZ3875#2h10min471.1861JZ3855#2h45min471.1571JZ4303#2h30min461.1981JZ4241#3h45min47.51.291JZ4127#3h11min481.15101JZ4173#3h48min451.15111JZ4672#2h20min441.104.发生桩身缺陷的原因分析结合施工工艺、施工情况及桩身缺陷检测情况分析,桩身缺陷集中分布在桩头以下6~7m间,且施工机组相对分散,缺陷形成位置为第二节护筒联接位置,即为提拔完第一节护筒后,第二节护筒的护筒底的位置。分析可知:缺陷形成的原因为提拔第二节护筒时,钻机在此位置提拔护筒发生移动或护筒发生倾斜或移位,再者或是提拔此节护筒时,混凝土发生初凝。造成这种情况的主客观原因分析如下:1)管理人员经验不足,没有及时发现施工中的异常情况,没有对可能发生问题的环节进行控制,对BG钻机下设及提拔护筒工艺的要点没有掌握。a)钻机施工过程中,出现过由于出力过大而发生机身前倾、护筒阻力过大提拔困难等情况,现场管理人员没有及时通过现象发现问题,制定有效措施避免问题的发生;b)管理人员质量意识淡薄,忽视了施工中最后一道工序的管理,没有根据施工中出现的新情况及时调整施工方法,没有及时发现施工中的设备操作中存在的问题;c)没有对施工中存在的问题及时发现及时反馈及时调整。2)操作人员没有在施工过程中及时地发现新情况进而改善施工方法或提出建议,而是质量意识淡薄,一味追求进度,出现钻机前倾等情况,仍进行操作,甚至是护筒埋住后仍坚持提拔,造成了桩身缺陷的形成。第4页共7页第3页共7页编号:时间:2021年x月x日书山有路勤为径,学海无涯苦作...

1、当您付费下载文档后,您只拥有了使用权限,并不意味着购买了版权,文档只能用于自身使用,不得用于其他商业用途(如 [转卖]进行直接盈利或[编辑后售卖]进行间接盈利)。
2、本站所有内容均由合作方或网友上传,本站不对文档的完整性、权威性及其观点立场正确性做任何保证或承诺!文档内容仅供研究参考,付费前请自行鉴别。
3、如文档内容存在违规,或者侵犯商业秘密、侵犯著作权等,请点击“违规举报”。

碎片内容

缺陷桩处理工程实例

确认删除?
VIP
微信客服
  • 扫码咨询
会员Q群
  • 会员专属群点击这里加入QQ群
客服邮箱
回到顶部