电脑桌面
添加小米粒文库到电脑桌面
安装后可以在桌面快捷访问

计划部(成仓)成品贮存流程VIP免费

计划部(成仓)成品贮存流程_第1页
1/3
计划部(成仓)成品贮存流程_第2页
2/3
计划部(成仓)成品贮存流程_第3页
3/3
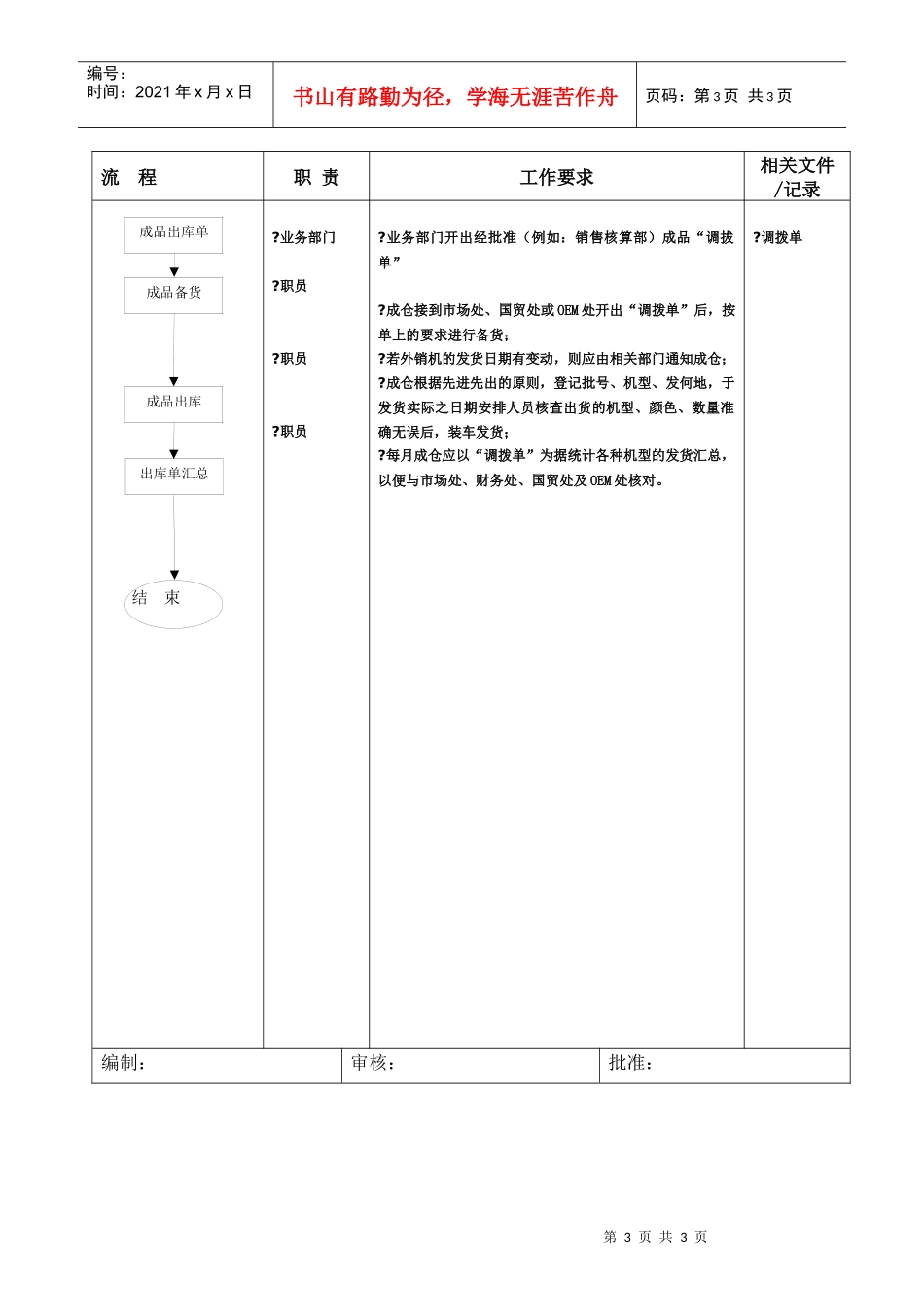
第1页共3页编号:时间:2021年x月x日书山有路勤为径,学海无涯苦作舟页码:第1页共3页1.目的对成品的贮存进行有效的管理,保证成品在有效的贮存期内质量完好。2.适用范围适用于我公司成品的贮存管理工作。3.成品贮存、发货的流程/职责和工作要求第2页共3页第1页共3页编号:时间:2021年x月x日书山有路勤为径,学海无涯苦作舟页码:第2页共3页流程职责工作要求相关文件/记录超期不超期?生产部?组长?组长、仓管员?组长及领班?主管及组长?主管?生产线开出成品缴库单?成仓的库管员,按批号、型号、数量、颜色入库;?成品堆放要求:——按产品的颜色、批号、型号划分区域,分别整齐堆放,不准侧放,倒放;——堆放层数不能超过包装纸上规定的层数,并按要求分别挂上明显的记号。?贮存条件:——成品应贮存在无酸、无碱、无腐蚀的环境里;——库房应保持整齐、清洁、干燥通风的良好环境;——做好防火、防盗等措施,保证产品的安全。?发现库存产品超期储存,每月填报“成品超期储存报告单”,上报主管领导,并对其做好超期标记后,通知相关部门。?业务部门收到超期库存报告之后,由其安排品管在出货之前对超期库存的产品进行检验。合格,正常发货。不合格,上报部门主管,由计划部安排返工。?缴库单?成品库存报告?成品超期库存报告开始成品入库储存业务部门成品缴库成品放置盘点第3页共3页第2页共3页编号:时间:2021年x月x日书山有路勤为径,学海无涯苦作舟页码:第3页共3页流程职责工作要求相关文件/记录?业务部门?职员?职员?职员?业务部门开出经批准(例如:销售核算部)成品“调拔单”?成仓接到市场处、国贸处或OEM处开出“调拨单”后,按单上的要求进行备货;?若外销机的发货日期有变动,则应由相关部门通知成仓;?成仓根据先进先出的原则,登记批号、机型、发何地,于发货实际之日期安排人员核查出货的机型、颜色、数量准确无误后,装车发货;?每月成仓应以“调拨单”为据统计各种机型的发货汇总,以便与市场处、财务处、国贸处及OEM处核对。?调拨单编制:审核:批准:成品备货结束成品出库单成品出库出库单汇总

1、当您付费下载文档后,您只拥有了使用权限,并不意味着购买了版权,文档只能用于自身使用,不得用于其他商业用途(如 [转卖]进行直接盈利或[编辑后售卖]进行间接盈利)。
2、本站所有内容均由合作方或网友上传,本站不对文档的完整性、权威性及其观点立场正确性做任何保证或承诺!文档内容仅供研究参考,付费前请自行鉴别。
3、如文档内容存在违规,或者侵犯商业秘密、侵犯著作权等,请点击“违规举报”。

碎片内容

计划部(成仓)成品贮存流程

您可能关注的文档

确认删除?
VIP
微信客服
  • 扫码咨询
会员Q群
  • 会员专属群点击这里加入QQ群
客服邮箱
回到顶部