电脑桌面
添加小米粒文库到电脑桌面
安装后可以在桌面快捷访问

设备仪器购置验收标准流程VIP免费

设备仪器购置验收标准流程_第1页
1/4
设备仪器购置验收标准流程_第2页
2/4
设备仪器购置验收标准流程_第3页
3/4
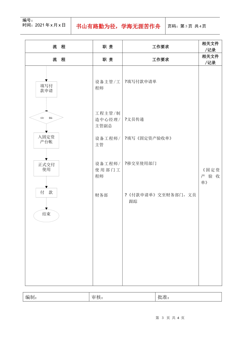
设备仪器购置验收流程1.目的使公司设备、仪器购置处于有效控制之中,使采购质量达到最佳性价比。2.适用范围公司内设备、仪器采购部门3.操作流程/职责和工作要求流程职责工作要求相关文件/记录YESNONOYES设备工程师设备工程师设备主管/工程师/申请部门工程师设备主管/工程师设备主管/工程师设备主管/工程师设备主管/工程?使用部门根据自己需要提出申请?部门经理签字?设备工程师根据申请调用库存设备?发放申请部门使用?设备课对使用单位工作内容进行评审,确定是否需要购买。?设备课与使用部门工程师共同确定其它代用方法?设备课根据公司生产计划安排提出申请?设备课在市场上寻找供应商原则一:尽可能找直接生产厂家或一级供应商;原则二:同一产品需三家以上厂家报价;?在上述供应商中协商,使其性价比达到最佳,比较所有报价供货商后,确定一个最佳性价比供应商开始使用部门申请调用寻找代用方法设备课提出购买申请寻找供应商选择设备课评审确定有无库存设备第2页共4页编号:时间:2021年x月x日书山有路勤为径,学海无涯苦作舟页码:第2页共4页流程职责工作要求相关文件/记录NOYESNOYESNOYES设备主管/工程师工程主管/制造中心经理/主管副总设备主管/工程师工程主管/制造中心经理/主管副总人事行政课财务经理设备主管/工程师使用部门工程师/设备工程师使用部门工程师/设备工程师设备主管/工程师设备主管/工程师?设备课作出采购申请报告,述致如下内容:生产需求、供应商名称、电话、价格、质量。?工程主管根据内容审批;制造中心经理根据内容审批;主管副总根据内容审批。?与供应商签字供货合同。原则一:符合国家法律法规;原则二:维护公司利益。?上级领导审批合同是否可行?人事部在合同上盖公司印?合同返回供应商按合同付定金?供应商提货到公司供应商安装调试?交付使用部门试用设备课人员跟踪使用情况?双方共同确定是否合格。设备课填写《设备验收报告》。使用部门在《设备验收报告》上填写使用情况。?退还供应商?重新订货《设备验收报告》起草报告盖章订购(付定金)提货试用退还供应商合同审批审批签订合同重新订货验收第3页共4页第2页共4页编号:时间:2021年x月x日书山有路勤为径,学海无涯苦作舟页码:第3页共4页流程职责工作要求相关文件/记录流程职责工作要求相关文件/记录设备主管/工程师工程主管/制造中心经理/主管副总设备工程师/主管设备工程师/使用部门工程师财务部?填写付款申请单?文员传递?填写《固定资产验收单》?移交至使用部门?《付款申请单》交至财务部门,文员跟踪《固定资产验收单》编制:审核:批准:填写付款申请入固定资产台帐正式交付使用付款审批结束第4页共4页第3页共4页编号:时间:2021年x月x日书山有路勤为径,学海无涯苦作舟页码:第4页共4页

1、当您付费下载文档后,您只拥有了使用权限,并不意味着购买了版权,文档只能用于自身使用,不得用于其他商业用途(如 [转卖]进行直接盈利或[编辑后售卖]进行间接盈利)。
2、本站所有内容均由合作方或网友上传,本站不对文档的完整性、权威性及其观点立场正确性做任何保证或承诺!文档内容仅供研究参考,付费前请自行鉴别。
3、如文档内容存在违规,或者侵犯商业秘密、侵犯著作权等,请点击“违规举报”。

碎片内容

设备仪器购置验收标准流程

确认删除?
VIP
微信客服
  • 扫码咨询
会员Q群
  • 会员专属群点击这里加入QQ群
客服邮箱
回到顶部