电脑桌面
添加小米粒文库到电脑桌面
安装后可以在桌面快捷访问

调岗与岗位轮换管理制度DOC-2PVIP免费

调岗与岗位轮换管理制度DOC-2P_第1页
1/9
调岗与岗位轮换管理制度DOC-2P_第2页
2/9
调岗与岗位轮换管理制度DOC-2P_第3页
3/9
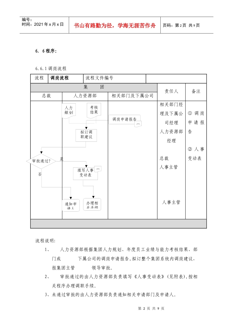
第1页共9页编号:时间:2021年x月x日书山有路勤为径,学海无涯苦作舟页码:第1页共9页六、调岗与岗位轮换管理制度6.1目的规范集团员工岗位调动的条件、管理、实施程序;通过岗位轮换,使员工熟悉掌握各项工作技能和业务流程,培养全面独立的工作能力。6.2范围集团、各下属公司员工。6.3职责由集团人资源部及下属公司行政部负责组织及具体实施。6.4原则公平、公正、公开、竞争。有利于业务发展、有利于工作的衔接、有利于发挥潜能。6.5标准6.5.1调岗晋职:必须具备拟任职务的管理水平、专业知识、业务能力等要求:对工作业绩特别突出的员工,可适当放宽资格条件。降职:本人工作不努力,思想作风差,工作成绩不佳,在年度考核中被评定为不合格的;或因以下原因不能担任现职工作的:缺乏相关专业知识和技能、因机构调整应予以转任、不服从工作安排、集团机构精简。6.5.2岗位轮换胜任现任岗位工作;工作需要;具备轮换职位所要求的各项条件。第2页共9页第1页共9页编号:时间:2021年x月x日书山有路勤为径,学海无涯苦作舟页码:第2页共9页6.6程序:6.6.1调岗流程流程调岗流程流程文件编号集团责任人备注总裁人力资源部相关部门及下属公司相关部门经理及下属公司经理人力资源部经理总裁人事主管人事主管①调岗申请报告②人事变动表流程说明:1、人力资源部根据集团人力规划、年度员工业绩与能力考核结果、部门或下属公司的调岗申请报告,拟订整个集团系统内调岗建议,报集团主管领导审批。2、审批通过的由人力资源部负责填写《人事变动表》(见附表),按相关程序办理调职手续。3、未通过审批的由人力资源部负责通知相关申请部门及申请人。人力规划考核结果拟订调职建议审批通过?填写人事变动表②通知申请人办理相关手续调岗申请报告①是否第3页共9页第2页共9页填写岗位轮换调整表办理相关手续通知相关人员①编号:时间:2021年x月x日书山有路勤为径,学海无涯苦作舟页码:第3页共9页6.6.2岗位轮换流程岗位轮换流程流程协调控制部门:集团人力资源部责任人备注总裁人力资源部相关部门及下属公司相关部门经理及下属公司经理人力资源部经理总裁人事主管人事主管①岗位轮换调整表流程说明:1、人力资源部根据集团人力规划、年度员工业绩与能力考核结果,拟订整个集团系统内岗位轮换计划;报集团主管领导审批。2、审批通过的由人力资源部负责填写《岗位轮换调整表》(见附表),按相关程序办理调职手续,并通知相关人员.6.7种类及实施方法6.7.1调岗晋职委任晋升:由集团主管领导直接任命而使员工获得晋升;人力规划考核结果拟订岗位轮换计划审批通过第4页共9页第3页共9页编号:时间:2021年x月x日书山有路勤为径,学海无涯苦作舟页码:第4页共9页考核晋升:具有拟任职务任职资格的集团员工,由人力资源部组织进行统一考核,以考核成绩作为晋升依据,从中择优予以晋升;自荐晋升:集团员工对空缺职位以书面形式向人力资源部自我推荐,人力资源部对其工作业绩、工作年限以及各方面综合条件进行审核,认可后报经集团主管领导批准审批。降职人力资源部和下属公司行政部以年度考核结果为依据,根据降职标准的各项规定,提出拟降职人员名单,说明其有关情况、降职原因以及对拟被降职人员的工作安排,报集团主管领导审批后,人力资源部组织实施。6.7.2岗位轮换根据工作需要,员工轮换在集团各部门、部门与各下属公司之间进行。轮换期限:集团各部门经理、区域公司副总以上员工一般为4年,集团各部门主管、地域公司副经理及其它人员一般为3年。基本程序:集团各部门、下属公司或个人提出轮换意见和理由报人力资源部。人力资源部综合平衡后,拟出员工轮换的总体方案,经主管领导批准后实施。最先轮换与业务相似或相近的岗位,一般员工除工作确实需要外,原则上在本部门内轮换。第5页共9页第4页共9页编号:时间:2021年x月x日书山有路勤为径,学海无涯苦作舟页码:第5页共9页珠海九丰集团有限公司人事变动表填表日期:年月日姓名性别年龄籍贯调出公司部门职务工资结算日调入公司部门职务工资起计日调动原因及意见(该项内容由人力资源部负责人填写):年月日调出公司负责人签署意见年月日第6页共9...

1、当您付费下载文档后,您只拥有了使用权限,并不意味着购买了版权,文档只能用于自身使用,不得用于其他商业用途(如 [转卖]进行直接盈利或[编辑后售卖]进行间接盈利)。
2、本站所有内容均由合作方或网友上传,本站不对文档的完整性、权威性及其观点立场正确性做任何保证或承诺!文档内容仅供研究参考,付费前请自行鉴别。
3、如文档内容存在违规,或者侵犯商业秘密、侵犯著作权等,请点击“违规举报”。

碎片内容

调岗与岗位轮换管理制度DOC-2P

您可能关注的文档

确认删除?
VIP
微信客服
  • 扫码咨询
会员Q群
  • 会员专属群点击这里加入QQ群
客服邮箱
回到顶部