电脑桌面
添加小米粒文库到电脑桌面
安装后可以在桌面快捷访问

工程部服务流程与规范VIP免费

工程部服务流程与规范_第1页
1/36
工程部服务流程与规范_第2页
2/36
工程部服务流程与规范_第3页
3/36
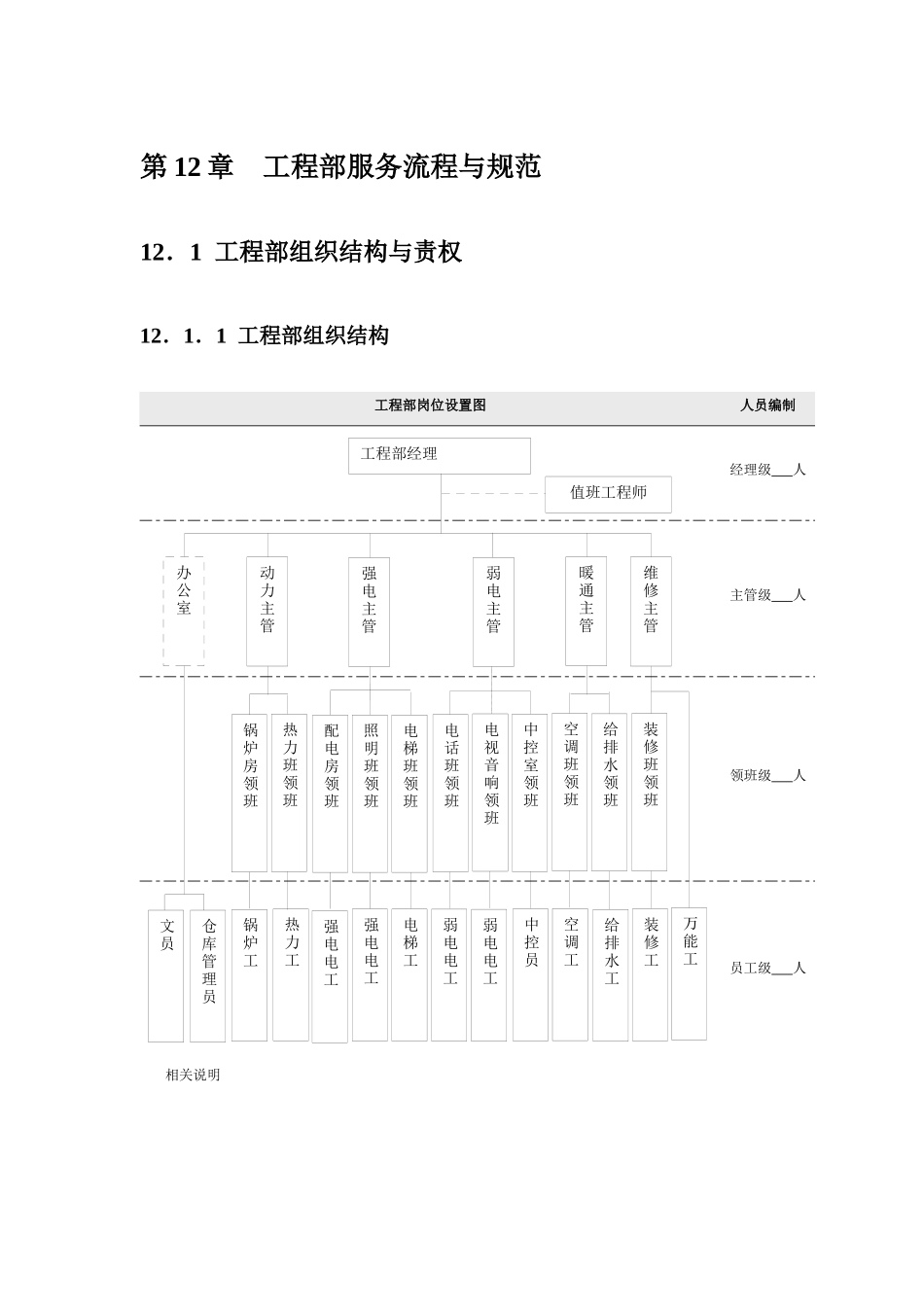
工程部经理值班工程师办公室文员仓库管理员锅炉工锅炉房领班热力工空调工空调班领班动力主管强电主管电梯班领班电梯工强电电工强电电工配电房领班照明班领班电话班领班电视音响领班弱电电工弱电电工中控室领班中控员弱电主管装修班领班装修工万能工给排水工给排水领班维修主管热力班领班暖通主管第12章工程部服务流程与规范12.1工程部组织结构与责权12.1.1工程部组织结构工程部岗位设置图人员编制经理级人主管级人领班级人员工级人相关说明12.1.2工程部责权部门工程部部门负责人工程部经理直接领导总经理职责1.具有制定并完善酒店各类设施、设备的管理制度与操作规范并贯彻实施2.具有组织制定并实施酒店各类设施、设备保养、维修计划3.具有制定并不断完善酒店各类系统的运行方案,确保各系统正常运行4.具有酒店各类设施、设备的日常检修与保养,保证设施、设备正常运转5.具有制定酒店各类设施、设备的更新、改造方案,经审批后具体实施6.具有编制并严格执行酒店工程部预算,监督工程用品的使用与备存7.具有做好节能管理,制定并执行用能制度与节能措施,降低成本8.具有酒店第二次专修的工程施工管理9.具有酒店新增项目的谈判、评审、保教及验收管理10.具有建立酒店各类设施、设备的档案并及时更新11.完成领导交办的其他工作权力1.有权参与酒店经营战略计划的制订并有建议权2.有权制定并实施酒店工程部相关的规章制度3.具有酒店内工程部工作和发展的决定权或建议权4.具有对影响工程部工作的其他人提请处罚的权力5.具有工程部组织机构建立、内部员工考核的权力6.具有工程部内部员工聘用、解聘的建议权7.具有酒店工程部各项费用的控制权8.具有要求相关部门配合相关工作的权力9.具有工程部内部工作开展的自主权10.其他相关权力相关说明编制人员审核人员批准人员编制日期审核日期批准日期查阅报修单填写报修单进行维修维修工作结束12.3办公室工作流程与规范12.3.1日常报修/维修服务流程与规范流程名称日常报修/维修服务流程与规范文件受控状态文件管理部门服务程序服务规范1.填写报修单(1)各部门服务员发现设备设施需要维修时,应立即报告部门领班(2)各部门领班填写报修单,填写时应写明申请日期、申请部门、维修地点、维修内容、维修申请人以及须注明的其他情况(3)填好报修单后,将其交给主管,由主管交值班工程师2.查阅报修单(1)值班工程师收到报修单后,对报修单填写内容进行查阅,栏目内容不全或不符合要求的应拒收(2)验明无误后,注明受理日期,按时间进行登记(时间为签收时间),然后将第二联交给报修部门留底,第一联在本部门留存,第三联交给相应班组维修人员进行维修(3)若是需要优先处理的维修项目,应在报修单上盖上“紧急”字样章3.进行维修(1)维修人员收到报修单后,立即带好必要的工具,准时到达维修点。若因工作原因在规定时间内不能到达现场,应主动与报修部门联系说明原因,征求意见(2)按质量标准完成任务后,请报修部门验收、核对使用材料,在报修单上由验收人员和维修人员本人共同签字认可(3)若因材料、人力、技术等原因不能按期完成维修任务时,则如实报告值班工程师,由值班工程师或工程部经理与报修部门协商解决办法(4)若是维修住客房,应由客房服务员陪同进房维修,双方互相监督。若因客人挂有“请勿打扰”牌未能完成维修任务,则应在报修单上写明原因4.维修工作结束进行维修接到抢修报告补办报修手续(1)维修工作结束后,维修人员必须清理现场,包括垃圾、材料、工具等,将搬动过的物品恢复原位(2)及时将签字后的报修单交给值班工程师,由值班工程师将其与留存的报修单核对后装订在一起保存(3)值班工程师按照完成任务的情况填写值班日志,在交班前将当日报修单整理汇总,发现缺少报修回单应及时催促有关班组领班落实维修任务的完成情况并将回单速交工程部办公室(4)每日下班前,将值班日志交给工程部经理,请其审阅。必要时,工程部经理亲自或派人检查维修结果。若发现不合格,需责成有关人员返工(5)交班时,向下一班人员介绍说明未完成的维修项目及注意事项相关说明编制人员审核人员批准人员编制...

1、当您付费下载文档后,您只拥有了使用权限,并不意味着购买了版权,文档只能用于自身使用,不得用于其他商业用途(如 [转卖]进行直接盈利或[编辑后售卖]进行间接盈利)。
2、本站所有内容均由合作方或网友上传,本站不对文档的完整性、权威性及其观点立场正确性做任何保证或承诺!文档内容仅供研究参考,付费前请自行鉴别。
3、如文档内容存在违规,或者侵犯商业秘密、侵犯著作权等,请点击“违规举报”。

碎片内容

工程部服务流程与规范

文泉书屋+ 关注
实名认证
内容提供者

热爱教学事业,对互联网知识分享很感兴趣

确认删除?
VIP
微信客服
  • 扫码咨询
会员Q群
  • 会员专属群点击这里加入QQ群
客服邮箱
回到顶部