电脑桌面
添加小米粒文库到电脑桌面
安装后可以在桌面快捷访问

超前钻探工程精细化管理规范VIP专享VIP免费

超前钻探工程精细化管理规范_第1页
1/56
超前钻探工程精细化管理规范_第2页
2/56
超前钻探工程精细化管理规范_第3页
3/56
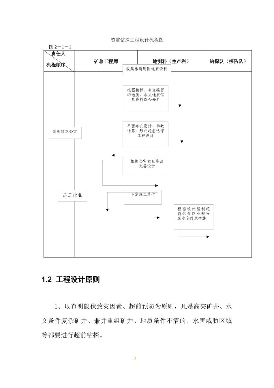
第二篇超前钻探工程精细化管理规范1工程设计精细化....................................................................................................................................31.1工程设计流程................................................................................................................................31.2工程设计原则................................................................................................................................41.3工程设计内容................................................................................................................................52作业规程精细化.................................................................................................................................122.1编制、审批流程..........................................................................................................................122.2编制要点......................................................................................................................................142.3作业规程范例(附后)..............................................................................................................163现场施工精细化.................................................................................................................................173.1现场布孔......................................................................................................................................173.2开孔.............................................................................................................................................173.3孔口管埋设、固管......................................................................................................................173.4钻进..............................................................................................................................................183.5揭煤..............................................................................................................................................193.6揭露含水层..................................................................................................................................193.7取芯..............................................................................................................................................203.8校正孔斜......................................................................................................................................203.9封孔..............................................................................................................................................203.10原始记录及日报表....................................................................................................................214工程验收管理......................................................................................................................................224.1验收流程......................................................................................................................................224.2单孔验收......................................................................................................................................234.3钻场验收..................................................................................

1、当您付费下载文档后,您只拥有了使用权限,并不意味着购买了版权,文档只能用于自身使用,不得用于其他商业用途(如 [转卖]进行直接盈利或[编辑后售卖]进行间接盈利)。
2、本站所有内容均由合作方或网友上传,本站不对文档的完整性、权威性及其观点立场正确性做任何保证或承诺!文档内容仅供研究参考,付费前请自行鉴别。
3、如文档内容存在违规,或者侵犯商业秘密、侵犯著作权等,请点击“违规举报”。

碎片内容

超前钻探工程精细化管理规范

确认删除?
VIP
微信客服
  • 扫码咨询
会员Q群
  • 会员专属群点击这里加入QQ群
客服邮箱
回到顶部