电脑桌面
添加小米粒文库到电脑桌面
安装后可以在桌面快捷访问

运营管理原理课程设计任务书(二)VIP免费

运营管理原理课程设计任务书(二)_第1页
1/6
运营管理原理课程设计任务书(二)_第2页
2/6
运营管理原理课程设计任务书(二)_第3页
3/6
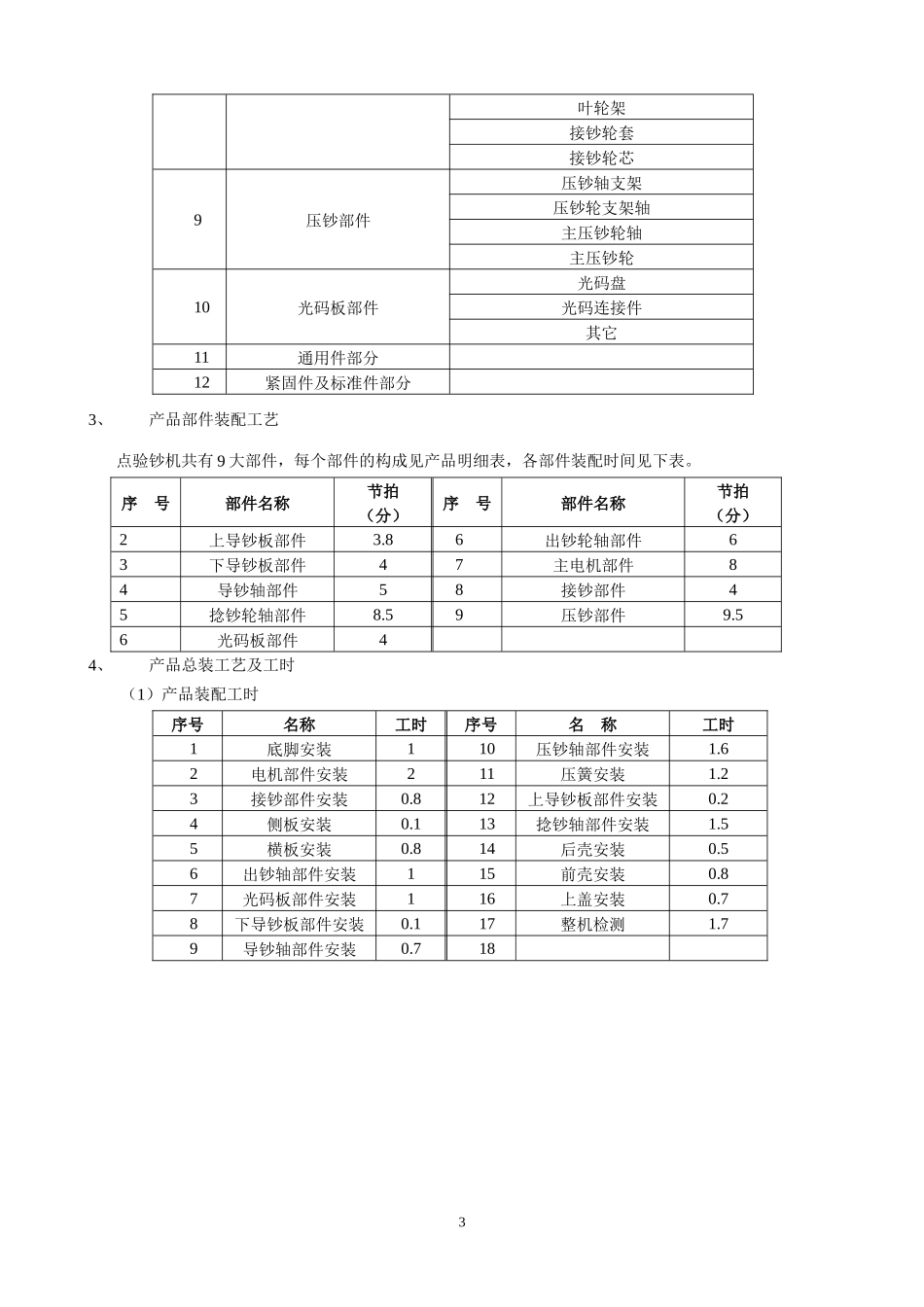
《生产与运作管理》课程设计任务书(一)设计题目:点验钞机运营系统设计设计依据:1、项目基本情况2、产品零部件明细3、产品部件装配工艺4、产品总装工艺及工时5、原材料来源设计任务:1、确定企业的目标和功能2、选择厂址3、确定企业的生产单位4、绘制企业的组织结构图5、进行总平面布置6、装配线平衡7、企业计划系统设计8、确定库存管理方式9、其他设计任务(选做)(1)市场营销关系的策划。(2)客户关系的策划。(3)供应商关系的管理构架。(4)质量管理。(5)设备管理(对于装配线和流水生产来说,设备管理非常重要)。《生产与运作管理》课程设计指导书一、设计题目:点验钞机运营系统设计运营管理课程设计是管理类学生的重要教学环节之一,学生学习了《机械制造工艺学》和《运营管理原理》等课程的基本理论后,通过课程设计可以进一步掌握企业生产组织、计划与控制方面的具体内容和实施方法,增强生产管理的实际工作能力。二、设计依据:1、项目基本情况据称,国家将在钞票中加入某种先进的防伪标志,已由国家科技部门研制出相应的防伪验钞技术。该项防伪技术属于国际前沿技术,其他企业很难仿制。为保证点验钞机的质量,国家确定两家企业为新型点验钞机的指定生产企业:一家为广东的某公司,一家为天津的某公司。这两家公司可以根据需要在全国任何地方建立点验钞机生产厂。据预测,全国对点验钞机的市场年需求量为10万台,价格在1.4万元左右。1点验钞机的大小与目前银行使用的点验钞机相似,其特点是:机电一体化、高新技术产品、加工制造及水平要求高、小巧玲珑。另外,企业可以根据用户的要求将点验钞机喷涂成用户喜爱的颜色。2、产品零部件明细序号类别构成1结构主板部分底脚侧板横板前壳后壳上盖压簧2上导钞板部件上导钞板压轮轴承上导钞板轮胶套上导钞板压轮轴上左导钞板上右导钞板3下导钞板部件下导钞板压轮轴承下导钞板轮胶套下导钞板压轮轴下左导钞板下右导钞板4导钞轴部件送钞轮送钞块送钞轮轴引钞轮主动轴引钞轮从动轴5捻钞轮轴部件捻钞轮捻钞块捻钞中轮捻钞轮轴捻钞轴套6出钞轮轴部件出钞轮轴出钞齿轮镶轴出钞轮出钞轴套7主电机部件主电机主电机底板电磁铁支架电机上罩板电机屏蔽板8接钞部件叶轮电机叶轮轴2叶轮架接钞轮套接钞轮芯9压钞部件压钞轴支架压钞轮支架轴主压钞轮轴主压钞轮10光码板部件光码盘光码连接件其它11通用件部分12紧固件及标准件部分3、产品部件装配工艺点验钞机共有9大部件,每个部件的构成见产品明细表,各部件装配时间见下表。序号部件名称节拍(分)序号部件名称节拍(分)2上导钞板部件3.86出钞轮轴部件63下导钞板部件47主电机部件84导钞轴部件58接钞部件45捻钞轮轴部件8.59压钞部件9.56光码板部件44、产品总装工艺及工时(1)产品装配工时序号名称工时序号名称工时1底脚安装110压钞轴部件安装1.62电机部件安装211压簧安装1.23接钞部件安装0.812上导钞板部件安装0.24侧板安装0.113捻钞轴部件安装1.55横板安装0.814后壳安装0.56出钞轴部件安装115前壳安装0.87光码板部件安装116上盖安装0.78下导钞板部件安装0.117整机检测1.79导钞轴部件安装0.7183第4页共6页底脚安装电机部件安装接钞部件安装侧板安装出钞轴部件安装光码板部件安装下导钞板部件安装导钞轴部件安装A开始横板安装压钞轴部件安装A压簧安装上导钞板部件安装捻钞轴部件安装后壳安装前壳安装上盖安装整机检测结束编号:时间:2021年x月x日书山有路勤为径,学海无涯苦作舟页码:第4页共6页(2)产品装配工艺5、原材料来源点验钞机的主要零部件均为塑料制品,其原料为聚碳酸酯,注塑车间利用聚碳酸酯可以生产出各种形状的塑料零件(该车间生产会对环境产生一定的影响)。另外还包括一些金属件(可以自己生产一部分,外协一部分)、标准件和通用件(通过外购得到)。三、设计任务及要求假设你为天津公司的总经理,为建设点验钞机生产厂你应做好以下基本工作1、确定企业的目标和功能根据点验钞机的特点及国内市场需求状况定企业的目标及功能(包括企业的规模,今后的发展方向等问题)。2、选择厂址根据产品特点以及影响厂址选择的因素,在全国范围内选择厂址,遵循先选择地区,...

1、当您付费下载文档后,您只拥有了使用权限,并不意味着购买了版权,文档只能用于自身使用,不得用于其他商业用途(如 [转卖]进行直接盈利或[编辑后售卖]进行间接盈利)。
2、本站所有内容均由合作方或网友上传,本站不对文档的完整性、权威性及其观点立场正确性做任何保证或承诺!文档内容仅供研究参考,付费前请自行鉴别。
3、如文档内容存在违规,或者侵犯商业秘密、侵犯著作权等,请点击“违规举报”。

碎片内容

运营管理原理课程设计任务书(二)

确认删除?
VIP
微信客服
  • 扫码咨询
会员Q群
  • 会员专属群点击这里加入QQ群
客服邮箱
回到顶部