电脑桌面
添加小米粒文库到电脑桌面
安装后可以在桌面快捷访问

质量管理考核方法VIP免费

质量管理考核方法_第1页
1/6
质量管理考核方法_第2页
2/6
质量管理考核方法_第3页
3/6
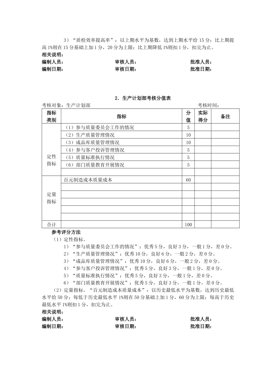
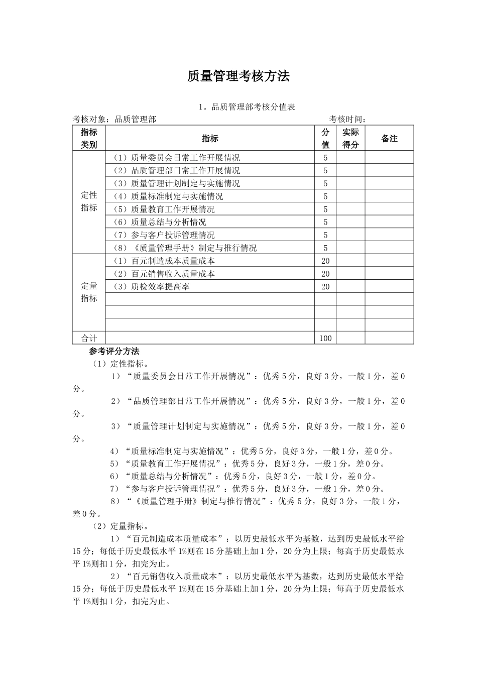
质量管理考核方法1。品质管理部考核分值表考核对象:品质管理部考核时间:指标类别指标分值实际得分备注定性指标(1)质量委员会日常工作开展情况5(2)品质管理部日常工作开展情况5(3)质量管理计划制定与实施情况5(4)质量标准制定与实施情况5(5)质量教育工作开展情况5(6)质量总结与分析情况5(7)参与客户投诉管理情况5(8)《质量管理手册》制定与推行情况5定量指标(1)百元制造成本质量成本20(2)百元销售收入质量成本20(3)质检效率提高率20合计100参考评分方法(1)定性指标。1)“质量委员会日常工作开展情况”:优秀5分,良好3分,一般1分,差0分。2)“品质管理部日常工作开展情况”:优秀5分,良好3分,一般1分,差0分。3)“质量管理计划制定与实施情况”:优秀5分,良好3分,一般1分,差0分。4)“质量标准制定与实施情况”:优秀5分,良好3分,一般1分,差0分。5)“质量教育工作开展情况”:优秀5分,良好3分,一般1分,差0分。6)“质量总结与分析情况”:优秀5分,良好3分,一般1分,差0分。7)“参与客户投诉管理情况”:优秀5分,良好3分,一般1分,差0分。8)“《质量管理手册》制定与推行情况”:优秀5分,良好3分,一般1分,差0分。(2)定量指标。1)“百元制造成本质量成本”:以历史最低水平为基数,达到历史最低水平给15分;每低于历史最低水平1%则在15分基础上加1分,20分为上限;每高于历史最低水平1%则扣1分,扣完为止。2)“百元销售收入质量成本”:以历史最低水平为基数,达到历史最低水平给15分;每低于历史最低水平1%则在15分基础上加1分,20分为上限;每高于历史最低水平1%则扣1分,扣完为止。3)“质检效率提高率”:以上期水平为基数,达到上期水平给15分;比上期提高1%则在15分基础上加1分,20分为上限;比上期降低1%则扣1分,扣完为止。相关说明:编制人员:审核人员:批准人员:编制日期:审核日期:批准日期:2.生产计划部考核分值表考核对象:生产计划部考核时间:指标类别指标分值实际得分备注定性指标(1)参与质量委员会工作的情况5(2)生产质量管理情况10(3)成品库质量管理情况10(4)参与客户投诉管理情况5(5)质量标准执行情况5(6)部门质量教育开展情况5定量指标百元制造成本质量成本60合计100参考评分方法(1)定性指标。1)“参与质量委员会工作的情况”:优秀5分,良好3分,一般1分,差0分。2)“生产质量管理情况”:优秀10分,良好6分,一般2分,差0分。3)“成品库质量管理情况”:优秀10分,良好6分,一般2分,差0分。4)“参与客户投诉管理情况”:优秀5分,良好3分,一般1分,差0分。5)“质量标准执行情况”:优秀5分,良好3分,一般1分,差0分。6)“部门质量教育开展情况”:优秀5分,良好3分,一般1分,差0分。(2)定量指标。“百元制造成本质量成本”:以历史最低水平为基数,达到历史最低水平给50分;每低于历史最低水平1%则在50分基础上加1分,60分为上限;每高于历史最低水平1%则扣1分,扣完为止。相关说明:编制人员:审核人员:批准人员:编制日期:审核日期:批准日期:3.技术开发部考核分值表考核对象:技术开发部考核时间:指标类别指标分值实际得分备注定性指标(1)参与质量委员会工作的情况5(2)设计开发质量情况20(3)参与客户投诉管理的情况5(4)质量标准执行情况5(5)部门质量教育开展情况5定量指标新产品增加值率60合计100参考评分方法(1)定性指标。1)“参与质量委员会工作的情况”:优秀5分,良好3分,一般1分,差0分。2)“设计开发质量情况”:优秀20分,良好15分,一般8分,差0分。3)“参与客户投诉管理的情况”:优秀5分,良好3分,一般1分,差0分。4)“质量标准执行情况”:优秀5分,良好3分,一般1分,差0分。5)“部门质量教育开展情况”:优秀5分,良好3分,一般1分,差0分。(2)定量指标。“新产品增加值率”:以历史最佳水平为基数,达到历史最佳水平给50分;每超过历史最佳水平1%则在50分基础上加1分,60分为上限;每低于历史最佳水平1%则扣1分,扣完为止。相关说明:编制人员:审核人员:批准人员:编制日期:审核日期:批准日期:4.供应部考核分值表考...

1、当您付费下载文档后,您只拥有了使用权限,并不意味着购买了版权,文档只能用于自身使用,不得用于其他商业用途(如 [转卖]进行直接盈利或[编辑后售卖]进行间接盈利)。
2、本站所有内容均由合作方或网友上传,本站不对文档的完整性、权威性及其观点立场正确性做任何保证或承诺!文档内容仅供研究参考,付费前请自行鉴别。
3、如文档内容存在违规,或者侵犯商业秘密、侵犯著作权等,请点击“违规举报”。

碎片内容

质量管理考核方法

确认删除?
VIP
微信客服
  • 扫码咨询
会员Q群
  • 会员专属群点击这里加入QQ群
客服邮箱
回到顶部