电脑桌面
添加小米粒文库到电脑桌面
安装后可以在桌面快捷访问

隧道施工资料排序VIP免费

隧道施工资料排序_第1页
1/11
隧道施工资料排序_第2页
2/11
隧道施工资料排序_第3页
3/11
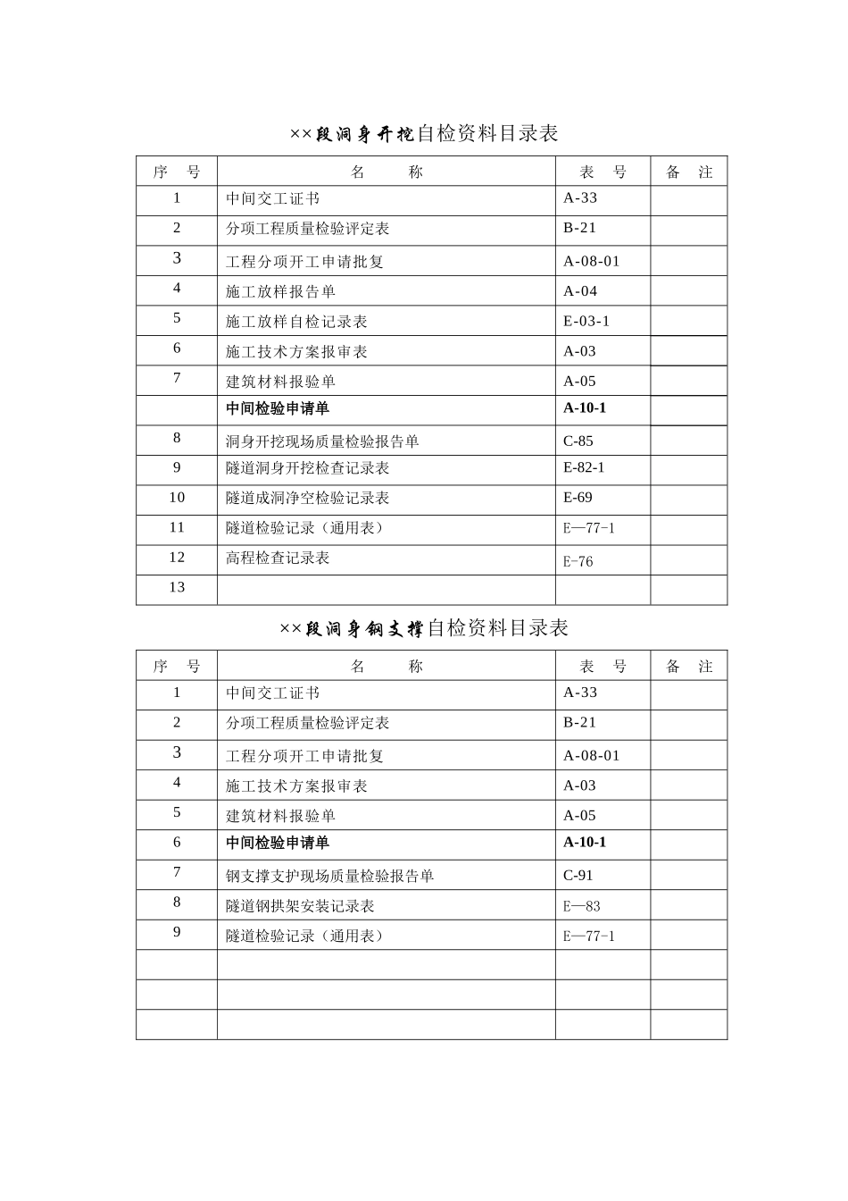
××段洞身开挖自检资料目录表序号名称表号备注1中间交工证书A-332分项工程质量检验评定表B-213工程分项开工申请批复A-08-014施工放样报告单A-045施工放样自检记录表E-03-16施工技术方案报审表A-037建筑材料报验单A-05中间检验申请单A-10-18洞身开挖现场质量检验报告单C-859隧道洞身开挖检查记录表E-82-110隧道成洞净空检验记录表E-6911隧道检验记录(通用表)E—77-112高程检查记录表E-7613××段洞身钢支撑自检资料目录表序号名称表号备注1中间交工证书A-332分项工程质量检验评定表B-213工程分项开工申请批复A-08-014施工技术方案报审表A-035建筑材料报验单A-056中间检验申请单A-10-17钢支撑支护现场质量检验报告单C-918隧道钢拱架安装记录表E—839隧道检验记录(通用表)E—77-1××段洞身锚杆支护自检资料目录表序号名称表号备注1中间交工证书A-332分项工程质量检验评定表B-213工程分项开工申请批复A-08-014施工技术方案报审表A-035建筑材料报验单A-056中间检验申请单A-10-17锚杆支护现场检验报告单C-87隧道锚杆检查记录表E-838隧道检验记录(通用表)E—77-19附试验报告××段洞身钢筋网支护自检资料目录表序号名称表号备注1中间交工证书122分项工程质量检验评定表B-213中间认可书B-054工程分项开工申请批复A-08-015施工技术方案报审表A-036建筑材料报验单A-057中间检验申请单A-10-18钢筋网支护现场质量检验报告单C-889隧道检验记录(通用表)E—77-1××段洞身喷射砼自检资料目录表序号名称表号备注1中间交工证书A-332分项工程质量检验评定表B-213中间认可书B-054工程分项开工申请批复A-08-015施工技术方案报审表A-036建筑材料报验单A-057中间检验申请单A-10-18(钢纤维)喷射混凝土支护现场质量检验报告单C-869隧道检验记录(通用表)E—77-110混凝土施工原始记录E-2211后附试验报告××段仰拱自检资料目录表序号名称表号备注1中间交工证书A-332分项工程质量检验评定表B-213工程分项开工申请批复A-08-014施工技术方案报审表A-035建筑材料报验单A-056中间检验申请单A-10-17衬砌钢筋现场质量检验报告单C-928隧道检验记录(通用表)E—77-19钢筋加工及安装记录表E-8010中间检验申请单A-10-111仰拱现场质量检验报告单C-8912混凝土施工原始记录E-2213隧道检验记录(通用表)E—77-114隧道仰拱拆模后检查记录表E-8415附砼强度16中间检验申请单A-10-1仰拱回填17仰拱回填现场质量检验报告单C-89-118隧道检验记录(通用表)E—77-119附强度报告××段衬砌自检资料目录表序号名称表号备注1中间交工证书A-332分项工程质量检验评定表B-213工程分项开工申请批复A-08-014施工技术方案报审表A-035建筑材料报验单A-056中间检验申请单A-10-1钢筋7衬砌钢筋现场质量检验报告单C—928隧道检验记录(通用表)E—77-19钢筋加工及安装施工记录表E-8010中间检验申请单A-10-111模板、支架及支架支立现场质量检验报告单C-4812模筑混凝土模板检验记录E-6213隧道检验记录(通用表)E—77-114中间检验申请单A-10-1混凝土15混凝土衬砌现场质量检验报告单C-9016隧道模筑混凝土衬砌检验记录E-6317隧道成洞净空检验记录E-6918隧道检验记录(通用表)E—77-119高程检测记录表E-7620附强度报告××段防、排水自检资料目录表序号名称表号备注1中间交工证书A-332分项工程质量检验评定表B-213工程分项开工申请批复A-08-014施工技术方案报审表A-035建筑材料报验单A-056中间检验申请单A-10-17防水层现场质量检验报告单C-948止水带现场质量检验报告单C-939隧道检验记录(通用表)E—77-1××段检查井自检资料目录表序号名称表号备注1中间检验申请单A-10-12检查井现场检查记录表C-1163隧道检验记录(通用表)E—77-14高程检测记录表E-765砌筑工程施工记录表E-78后附试验报告隧道总体自检资料目录表序号名称表号备注1中间检验申请单A-10-12隧道总体现场质量检验报告单C-813隧道检验记录(通用表)E—77-1××段明洞自检资料目录表序号名称表号备注1中间交工证书A-332分项工程质量检验评定表B-213工程分项开工申请批复A-08-014施工技术方案报审表A-035建筑材料报验单A-056中间检验申请单A-10-17衬砌钢筋现场质量检验报告...

1、当您付费下载文档后,您只拥有了使用权限,并不意味着购买了版权,文档只能用于自身使用,不得用于其他商业用途(如 [转卖]进行直接盈利或[编辑后售卖]进行间接盈利)。
2、本站所有内容均由合作方或网友上传,本站不对文档的完整性、权威性及其观点立场正确性做任何保证或承诺!文档内容仅供研究参考,付费前请自行鉴别。
3、如文档内容存在违规,或者侵犯商业秘密、侵犯著作权等,请点击“违规举报”。

碎片内容

隧道施工资料排序

您可能关注的文档

确认删除?
VIP
微信客服
  • 扫码咨询
会员Q群
  • 会员专属群点击这里加入QQ群
客服邮箱
回到顶部