电脑桌面
添加小米粒文库到电脑桌面
安装后可以在桌面快捷访问

采购项目技术要求项目背景描述:本项目包括佛山市佛山公园西VIP免费

采购项目技术要求项目背景描述:本项目包括佛山市佛山公园西_第1页
1/8
采购项目技术要求项目背景描述:本项目包括佛山市佛山公园西_第2页
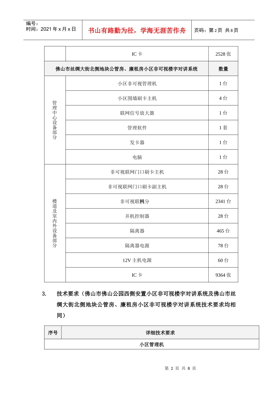
2/8
采购项目技术要求项目背景描述:本项目包括佛山市佛山公园西_第3页
3/8
第1页共8页编号:时间:2021年x月x日书山有路勤为径,学海无涯苦作舟页码:第1页共8页一、采购项目技术要求1.项目背景描述:1.1本项目包括佛山市佛山公园西侧安置小区非可视楼宇对讲系统和佛山市丝绸大街北侧地块公管房、廉租房小区非可视楼宇对讲系统。投标人须提供楼宇对讲机设备及管理中心设备的供货和所有安装和调试(室内对讲机安装及整个项目的布线由采购人委托土建部门另行负责)。2.货物需求清单佛山市公园西侧安置小区非可视楼宇对讲系统数量管理中心设备部分小区非可视管理机1台小区围墙刷卡主机2台联网信号放大器1台管理软件1套发卡器1台电脑1台楼道及室内外设备部分非可视联网门口刷卡主机8台非可视联网门口刷卡副主机16台非可视联网分机632台并机控制器8台隔离器148台隔离器电源25台12V主机电源26台第2页共8页第1页共8页编号:时间:2021年x月x日书山有路勤为径,学海无涯苦作舟页码:第2页共8页IC卡2528张佛山市丝绸大街北侧地块公管房、廉租房小区非可视楼宇对讲系统数量管理中心设备部分小区非可视管理机1台小区围墙刷卡主机4台联网信号放大器1台管理软件1套发卡器1台电脑1台楼道及室内外设备部分非可视联网门口刷卡主机28台非可视联网门口刷卡副主机28台非可视联网分机2341台并机控制器28台隔离器465台隔离器电源78台12V主机电源60台IC卡9364张3.技术要求(佛山市佛山公园西侧安置小区非可视楼宇对讲系统及佛山市丝绸大街北侧地块公管房、廉租房小区非可视楼宇对讲系统技术要求均相同)序号详细技术要求小区管理机第3页共8页第2页共8页编号:时间:2021年x月x日书山有路勤为径,学海无涯苦作舟页码:第3页共8页1.采用LCD液晶显示屏2.内置开关电源,并配有备用电池3.可配接210台门口主机和多台副管理机4.能与门口主机、室内分机及副管理机实现双向呼叫对讲5.门口机呼叫管理中心时,管理机在通话中可遥控开锁6.在任何状态下均可接收各种报警信号并实时显示报警类型、时间、日期7.可存储545条报警信息8.能随时查询历次报警记录9.管理机优先对讲权限,可随时抢线10.具有报警显示和声光提示11.可进行时间、日期设置12.带有RS232接口13.显示:16位LCD显示14.波特率:120015.转输距离:5Km16.门口主机容量:208台门口主机17.配线方式:6芯屏蔽线18.输入电压:AC/130V~250V19.工作电压:DC12V±10%20.工作电流:静态≤150mA21.动态≤500mA22.工作温度:-10℃~+55℃小区围墙刷卡主机23.对讲功能:社区围墙机可以呼叫小区的任一住户;客人来访时,可在门口机上输入所要呼叫的住户对应的主机与分机号码,呼叫方式为“三位主机号+四位住户分机号”,对应住户分机响铃,住户按室内可视分机通话键后可进行对讲。并能遥控开锁,实现第一次门口确认24.密码开锁功能:实现一户一码制,且密码能随时更改,以保证密码的保密性;感应卡开锁:住户持已注册的卡,只须把卡放在门口主机的读卡区,如果刷卡成功,门口主机会发出“嘟”一声,打开电控锁;围墙机感应卡容量可达27153张卡第4页共8页第3页共8页编号:时间:2021年x月x日书山有路勤为径,学海无涯苦作舟页码:第4页共8页25.呼叫管理中心功能:客人来找住户时,若住户不在家,可按门口机上的保安键呼叫管理中心并可进行通话对讲;同时管理中心还可为其远程开启单元门上的电控锁26.强大的功能设置:进入编程状态,可设置3/4位显示,数字/字符显示,密码功能开/关,修改分机密码,设置门口机号码,灵活的分机编号方式等27.音频信噪比:≥50dB28.音频失真:≤5%29.显示:4位LED30.拨号方式:8位31.卡的类型:非接触式感应卡32.存卡容量:5040张33.读卡距离:3-6cm(视卡而定)34.工作电压:DC12V±10%35.工作温度:-40℃~+70℃36.配线方式:六芯信号线联网信号放大器37.用于小区联网信号放大38.能隔离故障,如线路短路39.路数:8路40.主机容量:30台/路41.工作电压:DC12V±10%管理软件42.房产管理(1)、可根据实际的小区地形设计电子地图,设计建筑方位及输入建筑资料,房屋的资料及结构设计,在房屋结构中设计报警的位置;(2)、查询建筑、房屋资料;(3)、输出建筑、房屋资料报表并打印;43.客户管理(1)、根据建筑房屋资料...

1、当您付费下载文档后,您只拥有了使用权限,并不意味着购买了版权,文档只能用于自身使用,不得用于其他商业用途(如 [转卖]进行直接盈利或[编辑后售卖]进行间接盈利)。
2、本站所有内容均由合作方或网友上传,本站不对文档的完整性、权威性及其观点立场正确性做任何保证或承诺!文档内容仅供研究参考,付费前请自行鉴别。
3、如文档内容存在违规,或者侵犯商业秘密、侵犯著作权等,请点击“违规举报”。

碎片内容

采购项目技术要求项目背景描述:本项目包括佛山市佛山公园西

您可能关注的文档

确认删除?
VIP
微信客服
  • 扫码咨询
会员Q群
  • 会员专属群点击这里加入QQ群
客服邮箱
回到顶部