电脑桌面
添加小米粒文库到电脑桌面
安装后可以在桌面快捷访问

2024年ISO程序文件全套VIP免费

2024年ISO程序文件全套_第1页
1/34
2024年ISO程序文件全套_第2页
2/34
2024年ISO程序文件全套_第3页
3/34
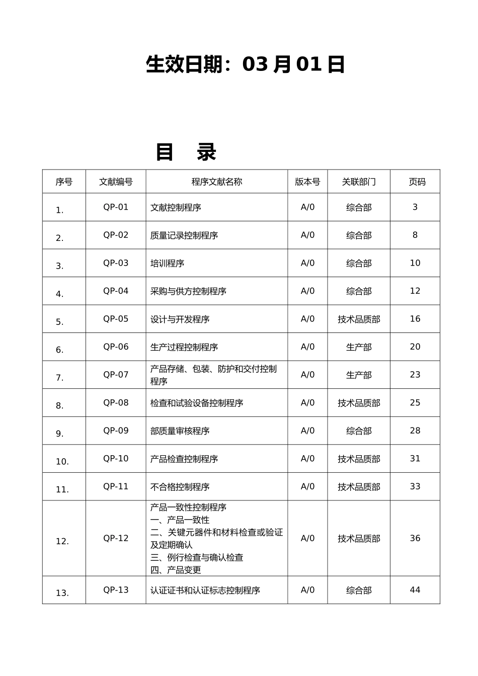
XX程序文献编号:QP-0版本/版次:A/0拟制:审核:同意:生效日期:03月01日目录序号文献编号程序文献名称版本号关联部门页码1.QP-01文献控制程序A/0综合部32.QP-02质量记录控制程序A/0综合部83.QP-03培训程序A/0综合部104.QP-04采购与供方控制程序A/0综合部125.QP-05设计与开发程序A/0技术品质部166.QP-06生产过程控制程序A/0生产部207.QP-07产品存储、包装、防护和交付控制程序A/0生产部238.QP-08检查和试验设备控制程序A/0技术品质部259.QP-09部质量审核程序A/0综合部2810.QP-10产品检查控制程序A/0技术品质部3111.QP-11不合格控制程序A/0技术品质部3312.QP-12产品一致性控制程序一、产品一致性二、关键元器件和材料检查或验证及定期确认三、例行检查与确认检查四、产品变更A/0技术品质部3613.QP-13认证证书和认证标志控制程序A/0综合部44QP-01文献控制程序1.0目的本程序规定了质量体系文献、技术文献的编制、审批、收发、修订、作废、使用、回收等控制措施,保证企业质量体系文献、技术文献和技术资料的发放、使用、回收的全过程得到有效的管理与控制,符合企业质量体系规定。2.0合用围本程序合用于支撑整个质量系统的文献及资料,文献包括质量手册、程序文献、作业指导、质量记录、技术文献;资料包括为我司运作程序所规定之保留汇报及记录资料。3.0定义3.1受控文献:须随时保持最新资料,并需分发、签收、回收、销毁记录的文献,该文献由文控在文献上加盖“受控文献”印章,以便于识别;3.2非受控文献:分发时为最新资料,但更改及修订时不需要回收的文献。如提供应顾客的质量手册;3.3部文献:企业正常运行部编制产生的多种文献;3.4外来文献:非我司部所编制的文献,包括顾客提供的与产品有关的图纸、规格等技术资料,国际、国家、地方原则,与产品有关的安全规格、标识及有关的法律、法规;3.5一阶文献:质量手册,指根据最新版消防产品(与我司有关的)《强制性产品认证明施细则》、《ISO9001:质量管理体系-规定》原则,为描述我司质量管理体系而制定的大纲性文献;3.6二阶文献:程序文献,指为了实现质量管理手册(或承诺),各部门制定一系列有效筹划、运行和控制所需的文献;3.7三阶文献:对某一作业或活动的作业措施所作的规定进行详细描述的指导性文献。3.8四阶文献:表格记录;4.0职责4.1总经理:负责一阶质量手册、二阶程序文献的同意。4.2质量负责人:4.2.1负责一阶质量手册、二阶程序文献的审核;4.2.2定期组织评审体系运行适应性并监督持续改善;4.3综合部:4.3.1负责制定一阶质量手册文献;4.3.2负责文献编号,受控文献纸件及电子档管控;4.3.3负责文献的登记、发放、存档、作废、销毁管理。4.4各部门:4.4.1负责本部门二阶文献、三阶文献、四阶文献的编制与修订;4.4.2按本程序规定妥善保管发放到本部门的多种文献。5.0工作程序5.1文献的分类5.1.1外来文献5.1.1.1国家及上级机关颁发的有关法规、法令、政策等文献;5.1.1.2行业可直接引用或执行的规、规则、技术原则等;5.1.1.3顾客提供的资料、来函及传真件、记录等。5.1.2部文献5.1.2.1质量手册、程序文献、作业指导书;5.1.2.2仅限于各部门部使用的部门部文献;5.1.2.3企业自主研发所产生的有关产品的技术文献。5.2文献的制定、审核、同意:5.3文献的编号原则:各阶文献的代号:一阶质量手册编号原则:二阶程序文献编号原则:三阶作业指导类编号原则:四阶表格记录编号原则:部门代号对应表:5.4文献的版本规定5.4.1版本的标识措施如下:A:文献的版本版次B:表格的版本文献类别文献简称一阶质量手册企业代码-QM二阶程序文献QP三阶作业指导类WI四阶表格记录QR***-QM①②共2部分构成①企业代码②质量手册的代号QP-口口①②共2部分构成①程序文献的代号②文献的流水号,以01、02、03以此类推WI--口口--口口①②③共3部分构成①作业指导书的代码②部门代码(详见部门代号对应表)③2位数的流水号QR--口口--口口①②③共3部分构成①表格记录代码②部门代码(详见部门代号对应表)③2位数的流水号部门名称对应代号综合部ZH技术品质部JP生产部SC序号文献类型文献阶层制定审核批准1质量手册一阶文献综合部管理者...

1、当您付费下载文档后,您只拥有了使用权限,并不意味着购买了版权,文档只能用于自身使用,不得用于其他商业用途(如 [转卖]进行直接盈利或[编辑后售卖]进行间接盈利)。
2、本站所有内容均由合作方或网友上传,本站不对文档的完整性、权威性及其观点立场正确性做任何保证或承诺!文档内容仅供研究参考,付费前请自行鉴别。
3、如文档内容存在违规,或者侵犯商业秘密、侵犯著作权等,请点击“违规举报”。

碎片内容

2024年ISO程序文件全套

您可能关注的文档

确认删除?
VIP
微信客服
  • 扫码咨询
会员Q群
  • 会员专属群点击这里加入QQ群
客服邮箱
回到顶部