电脑桌面
添加小米粒文库到电脑桌面
安装后可以在桌面快捷访问

采购管理程序VIP免费

采购管理程序_第1页
1/8
采购管理程序_第2页
2/8
采购管理程序_第3页
3/8
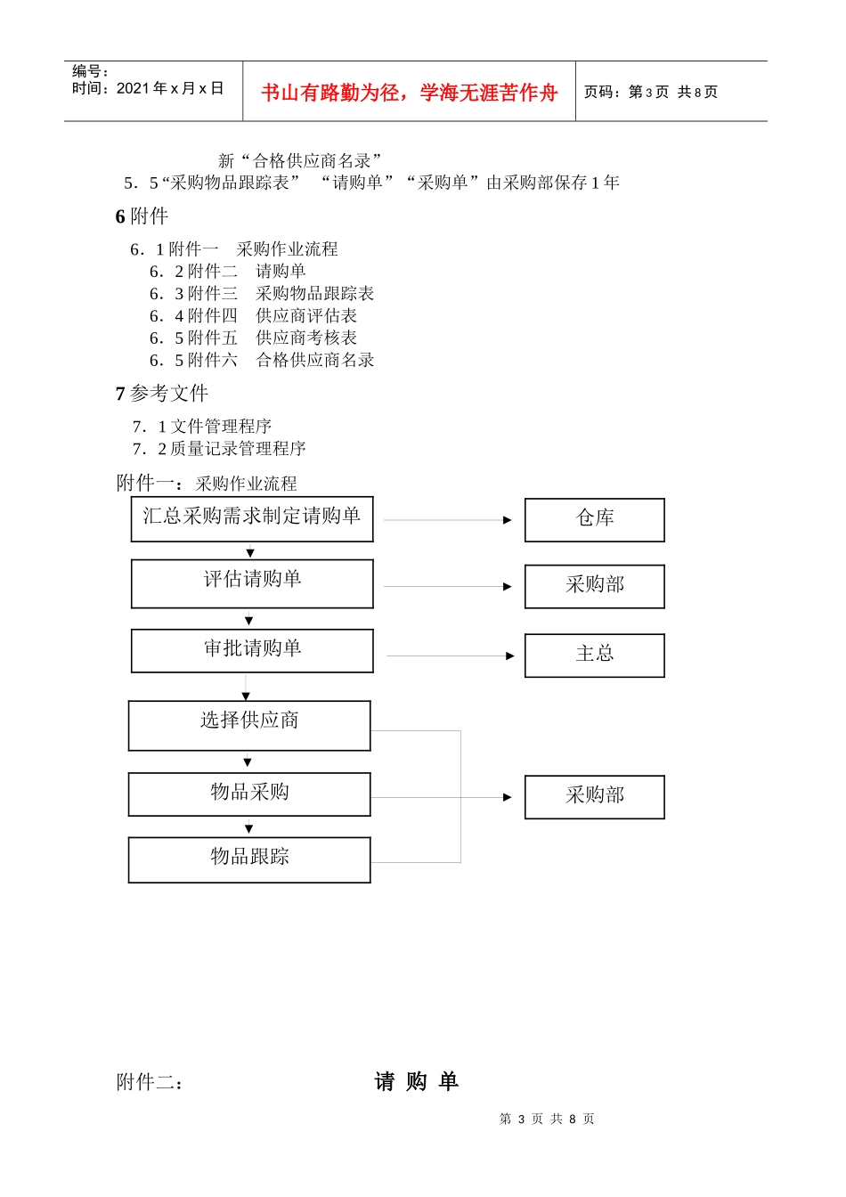
-1目的深圳市千木化工有限公司采购管理程序文件编号版本生效日期页次QP08A2002/07/30第1页共7页制定单位制定审查批准业务运作部修订记录NO章节号修订摘要修订人第2页共8页编号:时间:2021年x月x日书山有路勤为径,学海无涯苦作舟页码:第2页共8页为保证对供应商评估、考核有据可依,确保本公司采购的物品符合采购要求,更好地完善和规范日常的采购工作,从而提高工作效率,最终满足客户需求,特制定本程序。2适用范围本公司采购所采购的物品。3职责3.1采购:对供应商评估、考核;制定采购计划、评估请购单及日常的采购工作,并负责采购物品的到位跟踪。3.2物流部仓库:收集采购需求申请,制定请购单。4定义(无)5作业内容5.1采购作业流程(参见附件一)5.2采购作业内容5.2.1仓库根据需要填写物品填写“请购单”交主管审批后交业务运作部采购。5.2.2采购人员接到经核准的物品“请购单”,于“合格供应商名录”中选择合适的供应商,编制“采购单”,经业务运作部主管核准后进行采购。5.2.5经核准后的采购单传真给供应商,供应商接到传真后进行电话或签字后回传确认。5.2.6部分少量物品采购,可电话通知供应商,由供应商记录后传真我司采购部确认。5.3采购物品跟踪5.3.1采购部负责对采购的物品进行跟踪,必要时填写“采购物品跟踪表”。5.4供应商评估及考核5.4.1凡和公司有业务往来之供应商,采购部需向其发出“供应商评估表”,对其公司之合法性、质量管理体系有无建立、公司概况及其经营规模等进行评估。5.4.2通过本公司评估的供应商,经总经理核准后,列入“合格供应商名录”中,以便采购人员采购物品时从中选择供应商。5.4.3新开发的供应商,与公司来往2个月后,对其交期、品质、服务及配合性等进行考核。5.4.4在公司推行质量管理体系以前有来往之供应商,于公司推行质量管理体系2个月左右对其交期、品质、服务及配合性等进行考核。5.4.5供应商之考核结果记录于“供应商考核表”。5.4.6根据考核结果划分不同的等级,通过本公司考核的供应商,列入“合格供应商名录”中,采购时根据其等级的不同作出优先选择。5.4.7公司将每隔6个月对本公司的所有供应商进行一次考核,并及时更第3页共8页第2页共8页编号:时间:2021年x月x日书山有路勤为径,学海无涯苦作舟页码:第3页共8页新“合格供应商名录”5.5“采购物品跟踪表”“请购单”“采购单”由采购部保存1年6附件6.1附件一采购作业流程6.2附件二请购单6.3附件三采购物品跟踪表6.4附件四供应商评估表6.5附件五供应商考核表6.5附件六合格供应商名录7参考文件7.1文件管理程序7.2质量记录管理程序附件一:采购作业流程附件二:请购单汇总采购需求制定请购单评估请购单审批请购单选择供应商物品采购物品跟踪仓库采购部主总采购部第4页共8页第3页共8页编号:时间:2021年x月x日书山有路勤为径,学海无涯苦作舟页码:第4页共8页请购部门:请购日期:序号品名规格单位数量到货日期备注QP0801-1.0请购人:审批人:采购人:附件三:采购物品跟踪表采购日期供应商采购物品规格数量签订到货日期实际到货日期经办人备注QP0802-1.0附件四:供应商评估表第5页共8页第4页共8页编号:时间:2021年x月x日书山有路勤为径,学海无涯苦作舟页码:第5页共8页公司名称公司法人代表公司地址公司电话公司传真公司营业执照号码公司税务登记号公司经营物品种类公司性质□制造商□贸易商□其它公司质量管理体系及其它□通过/□未通过体系认证□通过/□未通过产品认证若未通过相关认证,给我司所提供物品有无进行检验。□通过/□未通过产品认证□通过/□未通过产品认证其它说明最后结论□列入合格供应商□不列入合格供应商□其它参评部门负责人签名审核采购第6页共8页第5页共8页编号:时间:2021年x月x日书山有路勤为径,学海无涯苦作舟页码:第6页共8页QP0803-1.0附件五:供应商考核表NO。厂商名称评估日期厂商提供物品交期得分品质得分服务及配合性得分最后得分等级评分及等级说明1.交期总分为45分,实际准时交货批/应交货批×45=交期得分;2.品质总分为45分,交货合格批数/总交货批数×45=品质得分;3.服务及配合性...

1、当您付费下载文档后,您只拥有了使用权限,并不意味着购买了版权,文档只能用于自身使用,不得用于其他商业用途(如 [转卖]进行直接盈利或[编辑后售卖]进行间接盈利)。
2、本站所有内容均由合作方或网友上传,本站不对文档的完整性、权威性及其观点立场正确性做任何保证或承诺!文档内容仅供研究参考,付费前请自行鉴别。
3、如文档内容存在违规,或者侵犯商业秘密、侵犯著作权等,请点击“违规举报”。

碎片内容

采购管理程序

确认删除?
VIP
微信客服
  • 扫码咨询
会员Q群
  • 会员专属群点击这里加入QQ群
客服邮箱
回到顶部