电脑桌面
添加小米粒文库到电脑桌面
安装后可以在桌面快捷访问

物业报修管理流程1VIP免费

物业报修管理流程1_第1页
1/13
物业报修管理流程1_第2页
2/13
物业报修管理流程1_第3页
3/13
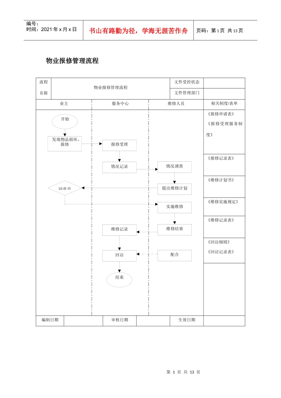
第1页共13页编号:时间:2021年x月x日书山有路勤为径,学海无涯苦作舟页码:第1页共13页物业报修管理流程流程名称物业报修管理流程文件受控状态文件管理部门业主服务中心维修人员相关制度/表单《报修申请表》《报修受理服务制度》《报修记录表》《维修计划书》《维修实施规定》《维修记录表》《回访细则》《回访记录表》编制日期审核日期生效日期开始发现物品损坏,报修报修受理情况记录情况调查维修结束维修记录回访配合结束提出维修计划同意否实施维修第2页共13页第1页共13页编号:时间:2021年x月x日书山有路勤为径,学海无涯苦作舟页码:第2页共13页机电设备检修流程流程名称机电设备检修流程文件受控状态文件管理部门物业管理部经理维修主管维修人员相关制度/表单《设备检修记录表》《检修计划申请书》《检修清单》《检修实施规定》《主管督导记录表》《检修记录表》制定检修计划审核备品备件及资料进行维修分类设置检修标志检修设备记录归档并总结进行督导开始结束做好检修记录组织维修人员第3页共13页第2页共13页编号:时间:2021年x月x日书山有路勤为径,学海无涯苦作舟页码:第3页共13页物业管理制度设计物第4页共13页第3页共13页编号:时间:2021年x月x日书山有路勤为径,学海无涯苦作舟页码:第4页共13页保洁工作管理制度第一章总则第1条目的为了使业主对保洁工作满意,对保洁人员工作进行规范,特制定本制度。第二章保洁工作日常管理第2条辖区环境卫生实行专人管理、专人负责。第3条辖区采用“定人、定地点、定时间、定任务、定质量”的“五定”方式加强管理,进行标准化清扫。第4条辖区内实行动态保洁,保洁员每日按规定时间、地点清扫责任区域。第5条根据辖区服务标准,随时保持辖区内公共区域的清洁,遇到雨天要及时疏通排水沟。第6条环境卫生标准达到“六不”、“五净”,即不见积水、不见积土、不见杂物、不漏收集、不乱倒垃圾、不见人畜粪便及路面净、路沿净、雨水口净、树坑墙根净、果壳箱净。第7条装修垃圾和生活垃圾要做到日产日清,及时集中到指定地点。第8条落实检查和考核措施,确保保洁工作达到质量标准。第9条保洁人员在工作时间内,遇到辖区内有任何垃圾、废弃物等不卫生现象时,要随产随清、随叫随到,保持卫生。第10条搞好环卫宣传工作,提高业主的清洁卫生意识,共同创造优美、洁净的物业环境。第11条根据季节及社区布置,及时做好除“四害”除虫消毒工作。第三章保洁工作细则第12条地面清洁工作程序(1)保洁人员到所辖的区域准备清洁工具。如果遇到雨天,应在入口处铺上防水踏垫。(2)将大门入口的垃圾清扫干净,保证地面无纸屑。(3)用拖把反复拖抹地面,确保地面光亮、整洁、无脚印。(4)负责将扶手电梯清洁干净,包括清洁扶手、不锈钢表面,做到扶手干净、无灰尘,不锈钢表面光亮、无手印。(5)清洁三个入口处的玻璃门窗,确保入口处玻璃窗清洁光亮、无水渍、无手印、无污渍。(6)保持光缆电梯外的玻璃遮罩的清洁,做到玻璃光洁、无水渍、无污渍。(7)清扫安全走道及楼梯,先打扫一遍再用湿拖把将地面拖抹干净。第13条入口处地面清洁工作程序第5页共13页第4页共13页编号:时间:2021年x月x日书山有路勤为径,学海无涯苦作舟页码:第5页共13页(1)每天将地面清扫干净,确保地面无纸屑。(2)用铲刀将地面不易清除的脏物铲干净。(3)每周一次,用洗地机将入口处的地面清洗干净。第14条玻璃门窗清洁工作程序(1)用湿布将入口处玻璃门擦拭一遍,如果是稍高的玻璃门可以用A字铝合金梯辅助。(2)遇有不易用抹布清洁的脏物,可用玻璃刮刀辅助清洁。(3)用玻璃刮刀将玻璃上的水滴刮拭干净,使之光亮、无灰尘、无手印。(4)用地托将地下的滴水抹干。第15条扶手电梯清洁工作程序(1)用湿保洁布擦拭扶手电梯的扶手,使之干净、无尘。(2)用细扫帚将扶手梯的踏步清扫干净。(3)擦拭扶手电梯的铝合金面、边板及镜面,使之光亮、无灰尘、无手印。(4)清洁玻璃,使之光亮、无手印。第16条货运电梯清洁工作程序(1)打扫电梯的地板,使之无纸屑等杂物。(2)分别用干、湿拖布拖抹地面,保证无脚印。(3)清洁电梯的不锈钢门及内部墙壁,使之光...

1、当您付费下载文档后,您只拥有了使用权限,并不意味着购买了版权,文档只能用于自身使用,不得用于其他商业用途(如 [转卖]进行直接盈利或[编辑后售卖]进行间接盈利)。
2、本站所有内容均由合作方或网友上传,本站不对文档的完整性、权威性及其观点立场正确性做任何保证或承诺!文档内容仅供研究参考,付费前请自行鉴别。
3、如文档内容存在违规,或者侵犯商业秘密、侵犯著作权等,请点击“违规举报”。

碎片内容

物业报修管理流程1

确认删除?
VIP
微信客服
  • 扫码咨询
会员Q群
  • 会员专属群点击这里加入QQ群
客服邮箱
回到顶部