电脑桌面
添加小米粒文库到电脑桌面
安装后可以在桌面快捷访问

澄溪污水管网施工组织设计VIP免费

澄溪污水管网施工组织设计_第1页
1/18
澄溪污水管网施工组织设计_第2页
2/18
澄溪污水管网施工组织设计_第3页
3/18
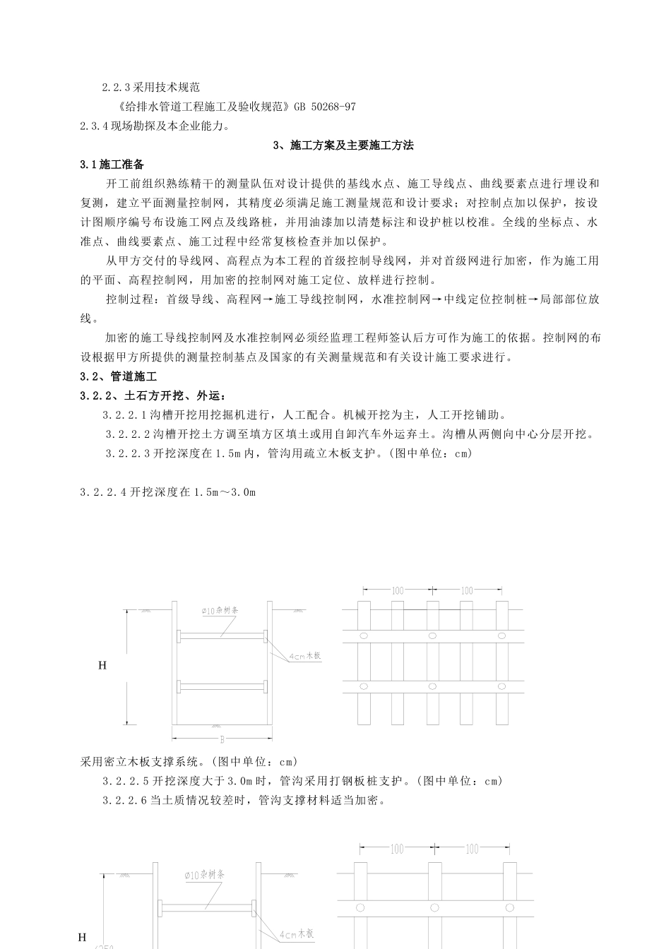
目录1、概况1.1工程概况1.2施工范围2、编制原则及编制依据2.1编制原则2.2编制依据3、施工方案及主要施工方法3.1施工准备3.2管道工程4、工程投入的主要物资和施工机械、设备情况、主要施工机械进场计划4.1工程投入的主要物资4.2施工机械、设备情况及进场计划(见附表)5、劳动力计划安排6、施工进度计划表6.1工程进度计划6.2施工进度计划表7、施工现场平面布置8、确保工程质量的技术组织措施8.1质量管理目标8.2质量管理方针8.3质量管理体系8.4质量管理措施9、确保工期的技术组织措施9.1工期目标9.2工期保证措施10、确保安全生产、文明施工的技术组织措施10.1安全生产管理目标10.2安全管理依据10.3安全管理措施11、确保文明施工的技术组织措施11.1现场文明施工措施11.2工地卫生11.3文明施工质料管理11.4文物保护措施12、环境保护措施13、雨季、农忙季节的施工技术措施13.1雨季施工措施13.2农忙季节施工措施14、成品保护措施1、概况1.1工程概况该工程为垫江县澄溪镇正大街、澄溪大道污水管网工程。污水管道全长3014m。1.2工程范围及要求1.2.1污水管道工程:1.2.1.1工程范围正大街污水管道全长3014m,沿原城市道路或规划城市道路敷设,充分利用地面坡度排水,凡排入本次设计的污水管道中的污水应在进行了预处理(生化池处理)后方可接入。最后排入污水处理厂处理并达到城市污水综合排放标准后方可排入河道。1.2.2.2具体要求:1)回填要求:污水管道在路基填方地段是,应按道路密实度要求回填至管顶以上1米高后,然后再开挖管槽,施工管道。2)钢筋混泥土管600mm管沟沟底开挖宽度按图集06MS201-2第54页:管沟两侧放坡系数按《给水排水管道工程施工及验收规范》(GB50268-2008)相关规定执行。3)管道施工完毕经检验合格后,基槽应及时回填,回填应在保证管道的强度达到设计强度后进行。管沟回填必须严格按照国际图集06MS201-2相关规定执行。其密实度还应满足道路路基的质量要求。根据《给水排水管道工程施工及验收规范》(GB50268-2008),污水管道应作闭水试验》。4)污水管道和附属构筑物应保证其密实性,防止污水外渗和地下水人渗》5)污水检查井,圆形,111坐。6)钢筋混泥土600mm3034米。2、编制原则及编制依据2.1、编制原则2.1.1、遵循招标文件条款的原则,在编制施工组织计划表及附图表中,严格按照规范、招标文件的规定编制。2.1.2、遵循设计文件和规范施工编制原则,在编写主要项目施工方案中严格按照设计要求,执行现行施工规范和验收标准,科学组织施工、确保工程的质量、进度。2.1.3、坚持实事求是,一切从实际出发的原则,在制定施工方案中,根据本公司施工能力,经济实力,技术水平及多年施工经验,坚持科学组织,合理安排,均衡生产,平行作业,尽量平抑施工高峰期。确保高速度、高质量、高效率完成本项目建设。2.1.4、坚持施工全过程严格管理的原则,在工序施工中,严格执行监理工程师的指令,尊重其意见,严格管理。在施工中以管理严谨、安全施工、质量优质为原则。2.1.5、研究各施工工序的衔接,确保施工关键线路,合理安排施工计划,保证施工进度。2.1.6、坚持积极推广实用“四新”成果的原则,在各项工序施工中,对于能够提高或保证工程质量、施工进度、降低成本的新技术、新设备、新工艺、新材料积极采用,发挥科技在施工中的先导作用。2.1.7、坚持专业化作业与综合管理相结合的原则,在施工组织方面,以专业作业队为作业形式,充分发挥专业人员和专业设备的优势,同时采取综合管理手段,合理调配,以达到整体的目的。2.2编制依据:2.2.1《垫江县澄溪镇正大街污水管网工程》招标文件。2.2.2《垫江县澄溪镇正大街污水管网工程》施工图纸。HH2.2.3采用技术规范《给排水管道工程施工及验收规范》GB50268-972.3.4现场勘探及本企业能力。3、施工方案及主要施工方法3.1施工准备开工前组织熟练精干的测量队伍对设计提供的基线水点、施工导线点、曲线要素点进行埋设和复测,建立平面测量控制网,其精度必须满足施工测量规范和设计要求;对控制点加以保护,按设计图顺序编号布设施工网点及线路桩,并用油漆加以清楚标注和设护桩以校准。全线的坐标点、水准点、曲线要素点、施...

1、当您付费下载文档后,您只拥有了使用权限,并不意味着购买了版权,文档只能用于自身使用,不得用于其他商业用途(如 [转卖]进行直接盈利或[编辑后售卖]进行间接盈利)。
2、本站所有内容均由合作方或网友上传,本站不对文档的完整性、权威性及其观点立场正确性做任何保证或承诺!文档内容仅供研究参考,付费前请自行鉴别。
3、如文档内容存在违规,或者侵犯商业秘密、侵犯著作权等,请点击“违规举报”。

碎片内容

澄溪污水管网施工组织设计

确认删除?
VIP
微信客服
  • 扫码咨询
会员Q群
  • 会员专属群点击这里加入QQ群
客服邮箱
回到顶部