电脑桌面
添加小米粒文库到电脑桌面
安装后可以在桌面快捷访问

热控工作任务风险预控票VIP免费

热控工作任务风险预控票_第1页
1/64
热控工作任务风险预控票_第2页
2/64
热控工作任务风险预控票_第3页
3/64
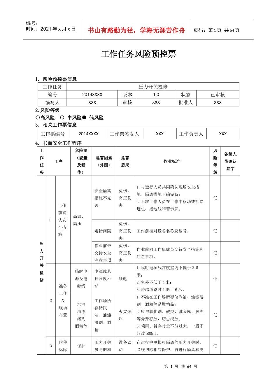
第1页共64页编号:时间:2021年x月x日书山有路勤为径,学海无涯苦作舟页码:第1页共64页工作任务风险预控票1.风险预控票信息工作任务压力开关检修编号2014XXXX版本1.0状态已审核编写人XXX审核人XXX批准人XXX2.风险等级〇高风险〇中风险●低风险3.相关工作票信息工作票编号2014XXXX工作票签发人XXX工作负责人XXX4.书面安全工作程序工作任务工序危险源(能量及载体)危害因素(外因)危害后果作业标准风险等级各级人员确认签字压力开关检修1工作前确认安全措施高温、高压安全隔离措施不完善烫伤、高压伤害1.与运行人员共同确认现场安全措施、隔离措施正确完备;2.不准工作人员在工作中移动或拆除遮栏、接地线和警示牌;低走错间隔烫伤、高压伤害工作前核对设备名称及编号。低作业前未交待安全注意事项烫伤、高压伤害作业前向工作班成员交待安全措施和注意事项。低2准备工作及现场布置临时电源及电源线电源线悬挂高度不够触电1.临时电源线高度室内不低于2.5米;2.室外不低于4米;3.跨越道路时不低于6米。低汽油油漆溶剂酒精等工作场所存储汽油、油漆溶剂、酒精火灾爆炸1.不准在工作场所存储汽油、油漆溶剂、酒精等易燃物品;2.应与氧化剂、酸类、碱金属、胺类等分开存放,切忌混放;3.领用、暂存时量不能过大,一般不超过500ml。低3附件拆除保护压力开关参与的相设备误动在运行中更换可隔离的压力开关时,必须切除相应保护,再进行隔离和更低第2页共64页第1页共64页编号:时间:2021年x月x日书山有路勤为径,学海无涯苦作舟页码:第2页共64页关保护换并在DCS组态中做好强制措施。信号线信号线未做标识设备误动或拒动压力开关拆线前作好标识,更换压力开关后按标识正确接线。低高空作业未佩戴合格的安全带高空坠落1.安全带使用前进行外观检查,检验合格证应在有效期内;2.在没有脚手架或没有栏杆的脚手架上工作,高度超过1.5m时必须使用安全带;3.安全带的挂钩应挂在结实、牢固的构件上,或专挂安全带的钢丝绳上,严禁低挂高用。低梯子上作业不规范高空坠落1.不准梯子垫高或接长使用;2.上下梯子时,不准手持物件攀登;3.梯子上作业人员应将安全带挂在牢固的构件上,不准将安全带挂在梯子上;4.不准两人同登一梯;5.人在梯子上作业时,不准移动梯子;6.不准在悬吊式的脚手架上搭放梯子作业;7.软体应挂在可靠的支持物上,在软梯上只准一个人作业;8.靠在管子上使用的梯子,其上端应有挂钩或用绳索缚住。低拆卸压力开关取压孔为封堵,异物掉入堵管压力开关拆卸后,必须用干净的塑料布封堵取压管接头,防止异物进入。低无隔离门带压操作烫伤、高压伤害压力开关及其仪表管路在首次安装时,应加装一二次门和排污门。低介质泄漏环境污染检修前地面铺好橡胶皮,并准备足够充足的抹布低4附件检修测试绝缘电阻使用摇表时,未对设备采取隔离措施高压电击毁设备1.绝缘电阻表的引线绝缘要良好,防止接触设备。2.在使用绝缘电阻表前,检查绝缘电阻表合格。合格证在有效期内。对连接线路测试绝缘电阻前,必须将线路所带设备接线全部拆除。才能进行测试。低第3页共64页第2页共64页编号:时间:2021年x月x日书山有路勤为径,学海无涯苦作舟页码:第3页共64页校验校验数值不正确设备误动或拒动按照规程正确操作低5回装压力开关接头没有使用垫片和生料带介质泄漏压力开关回装时,压力开关和表管接头处要使用垫片和生料带低接线接线错误设备误动或拒动按照标识正确接线低6检修结束施工废料施工废料未清理环境污染废料及时清理,做到工完、料尽、场地清。低5.安全技术交底工作班成员安全交底签字第4页共64页第3页共64页编号:时间:2021年x月x日书山有路勤为径,学海无涯苦作舟页码:第4页共64页第5页共64页第4页共64页编号:时间:2021年x月x日书山有路勤为径,学海无涯苦作舟页码:第5页共64页工作任务风险预控票1.风险预控票信息工作任务液位开关检修编号2014XXXX版本1.0状态已审核编写人XXX审核人XXX批准人XXX2.风险等级〇高风险〇中风险●低风险3.相关工作票信息工作票编号2014XXXX工作票签发人XXX工作负责人XXX4.书面安全工作程序工作任务工序危险源(能量及载体)危害因素(外因)危害后果作业标准...

1、当您付费下载文档后,您只拥有了使用权限,并不意味着购买了版权,文档只能用于自身使用,不得用于其他商业用途(如 [转卖]进行直接盈利或[编辑后售卖]进行间接盈利)。
2、本站所有内容均由合作方或网友上传,本站不对文档的完整性、权威性及其观点立场正确性做任何保证或承诺!文档内容仅供研究参考,付费前请自行鉴别。
3、如文档内容存在违规,或者侵犯商业秘密、侵犯著作权等,请点击“违规举报”。

碎片内容

热控工作任务风险预控票

精品中小学文档+ 关注
实名认证
内容提供者

精品资料,值得下载

确认删除?
VIP
微信客服
  • 扫码咨询
会员Q群
  • 会员专属群点击这里加入QQ群
客服邮箱
回到顶部