电脑桌面
添加小米粒文库到电脑桌面
安装后可以在桌面快捷访问

物流系统规划与管理课程设计范本VIP免费

物流系统规划与管理课程设计范本_第1页
1/22
物流系统规划与管理课程设计范本_第2页
2/22
物流系统规划与管理课程设计范本_第3页
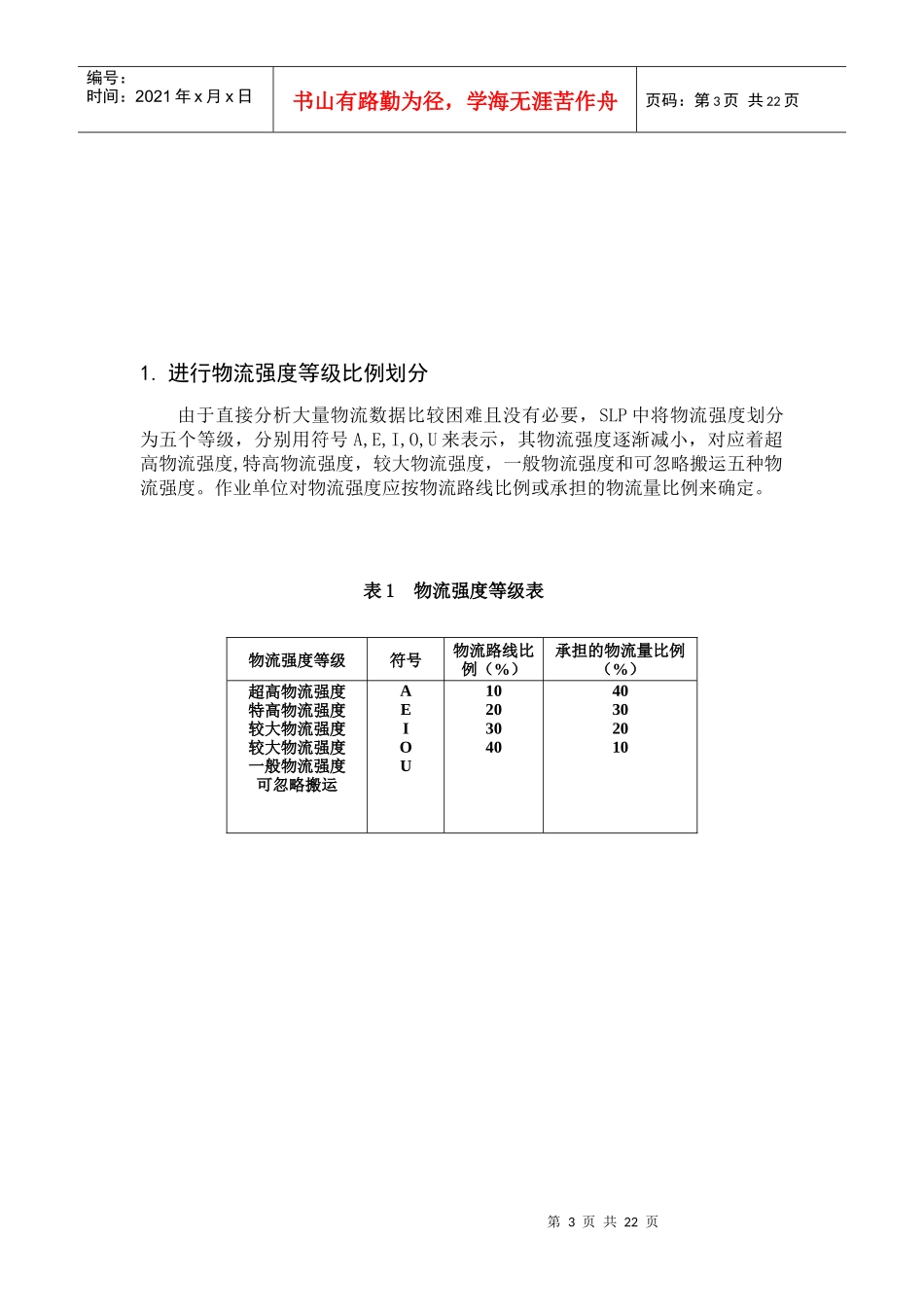
3/22
第1页共22页编号:时间:2021年x月x日书山有路勤为径,学海无涯苦作舟页码:第1页共22页天津理工大学中环信息学院经济与管理系物流系统规划与管理课程设计专业班级学号姓名第2页共22页第1页共22页厂大门252215精铸车间626782711144240403434353510273494113324467411162220111515211168100112192222220179152133911141816754厂大门装配车间试车场场成品库场配件库场出口成品库场随车工具库外协件库随车工具外协件轮胎柴油机铸件毛坯齿轮,铸件棒材精铸材料板材木材油化品机加车间板材库冲压件库焊接车间焊接件库金材库23编号:时间:2021年x月x日书山有路勤为径,学海无涯苦作舟页码:第2页共22页汽车生产流程图铸件毛坯库轮胎库油化品库半成品库油漆车间冲压车间热处理车间15锻工车间车库第3页共22页第2页共22页编号:时间:2021年x月x日书山有路勤为径,学海无涯苦作舟页码:第3页共22页1.进行物流强度等级比例划分由于直接分析大量物流数据比较困难且没有必要,SLP中将物流强度划分为五个等级,分别用符号A,E,I,O,U来表示,其物流强度逐渐减小,对应着超高物流强度,特高物流强度,较大物流强度,一般物流强度和可忽略搬运五种物流强度。作业单位对物流强度应按物流路线比例或承担的物流量比例来确定。表1物流强度等级表物流强度等级符号物流路线比例(%)承担的物流量比例(%)超高物流强度特高物流强度较大物流强度较大物流强度一般物流强度可忽略搬运AEIOU1020304040302010第4页共22页第3页共22页编号:时间:2021年x月x日书山有路勤为径,学海无涯苦作舟页码:第4页共22页2.流程图进行物流强度汇总确定物流等级表2汽车生产物流强度汇总表等级A的数量:27(对)*10%=2.7等级E的数量:27(对)*20%=5.4序号作业单位对(物流路线)物流强度物流强度等级序号作业单位对(物流路线)物流强度物流强度等级11-326I1510-2322I21-141O1612-1873A32-535E1712-227O43-94O1813-161O53-1024I1913-181O63-111O2013-191O73-1249E2116-1740E84-18102A2216-1842E94-2025I2316-224O105-1534I2419-23221A116-1820I2519-2115O127-1534I2620-2327I137-1740E2722-238O148-1811O第5页共22页第4页共22页编号:时间:2021年x月x日书山有路勤为径,学海无涯苦作舟页码:第5页共22页等级I的数量:27(对)*30%=8.1等级O的数量:27(对)*40%=10.8将强度顺序从大到小排序,根据不同等级所占作业单位的比例,规定物流强度等级3.进行汽车装配厂作业单位物流相关图序号作业单位名称12345678910111213金材库板材库机加车间试车场冲压车间外协件库焊接车间轮胎库精铸车间铸件毛坯库热处理车间半成品库油化品库UIUUUUUUUUUUOUUEUUUUUUUUUUUUUUOIOEUUUUUUUUUUUUUUUUUUUUUUUUUUUUUUUUUUUUUUUUUUUUUUUUUUUUUUUUU141516171819锻工车间冲压件库油漆车间焊接件库装配车间成品库UUUUIUIUUUUUUUUUUUUUUUUUUOUUUUUUEUUUUUUUUUAUIUOUUUAOUUUUUUUUUUUUOUUUIUUUUUUUUUUUUUUUUUUUUUUUUUUUUUUUUUOUUUUUUUUUUIUUUUUEUUUOUUUUUUUUUUUUUUUUUUUUUUEUUU第6页共22页第5页共22页编号:时间:2021年x月x日书山有路勤为径,学海无涯苦作舟页码:第6页共22页4.进行作业单位非物流关系等级比例划分表3非物流关系的等级及划分比例表符号关系密切程度作业单位配对比例A绝对必要靠近2%~5%E特别重要靠近3%~10%I重要5%~15%O一般10%~25%U不重要45%-80%X不希望靠近根据需要当作业单位总量为N时,总的作业单位配对数P即P=N(N-1)/2,对于该汽车装配厂,N=23,则P=23(23-1)/2=253,因此在综合相互关系中有253个作业单位配对,即253个相互关系。所以作业非物流关系等级为:A253×3%=7.59≈8即有8个等级AE253×7%=17.71≈18即有18个等级EI253×10%=25.3≈25即有25个等级IO253×15%=37.95≈38即有38个等级OU253×60%=151.8≈152有152个等级U5.影响作业单位非物流关系等级的要素作业单位间相互关系的影响因素与企业的性质有很大关系,不同的企业,作业单位的设置是不一样的,作业单位的相互关系的影响因素可以考虑以下几个方面:表4作业单位间影响因素表第7页共22页第6页共22页编号:时间:2021年x月x日书山有路勤为径,学海无涯苦作舟页码:第7页共22页...

1、当您付费下载文档后,您只拥有了使用权限,并不意味着购买了版权,文档只能用于自身使用,不得用于其他商业用途(如 [转卖]进行直接盈利或[编辑后售卖]进行间接盈利)。
2、本站所有内容均由合作方或网友上传,本站不对文档的完整性、权威性及其观点立场正确性做任何保证或承诺!文档内容仅供研究参考,付费前请自行鉴别。
3、如文档内容存在违规,或者侵犯商业秘密、侵犯著作权等,请点击“违规举报”。

碎片内容

物流系统规划与管理课程设计范本

确认删除?
VIP
微信客服
  • 扫码咨询
会员Q群
  • 会员专属群点击这里加入QQ群
客服邮箱
回到顶部