电脑桌面
添加小米粒文库到电脑桌面
安装后可以在桌面快捷访问

质量管理员岗位说明书VIP免费

质量管理员岗位说明书_第1页
1/5
质量管理员岗位说明书_第2页
2/5
质量管理员岗位说明书_第3页
3/5
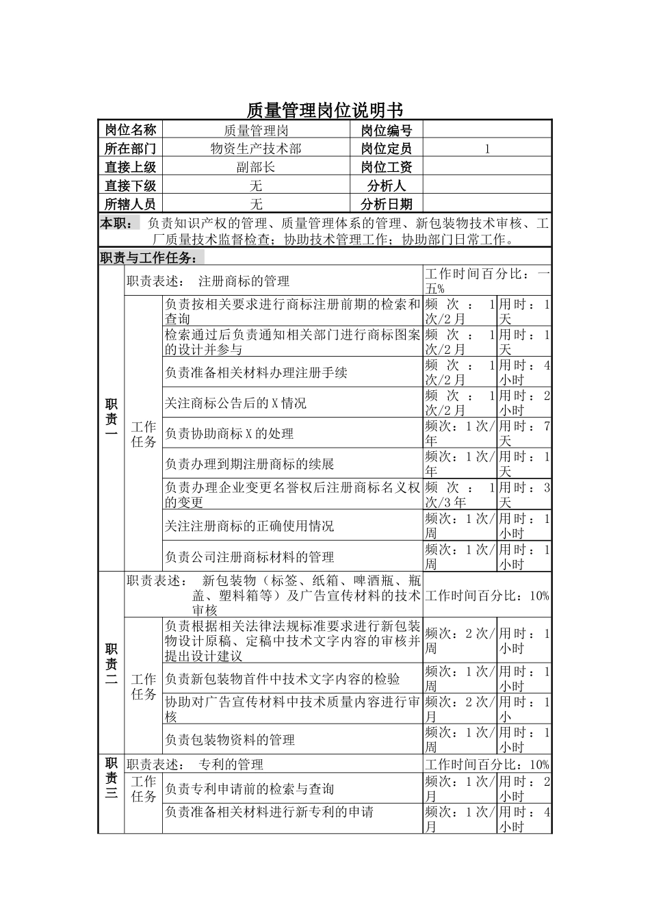
质量管理岗位说明书岗位名称质量管理岗岗位编号所在部门物资生产技术部岗位定员1直接上级副部长岗位工资直接下级无分析人所辖人员无分析日期本职:负责知识产权的管理、质量管理体系的管理、新包装物技术审核、工厂质量技术监督检查;协助技术管理工作;协助部门日常工作。职责与工作任务:职责一职责表述:注册商标的管理工作时间百分比:一五%工作任务负责按相关要求进行商标注册前期的检索和查询频次:1次/2月用时:1天检索通过后负责通知相关部门进行商标图案的设计并参与频次:1次/2月用时:1天负责准备相关材料办理注册手续频次:1次/2月用时:4小时关注商标公告后的X情况频次:1次/2月用时:2小时负责协助商标X的处理频次:1次/年用时:7天负责办理到期注册商标的续展频次:1次/年用时:1天负责办理企业变更名誉权后注册商标名义权的变更频次:1次/3年用时:3天关注注册商标的正确使用情况频次:1次/周用时:1小时负责公司注册商标材料的管理频次:1次/周用时:1小时职责二职责表述:新包装物(标签、纸箱、啤酒瓶、瓶盖、塑料箱等)及广告宣传材料的技术审核工作时间百分比:10%工作任务负责根据相关法律法规标准要求进行新包装物设计原稿、定稿中技术文字内容的审核并提出设计建议频次:2次/周用时:1小时负责新包装物首件中技术文字内容的检验频次:1次/周用时:1小时协助对广告宣传材料中技术质量内容进行审核频次:2次/月用时:1小负责包装物资料的管理频次:1次/周用时:1小时职责三职责表述:专利的管理工作时间百分比:10%工作任务负责专利申请前的检索与查询频次:1次/月用时:2小时负责准备相关材料进行新专利的申请频次:1次/月用时:4小时关注新专利公告生效后的X情况频次:1次/2月用时:2小时负责协助专利X的处理频次:1次/年用时:10天负责专利年费的交付频次:1次/月用时:1小时负责公司专利材料的管理频次:1次/周用时:1小时职责四职责表述:条码的管理工作时间百分比:5%工作任务负责按要求对申请的条码进行编码和选型频次:1次/季度用时:2小时负责新条码的申请办理频次:1次/季度用时:4小时检查条码使用情况,关注印刷质量频次:2次/月用时:1小时配合市条码办的定期监督检查频次:2次/年用时:8小时负责办理条码会员资格的到期续展频次:1次/两年用时:8小时负责公司条码材料的管理频次:2次/月用时:2小时职责五职责表述:质量管理体系的管理工作时间百分比:20%工作任务负责制定公司年度质量管理体系内部审核计划频次:1次/年用时:4小时负责制定具体内部审核计划频次:3次/年用时:8小时组织制定内部审核检查表并实施频次:3次/年用时:2天组织召开全要素内部审核首、末次会议,实施具体审核,检查、监督各部门质量管理体系运行情况频次:1次/年用时:3天组织实施部分要素内部审核,检查、监督相关部门质量管理体系运行情况频次:2次/年用时:6小时编写各项内部审核报告并发放频次:3次/年用时:4小时负责内部审核不合格项的关闭频次:2-3次/年用时:7天策划公司管理评审工作,制定管理评审计划并发放,收集、汇总相关资料,协助组织召开管理评审会议,做好会议记录,编写管理评审报告并发放,协助做好管理评审输出的验证频次:1次/年用时:一五天拟定年度外部监督审核的申请频次:1次/年用时:4小时配合外部监督审核工作频次:1次/年用时:4天负责关闭外审的不合格项频次:1次/年用时:10天组织对各部门质量目标完成情况进行收集、汇总、分析频次:2次/年用时:10天负责组织《质量手册》、程序文件及相关文件的编写/修订、发放、实施频次:1次/年用时:一五天协助制定部门年度改进计划频次:1次/年用时:4小时职责六职责表述:技术管理工作的协助工作时间百分比:一五%工作任务协助产品的对外送检工作频次:2次/年用时:1天协助产品的定期品评工作频次:3次/季度用时:4小时协助进行严重不合格品的评审、验证频次:1次/年用时:5天协助进行工厂技术、工艺、标准化等的监督检查频次:1次/季度用时:2天协助做好产品质量相关信息的收集、传递、交流和统计技术的确定与应用频次:1次/月用时:4小时参与生产技术、产品标准及相关标准的编制频次:1次/...

1、当您付费下载文档后,您只拥有了使用权限,并不意味着购买了版权,文档只能用于自身使用,不得用于其他商业用途(如 [转卖]进行直接盈利或[编辑后售卖]进行间接盈利)。
2、本站所有内容均由合作方或网友上传,本站不对文档的完整性、权威性及其观点立场正确性做任何保证或承诺!文档内容仅供研究参考,付费前请自行鉴别。
3、如文档内容存在违规,或者侵犯商业秘密、侵犯著作权等,请点击“违规举报”。

碎片内容

质量管理员岗位说明书

确认删除?
VIP
微信客服
  • 扫码咨询
会员Q群
  • 会员专属群点击这里加入QQ群
客服邮箱
回到顶部