电脑桌面
添加小米粒文库到电脑桌面
安装后可以在桌面快捷访问

生产品质管理程序VIP免费

生产品质管理程序_第1页
1/29
生产品质管理程序_第2页
2/29
生产品质管理程序_第3页
3/29
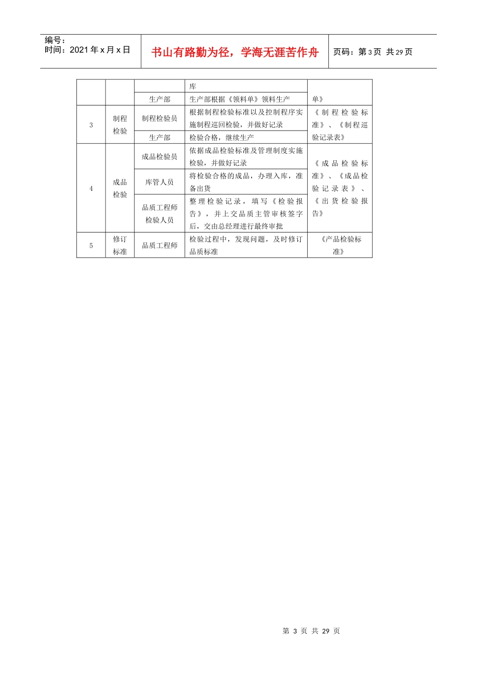
生产品质管理-1-第2页共29页结束修订标准审批总结报告审核审批总经理品管主管品质部品检人员生产部开始制定标准执行标准原材料检验合格生产领用标准控制制程检验标准控制合格继续生产入库成品检验合格入库标准控制仓库审核编号:时间:2021年x月x日书山有路勤为径,学海无涯苦作舟页码:第2页共29页1.产品检验工作流程产品检验工作流程说明序号节点责任人相关说明相关文件/记录1制定标准品质工程师品质工程师制定检验标准,交品质主管审核后,呈报总经理审批《进料检验标准》2原材料检验进料检验员根据进料检验标准和管理制度,实施原材料检验,并做好记录《进料检验记录》、《入库单》、《领料库管员检验合格,交由库管人员,办理入第3页共29页第2页共29页编号:时间:2021年x月x日书山有路勤为径,学海无涯苦作舟页码:第3页共29页库单》生产部生产部根据《领料单》领料生产3制程检验制程检验员根据制程检验标准以及控制程序实施制程巡回检验,并做好记录《制程检验标准》、《制程巡验记录表》生产部检验合格,继续生产4成品检验成品检验员依据成品检验标准及管理制度实施检验,并做好记录《成品检验标准》、《成品检验记录表》、《出货检验报告》库管人员将检验合格的成品,办理入库,准备出货品质工程师检验人员整理检验记录,填写《检验报告》,并上交品质主管审核签字后,交由总经理进行最终审批5修订标准品质工程师检验过程中,发现问题,及时修订品质标准《产品检验标准》第4页共29页第3页共29页出具检验报告总经理技术部品质部生产部样品特性检验提出意见批量生产归档审核审批结束完善样品纳入标准送样品样品检验出具检验报告提出意见小批量试产审核审批否决通过否决通过开始编号:时间:2021年x月x日书山有路勤为径,学海无涯苦作舟页码:第4页共29页2.样品检验工作流程样品检验工作流程说明序号节点责任人相关说明相关文件/记录1检验质检员品质部对生产部提供的样品,按客户要求及检验标准进行检验《样品检验报告》2出具报告质检员填写《检验单》,出具《检验报告》,上报技术部、总经理审批第5页共29页第4页共29页巡回检验首件检验合格自主检验停止生产正常生产重新生产异常反馈合格生产移交或入库监督性检查发现异常纠正预防措施发现异常结束否是是否是是否否是生产部品管部技术部开始编号:时间:2021年x月x日书山有路勤为径,学海无涯苦作舟页码:第5页共29页3审批意见技术主管总经理样品有问题,退生产部返工,重新生产;样品品质合格,品质部提出相关意见后,生产部开始小批量试产4特性检验质检员质检员针对样品特性进行检验5出具报告检验完毕,检验员填写《检验报告》,上报技术部、总经理审核、批准6审批处理生产部检验不合格,退回生产部返工;检验合格,生产部开始批量生产3.制程检验工作流程第6页共29页第5页共29页编号:时间:2021年x月x日书山有路勤为径,学海无涯苦作舟页码:第6页共29页制程检验工作流程说明序号节点责任人相关说明相关文件/记录1首件检验IPQC班组长生产出前3~5个产品,作业人员自检后交由班组长和IPQC进行检验《首件检验报告》2首检判定IPQC检验合格,生产部继续生产,IPQC进行巡回检验;检验不合格,责令作业人员重新生产,直到合格3巡回检验IPQC作业人员生产过程中,作业人员进行自检,发现异常,立即停止生产,并及时上报检验员和班组长《制程巡回检验记录》、《制程异常报告》IPQC注意工序关键点的检验,并处理异常。检验合格,进入移交下工序或入库;检验不合格,采取补救措施4监督检验技术部在生产过程中,技术部监督检验,并协助处理异常,制定纠正预防措施第7页共29页第6页共29页生产部品质部仓库编制作业指导书领料单加工检验成品检验入库出货检验报废重工结束开始编号:时间:2021年x月x日书山有路勤为径,学海无涯苦作舟页码:第7页共29页4.制程控制工作流程制程控制工作流程说明序号节点责任人相关说明相关文件/记录1编制指导书作业人员按照《作业指导书》作业,在作业时做好产品首件、巡回和自主检查,以防止不良品流至下一制程《作业指导书》2加工作业人员班组长流水作业中,作业人员将生产材料放于流水线指定位置,不...

1、当您付费下载文档后,您只拥有了使用权限,并不意味着购买了版权,文档只能用于自身使用,不得用于其他商业用途(如 [转卖]进行直接盈利或[编辑后售卖]进行间接盈利)。
2、本站所有内容均由合作方或网友上传,本站不对文档的完整性、权威性及其观点立场正确性做任何保证或承诺!文档内容仅供研究参考,付费前请自行鉴别。
3、如文档内容存在违规,或者侵犯商业秘密、侵犯著作权等,请点击“违规举报”。

碎片内容

生产品质管理程序

您可能关注的文档

确认删除?
VIP
微信客服
  • 扫码咨询
会员Q群
  • 会员专属群点击这里加入QQ群
客服邮箱
回到顶部