电脑桌面
添加小米粒文库到电脑桌面
安装后可以在桌面快捷访问

狭窄空间内土方回填技术创新与应用VIP免费

狭窄空间内土方回填技术创新与应用_第1页
1/22
狭窄空间内土方回填技术创新与应用_第2页
2/22
狭窄空间内土方回填技术创新与应用_第3页
3/22
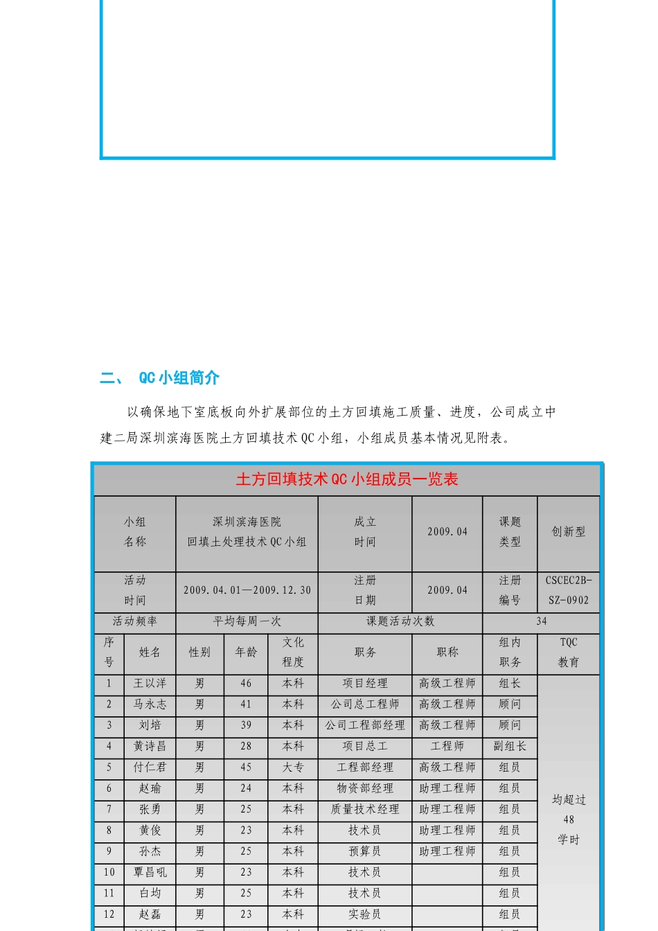
狭窄空间土方回填技术狭窄空间土方回填技术创新与应用创新与应用中国建筑第二工程局中国建筑第二工程局深圳滨海医院土方回填技术深圳滨海医院土方回填技术QCQC小组小组狭窄空间土方回填技术创新与应用狭窄空间土方回填技术创新与应用深圳滨海医院土方回填技术QC小组一、一、工程概况工程概况深圳市滨海医院总承包Ⅱ标段工程-特许诊疗中心为深圳市政府重点建设项目,工程质量要求高,要求获全国建设工程鲁班奖。本工程负一层地下室底板从负二层地下室外墙向外扩展,该部份地下室底板标高为-6.300m,桩承台标高为-12.350m,上部荷载通过底板下框架柱传导给桩承台,由桩基础承载上部荷载。向外扩展底板部位b-1/E~b-G/2-10~2-32轴,框架柱轴线间距3000mm,净空尺寸仅2500mm,向外扩展宽度7.500m,总长度250m,扩展面积达到2000m2。土方回填施工区域二、二、QCQC小组简介小组简介以确保地下室底板向外扩展部位的土方回填施工质量、进度,公司成立中建二局深圳滨海医院土方回填技术QC小组,小组成员基本情况见附表。土方回填技术QC小组成员一览表小组名称深圳滨海医院回填土处理技术QC小组成立时间2009.04课题类型创新型活动时间2009.04.01—2009.12.30注册日期2009.04注册编号CSCEC2B-SZ-0902活动频率平均每周一次课题活动次数34序号姓名性别年龄文化程度职务职称组内职务TQC教育1王以洋男46本科项目经理高级工程师组长均超过48学时2马永志男41本科公司总工程师高级工程师顾问3刘培男39本科公司工程部经理高级工程师顾问4黄诗昌男28本科项目总工工程师副组长5付仁君男45大专工程部经理高级工程师组员6赵瑜男24本科物资部经理助理工程师组员7张勇男25本科质量技术经理助理工程师组员8黄俊男23本科技术员助理工程师组员9孙杰男25本科预算员助理工程师组员10覃昌吼男23本科技术员组员11白均男25本科技术员组员12赵磊男23本科实验员组员13杨禧禄男40大专现场工长组员土方回填施工区域三、三、问题提出问题提出(一)问题的提出本工程负一层地下室底板从负二层地下室外墙向外扩展,向外扩展部位框架柱轴线间距3000mm,混凝土结构净空仅有2.50m,传统土方机械无法进入;土方回填质量要求高,采用石粉渣回填,设计要求压实系数0.95;向外扩展宽度7.50m,涉及面积2000m2,土方回填工程量达12000m3;土方回填位于上部结构施工关键线路上给工程进度造成严重阻碍,土方回填时间仅有10天;无类似工程施工经验可供借鉴。采用传统的土方回填方法存在以下问题:1、向外扩展部位框架柱轴线间距3000mm,混凝土结构净空仅有2.50m,大型施工机具(土方运输车辆宽度2.5m、压路机宽度2.8m、挖掘机宽度2.8m)宽度均大于2.50m无法进入;压路机最小转弯半径6m。2、工程位于海边,地下水常年水位-3.5m,对土方回填质量要求高,设计要求压实系数0.95。而且采用传统方法回填在回填土自然沉降后土方回填技术QC小组成员一览表小组名称深圳滨海医院回填土处理技术QC小组成立时间2009.04课题类型创新型活动时间2009.04.01—2009.12.30注册日期2009.04注册编号CSCEC2B-SZ-0902活动频率平均每周一次课题活动次数34序号姓名性别年龄文化程度职务职称组内职务TQC教育1王以洋男46本科项目经理高级工程师组长均超过48学时2马永志男41本科公司总工程师高级工程师顾问3刘培男39本科公司工程部经理高级工程师顾问4黄诗昌男28本科项目总工工程师副组长5付仁君男45大专工程部经理高级工程师组员6赵瑜男24本科物资部经理助理工程师组员7张勇男25本科质量技术经理助理工程师组员8黄俊男23本科技术员助理工程师组员9孙杰男25本科预算员助理工程师组员10覃昌吼男23本科技术员组员11白均男25本科技术员组员12赵磊男23本科实验员组员13杨禧禄男40大专现场工长组员基坑护壁出现裂缝会在结构垫层与回填土之间形成空隙,容易造成防水卷材破坏。3、本工程基坑护壁已出现多处裂缝,稳定性尚待评估,存在重大安全隐患。深圳地区正处于雨季,长期受到台风强降雨侵袭,基坑危险系数正不断上升,为防止发生基坑垮塌事故,土方回填已刻不容缓。4、工期紧迫,土方回填工程量达12000m3,完全采用传统的人工回填方法至少需要30天;业主要求2009年8月31...

1、当您付费下载文档后,您只拥有了使用权限,并不意味着购买了版权,文档只能用于自身使用,不得用于其他商业用途(如 [转卖]进行直接盈利或[编辑后售卖]进行间接盈利)。
2、本站所有内容均由合作方或网友上传,本站不对文档的完整性、权威性及其观点立场正确性做任何保证或承诺!文档内容仅供研究参考,付费前请自行鉴别。
3、如文档内容存在违规,或者侵犯商业秘密、侵犯著作权等,请点击“违规举报”。

碎片内容

狭窄空间内土方回填技术创新与应用

精品中小学文档+ 关注
实名认证
内容提供者

精品资料,值得下载

确认删除?
VIP
微信客服
  • 扫码咨询
会员Q群
  • 会员专属群点击这里加入QQ群
客服邮箱
回到顶部