电脑桌面
添加小米粒文库到电脑桌面
安装后可以在桌面快捷访问

钢铁行业-采购部-备品备件采购主管岗位说明书VIP免费

钢铁行业-采购部-备品备件采购主管岗位说明书_第1页
1/2
钢铁行业-采购部-备品备件采购主管岗位说明书_第2页
2/2
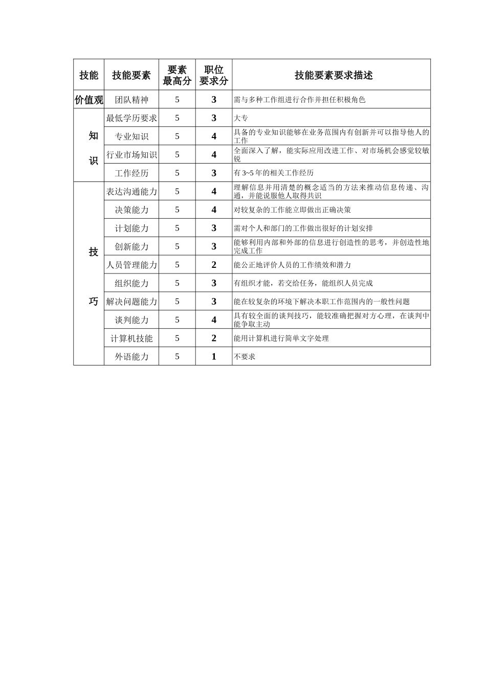
采购部备品备件采购主管职位说明书一、职位概述职位名称备品备件采购主管职位编号L-05所属部门采购部职位级别直接上级采购部经理定员人数1人直接下级采购业务员二、职位职责1.职责摘要在采购部经理的领导下,负责公司的备品备件的采购工作。2.职责说明1)负责拟订备品备件采购业务的管理规章制度,经批准后实施;2)负责拟订公司机电设备及其备品、备件的采购计划,并组织实施;督促采购员按计划落实备品备件的采购;3)负责机电设备及其备品、备件采购的合同执行及合同管理;4)负责建立、维护主要供应商数据库;5)负责每周、每月定期向采购部经理汇报各项备品备件采购情况;6)负责定期与生产计划员、调度员协调;7)负责根据采购计划,报批用款申请;8)负责及时与保供部备品备件仓库主管协调采购备品备件入库;9)负责对直接下属的考核;10)负责统计备品备件的采购及付款情况;11)负责供应商的来访接待;12)负责完成采购部经理临时交办的任务。三、任职资格1、年龄35岁以上2、专业要求不限3、性别不限4、特殊资格要求无5、技能要素等级要求(价值观,知识,技巧)技能技能要素要素最高分职位要求分技能要素要求描述价值观团队精神53需与多种工作组进行合作并担任积极角色知识最低学历要求53大专专业知识54具备的专业知识能够在业务范围内有创新并可以指导他人的工作行业市场知识54全面深入了解,能实际应用改进工作、对市场机会感觉较敏锐工作经历53有3~5年的相关工作经历技巧表达沟通能力54理解信息并用清楚的概念适当的方法来推动信息传递、沟通,并能说服他人取得共识决策能力54对较复杂的工作能立即做出正确决策计划能力53需对个人和部门的工作做出很好的计划安排创新能力53能够利用内部和外部的信息进行创造性的思考,并创造性地完成工作人员管理能力52能公正地评价人员的工作绩效和潜力组织能力53有组织才能,若交给任务,能组织人员完成解决问题能力53能在较复杂的环境下解决本职工作范围内的一般性问题谈判能力54具有较全面的谈判技巧,能较准确把握对方心理,在谈判中能争取主动计算机技能52能用计算机进行简单文字处理外语能力51不要求

1、当您付费下载文档后,您只拥有了使用权限,并不意味着购买了版权,文档只能用于自身使用,不得用于其他商业用途(如 [转卖]进行直接盈利或[编辑后售卖]进行间接盈利)。
2、本站所有内容均由合作方或网友上传,本站不对文档的完整性、权威性及其观点立场正确性做任何保证或承诺!文档内容仅供研究参考,付费前请自行鉴别。
3、如文档内容存在违规,或者侵犯商业秘密、侵犯著作权等,请点击“违规举报”。

碎片内容

钢铁行业-采购部-备品备件采购主管岗位说明书

您可能关注的文档

确认删除?
VIP
微信客服
  • 扫码咨询
会员Q群
  • 会员专属群点击这里加入QQ群
客服邮箱
回到顶部